ignition starter switch

1992 CHEVROLET SILVERADO
200,000 MILES • 5.7L • V8 • 2WD • AUTOMATIC
Avatar
MAX NGUYEN
  • MEMBER
  • 2 POSTS
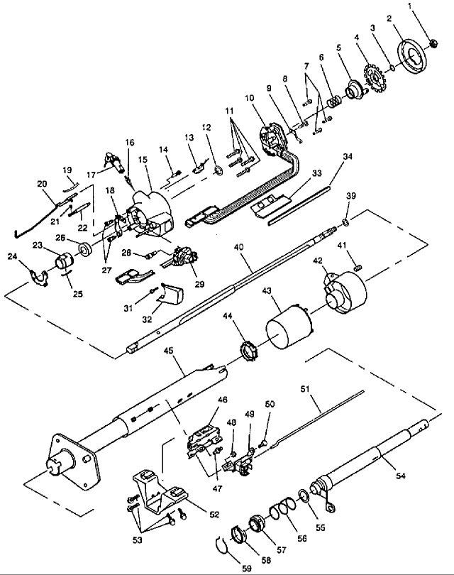
The rod coming from the steering wheel with an offset, which side does it hook on and how do I install it?
Apr 22, 2017 at 3:07 PM
Advertisement
Avatar
STEVE W.
  • CERTIFIED EXPERT
  • 15,113 POSTS
The switch should have a pin that holds it in place as you bolt it to the left side of the column. See the picture attached. Make sure the key is in the off/locked position, then the rod goes into the end of the switch. Bolt it on and remove the pin that secured it. Test for proper operation.
Apr 22, 2017 at 3:45 PM
Avatar
MAX NGUYEN
  • MEMBER
  • 2 POSTS
Which side of the switch for the rod to go. In? There are opening on both side of the switch.
Apr 22, 2017 at 5:22 PM
Advertisement
Avatar
STEVE W.
  • CERTIFIED EXPERT
  • 15,113 POSTS
It will only mount one way. The switch activates when it moves away from the steering wheel.
Apr 22, 2017 at 5:54 PM