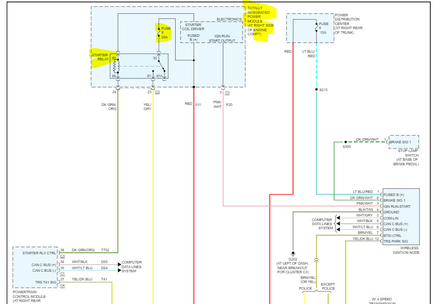
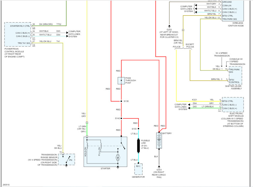
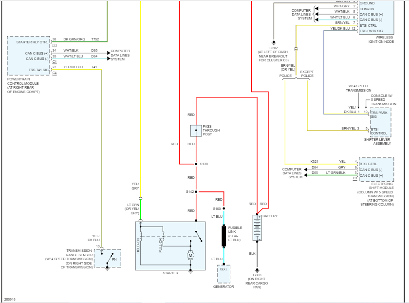
Mech replaced starter- not the problem.
Mech replaced ignition switch (FOB style) - not the problem.
The car battery is new and within spec.
Mini relay in the fuse box new- not the problem.
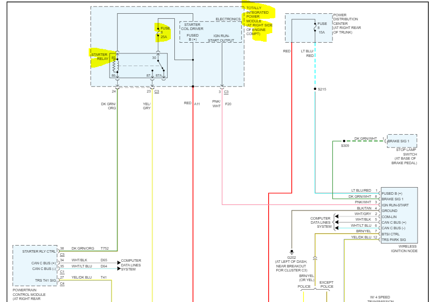
Is the issue an "ignition sense" circuit fault?
High amp starter relay is next.
From an old and stumped grease monkey.
This is my car! Can't fix my own car but I do great on everybody else's car.
Mech replaced ignition switch (FOB style) - not the problem.
The car battery is new and within spec.
Mini relay in the fuse box new- not the problem.
Is the issue an "ignition sense" circuit fault?
High amp starter relay is next.
From an old and stumped grease monkey.
This is my car! Can't fix my own car but I do great on everybody else's car.
Sep 5, 2023 at 4:03 PM



