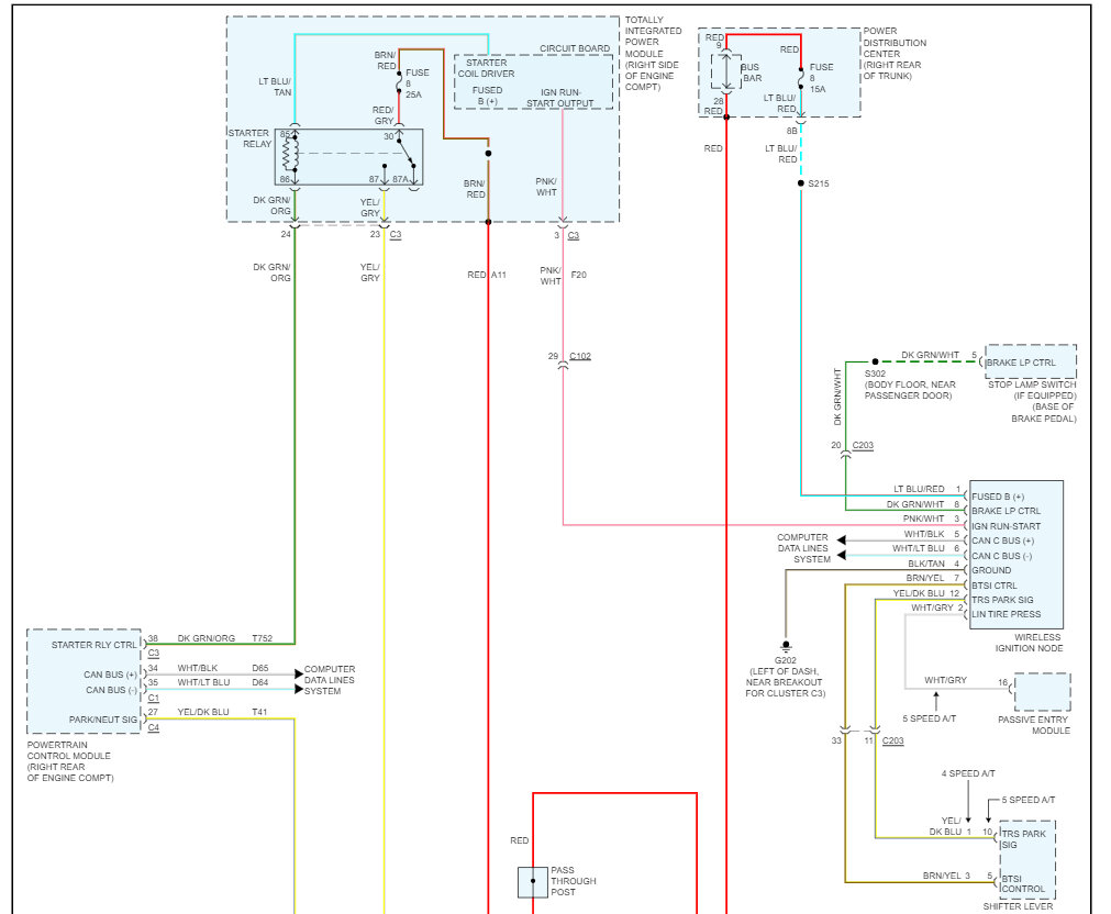
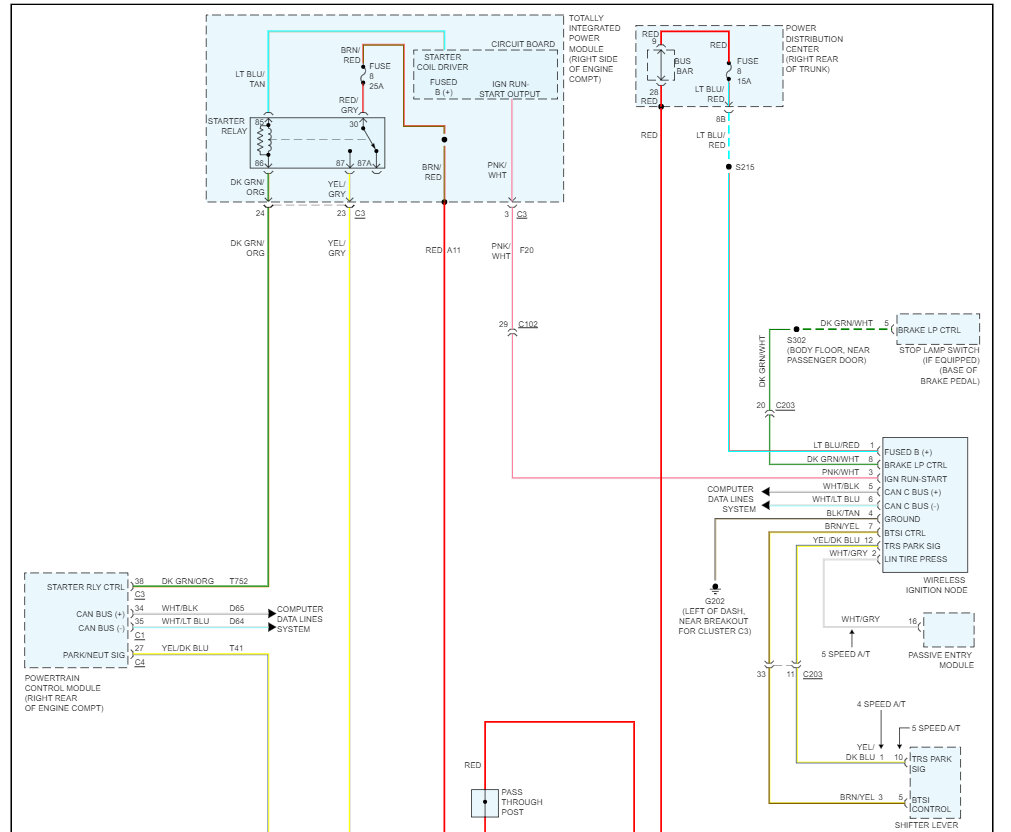
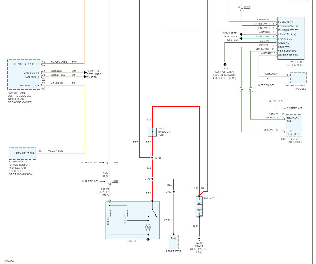
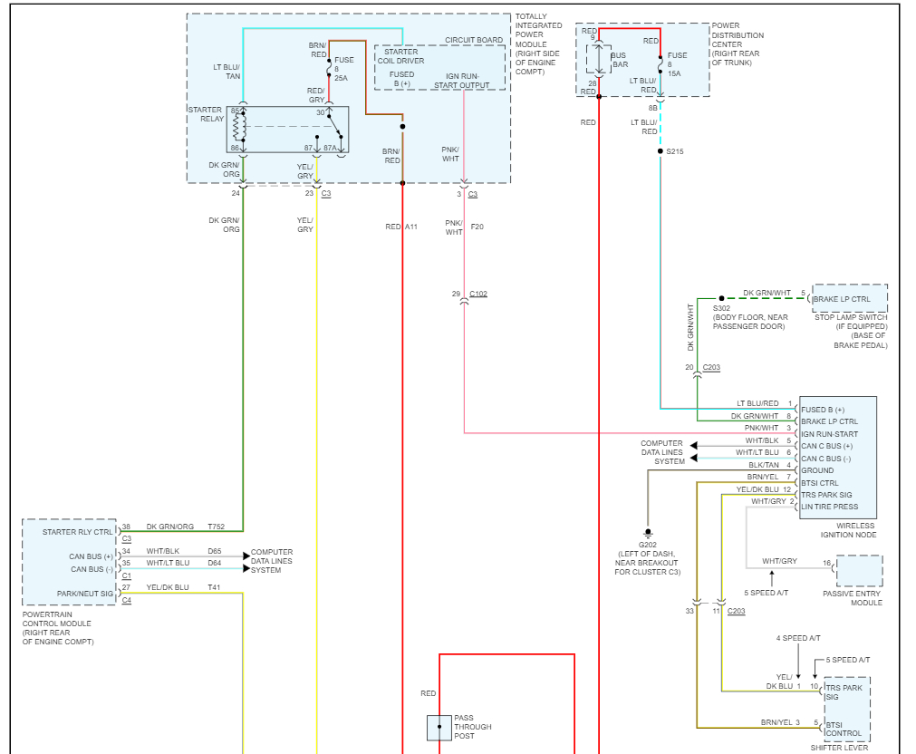
The car started shifting a little rough and threw some transmission solenoid codes, i decided to replace the transmission because I don't mess with any internals in the transmission. So, one day I drove in my garage and replaced the transmission with a used transmission I bought from a friend. After doing the transmission service I tried to start the engine and it would only crank. So, I checked for codes and nothing, I checked for basic things at first, I made sure I could hear the fuel pump turn on with ignition on and that was good, i checked for spark at the ignition coil #2 with a spark tester and while cranking i did not see any spark. The "new transmission housing" I put came with the Crankshaft position sensor so at first I thought it was that the CKP was bad so I replaced it with the original CKP sensor I previously had on the old transmission housing and made no difference, and just to make sure it was good i ended buying a new CKP sensor from Auto Store and nothing. So, i pulled out a few diagrams I found of it, I did check CKP connector gets 5V, ground and also checked with a multimeter and while cranking that it was sending out .200 signal. I checked for continuity on that signal wire all the way to PCM connector and it was good. I also checked Camshaft Position sensor for the same stuff, 5V, ground and signal out. Good. I was thinking PCM had gotten unprogrammed because we had disconnected the battery for a few hours straight so i ordered an already flashed to your VIN PCM ready to plug and play. While that arrived i was doubting the PCM had an issue because i could hook up my scanner to it and do active test on it, but while I waited on that to arrive I replaced the Short Runner Valve from Junkyard car, replaced a CPS with junkyard donor, I started checking coil connectors, yellow wire does show power when key on, I checked all fuses and relays, I checked for Auto Shut down relay and it seems to work fine, i even though the "New" transmission was the issue so I took it down and put the old one back up just to see if it had anything to do with the transmission but still won't start. Just cranks, doesn't sound like timing chain broke either, sounds like good compression, after replacing the transmission again with the new trans thinking my problem was the PCM it arrived today, we plugged it up, I made sure to check for codes and nothing, cranked it and still doing the same thing, I don't know what else to check hopefully you guys can help me out!
Aug 26, 2023 at 7:17 PM



















