Will not crank over

2003 JAGUAR S-TYPE
67,000 MILES • 6 CYL • 2WD • AUTOMATIC
Avatar
AUSTINO
  • MEMBER
  • 220 POSTS
Hello good afternoon, I am not getting anything off the car ignition when I turn the key for the car to start, however when I use a screw driver to bridge the starter at the bottom of the car it starts. Do you know what Is causing that to happen? If yes can you give me a solution please? Thank you.
NB
Please note that the car is a crash car that I am trying to fix.
Aug 24, 2018 at 11:03 AM
Advertisement
Avatar
STRAILER
  • CERTIFIED EXPERT
  • 53,854 POSTS
Hello,

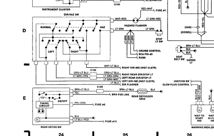
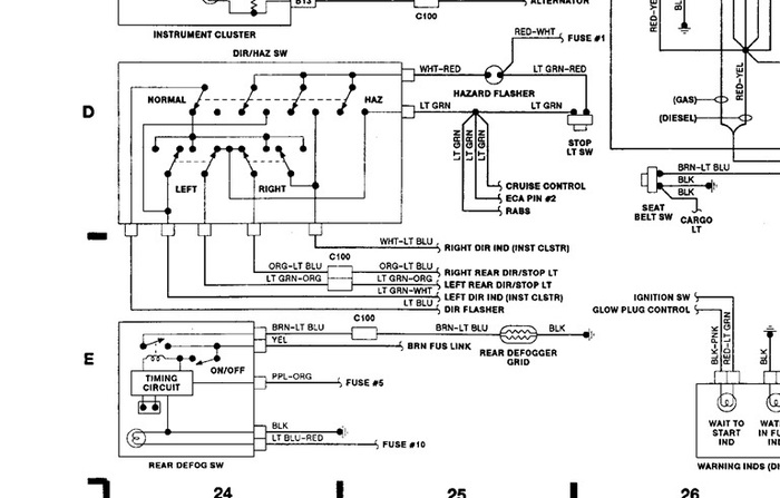
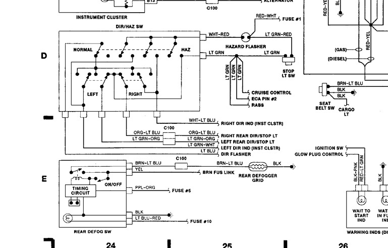
There is a starter relay in the front fuse panel that needs to be checked. Here is a guide to help us get started the relay location and the starter wiring diagrams so you can see how the system works:

https://www.2carpros.com/articles/how-to-check-an-electrical-relay-and-wiring-control-circuit

Please check the fuses as well.

https://www.2carpros.com/articles/how-to-check-a-car-fuse

Check out the diagrams (below). Let us know what happens and please upload pictures or videos of the problem.

Cheers, Ken
Aug 25, 2018 at 2:40 PM
Avatar
AUSTINO
  • MEMBER
  • 220 POSTS
Thank you Ken, I will let you know what happens.
Aug 25, 2018 at 7:46 PM
Advertisement
Avatar
STRAILER
  • CERTIFIED EXPERT
  • 53,854 POSTS
Please let us know what you find. We are interested to see what it is.

Cheers, Ken
Aug 26, 2018 at 10:45 AM
Avatar
AUSTINO
  • MEMBER
  • 220 POSTS
Hello.
Aug 29, 2018 at 8:55 AM
Avatar
STRAILER
  • CERTIFIED EXPERT
  • 53,854 POSTS
Hello, Did you find something or need more help? Cheers, Ken
Aug 29, 2018 at 10:28 AM
Avatar
AUSTINO
  • MEMBER
  • 220 POSTS
Hello, this is a follow up question from the one that I posted before. So I checked all the fuses and they are okay. The battery in the car is a new working one. The car is still not cranking or starting. However, the security system/alarm system is not working. Can you tell me how to get it working again? I think that is causing the vehicle to not crank or start. What are your thoughts? Please help. Thanks.
Aug 29, 2018 at 10:36 AM
Avatar
AUSTINO
  • MEMBER
  • 220 POSTS
Ken, I did ask this question earlier in the" Ask A Question box". I also added a video and picture of the car. Do you think you can find it please?
Aug 29, 2018 at 10:39 AM
Avatar
AUSTINO
  • MEMBER
  • 220 POSTS
Hello, this is a follow up question from the one that I posted before. So I checked all the fuses and they are okay. The battery in the car is a new working one. The car is still not cranking or starting. However, the security system/alarm system is not working. Can you tell me how to get it working again? I think that is causing the vehicle to not crank or start. What are your thoughts? Please help. Thanks. See images or video of the vehicle below please.
Aug 29, 2018 at 3:31 PM (Merged)
Avatar
STRAILER
  • CERTIFIED EXPERT
  • 53,854 POSTS
Thanks for the video. We need to go over the power and grounds for the security system to make sure it is working. Here is a guide and the wiring diagrams to help you see how the system works and where to test:

https://www.2carpros.com/articles/how-to-check-wiring

Check out the diagrams (below). Please let us know what happens.

Cheers, Ken
Aug 30, 2018 at 9:36 AM
Avatar
AUSTINO
  • MEMBER
  • 220 POSTS
Good afternoon, thank you for the information Ken. We will let you know what happens soon.
Aug 30, 2018 at 10:18 AM
Avatar
AUSTINO
  • MEMBER
  • 220 POSTS
Hello , I checked and the security /alarm system is not working, can you tell me how to fix it please ? Thanks
Aug 31, 2018 at 7:49 AM
Avatar
STRAILER
  • CERTIFIED EXPERT
  • 53,854 POSTS
Can you tell me if the security light is flashing when you crank the car over?
Aug 31, 2018 at 12:26 PM
Avatar
AUSTINO
  • MEMBER
  • 220 POSTS
I bought the car from someone crashed so I am just trying to repair it, so as a result I don't know which light is the security light.Can you help me to identify the security light please?
Aug 31, 2018 at 2:53 PM
Avatar
AUSTINO
  • MEMBER
  • 220 POSTS
Do I have to program the remote for the car before it can start the car? Just wondering. Thanks
Aug 31, 2018 at 3:12 PM
Avatar
STRAILER
  • CERTIFIED EXPERT
  • 53,854 POSTS
Yes, you do need to program the remote to the car which a shop or dealer must do.
Sep 1, 2018 at 10:59 AM
Avatar
AUSTINO
  • MEMBER
  • 220 POSTS
Oh, okay. Thanks
Sep 1, 2018 at 11:02 AM