Ignition key problem?

2000 JEEP GRAND CHEROKEE
135,000 MILES • 4.7L • V8 • 4WD • AUTOMATIC
Avatar
GARYCULLAR
  • MEMBER
  • 2 POSTS
Car starts and runs and everything works fine. The ignition key will not turn back to the lock position. It will only go back to the off position. You can remove the key from the off position. Feels funny though. Transmission selector can be moved to any position with the key in or out, running or not. Do not need to step on the brake pedal to move shifter.
Jul 14, 2018 at 4:28 PM
Advertisement
Avatar
GARYCULLAR
  • MEMBER
  • 2 POSTS
After lots of trouble shooting, I discovered the poly-rubber-doohickey that covers the shift button was lodged up inside the shifter. This prevented the button from returning to its normally out position. Once this was properly installed all systems started working normally.
Jul 15, 2018 at 9:09 AM
Avatar
RENEE L
  • CERTIFIED EXPERT
  • 1,260 POSTS
Hello GARYCULLAR,

Great job! So happy to read that you were able to fix your issue with the ignition key not turning back. Thank you for posting the solution it may help someone else experiencing the same problem.
Thank you for using 2CarPros. Please return to the site for any automotive repair questions.

Kindest regards,

Renee
Jul 15, 2018 at 4:20 PM
Advertisement
Avatar
JONBOY0113
  • MEMBER
  • 1 POST
Sometimes when I try to start it. The key does not want to turn and I have to keep trying until it works.
Sep 2, 2020 at 12:15 PM (Merged)
Avatar
JACOBANDNICKOLAS
  • CERTIFIED EXPERT
  • 110,175 POSTS
Welcome to 2carPros.

Often times, the key itself will wear out and it becomes more difficult to actually release the tumbler. See if a different key makes a difference. Also, try spraying a small amount of key cylinder lubricant in it to see if that helps.

If none of this helps, you will most likely need to replace the key and tumbler. Here are the directions for that. The attached pictures correlate with the directions. Also, please note that these directions are for both the switch (electronic) and ignition switch lock cylinder. When you read through the directions, it indicates the steps you need to take for just the lock.

______________________________

PROCEDURES
The ignition key must be in key lock cylinder for cylinder removal.

REMOVAL
If removing key lock cylinder only, refer to first 6 steps. If removing ignition switch only, refer to steps 1 and 2 and proceed to steps 7 through 13.
1. Disconnect negative cable from battery.
2. Place transmission shifter in PARK position.
3. Place tilt steering wheel in full up position.

Retaining Pin
pic 1

4. A retaining pin is located at bottom of key lock cylinder housing.
5. Rotate key to RUN position.
6. Press in on retaining pin while pulling key cylinder from housing. After removal, note position of alignment tang at end of cylinder. When installing lock cylinder, key must be rotated back to RUN position.
7. Remove steering column lower opening cover.

Shroud Removal/Installation
pic 2

8. Remove upper and lower covers (shrouds) from steering column:

Fixed Column Shroud Removal/Installation
pic 3

9. Remove upper fixed column shroud (2 screws).

Smart Key Immobilizer Module And Mounting Screw
pic 4

10. Remove SKIM (Smart Key Immobilizer Module) (1 screw).
11. Disconnect electrical connectors at switch.

Ignition Switch Mounting Screw
pic 5

12. Remove ignition switch mounting screw. Use tamper proof torx bit (Snap-On TTXR10E or equivalent) to remove screw.

Ignition Switch Lock Tabs
pic 6

13. Using needle-nose pliers, squeeze both switch lock tabs and gently pull switch away from column. Do not rotate key lock cylinder when ignition switch is being removed or has been removed from steering column.

INSTALLATION
If installing key lock cylinder only, refer to steps 1 through 4 then proceed to steps 10 through 14. If installing ignition switch only, refer to steps 5 through 14.
1. Be sure transmission shifter is still in PARK position.
2. Rotate key in lock cylinder to RUN position.
3. Install key cylinder into housing by aligning retaining pin into retaining pin slot. Push key cylinder into housing until retaining pin engages. After pin engages, rotate key to OFF or LOCK position.
4. Check for proper retention of key cylinder by attempting to pull cylinder from housing.
5. Place ignition switch into opening on steering column housing. If switch will not fit into housing, do not force it. Remove switch from housing and rotate key cylinder (slightly) for alignment. Push switch into column housing until 2 lock tabs have engaged.
6. Install ignition switch mounting screw. Tighten screw to 3 Nm (30 in. lbs.) torque.
7. Connect electrical connectors to ignition switch. Make sure that switch locking tabs are fully seated in wiring connectors.
8. Install SKIM (Smart Key Immobilizer Module) (1 screw). Tighten screw to 3 Nm (30 in. lbs.) torque.
9. Install steering column covers (shrouds).
10. Connect negative cable to battery.
11. Shifter should lock in PARK position when key is in LOCK position. Shifter should unlock when key rotated to ON position.
12. With engine running, shifter should not be unable to be moved from PARK position until brake pedal has been depressed.
13. Check for proper operation of ignition switch in ACCESSORY, LOCK, OFF, ON, RUN, and START positions.
14. Steering wheel should lock when key is in LOCK position. Rotate steering wheel to verify. Steering wheel should unlock when key is rotated to ON position.

_______________________________

Let me know if this helps or if you have other questions.

Take care,

Joe
Sep 2, 2020 at 12:15 PM (Merged)
Avatar
J12
  • MEMBER
  • 1 POST
Get in my vehicle this morning to crank up and my ignition is like it is stuck on and my key turns back and forth but will not crank up. I had to disconnect battery so my it would not go drain out. Need help.
Sep 2, 2020 at 12:15 PM (Merged)
Avatar
ASEMASTER6371
  • CERTIFIED EXPERT
  • 52,796 POSTS
Good morning,

The most likely cause is the ignition switch. It may have failed internally not responding to the key positions.

Roy

The ignition key must be in key lock cylinder for cylinder removal.

REMOVAL
If removing key lock cylinder only, refer to first 6 steps. If removing ignition switch only, refer to steps 1 and 2 and proceed to steps 7 through 13.
1. Disconnect negative cable from battery.
2. Place transmission shifter in PARK position.
3. Place tilt steering wheel in full up position.

Retaining Pin
imageOpen In New TabZoom/Print

4. A retaining pin is located at bottom of key lock cylinder housing.
5. Rotate key to RUN position.
6. Press in on retaining pin while pulling key cylinder from housing. After removal, note position of alignment tang at end of cylinder. When installing lock cylinder, key must be rotated back to RUN position.
7. Remove steering column lower opening cover.

Shroud Removal/Installation
imageOpen In New TabZoom/Print

8. Remove upper and lower covers (shrouds) from steering column:

Fixed Column Shroud Removal/Installation
imageOpen In New TabZoom/Print

9. Remove upper fixed column shroud (2 screws).

Smart Key Immobilizer Module And Mounting Screw
imageOpen In New TabZoom/Print

10. Remove SKIM (Sentry Key Immobilizer Module) (1 screw).
11. Disconnect electrical connectors at switch.

Ignition Switch Mounting Screw
imageOpen In New TabZoom/Print

12. Remove ignition switch mounting screw. Use tamper proof torx bit (Snap-On TTXR10E or equivalent) to remove screw.

Ignition Switch Lock Tabs
imageOpen In New TabZoom/Print

13. Using needle-nose pliers, squeeze both switch lock tabs and gently pull switch away from column. Do not rotate key lock cylinder when ignition switch is being removed or has been removed from steering column.
Sep 2, 2020 at 12:15 PM (Merged)
Avatar
1997LAREDO
  • MEMBER
  • 6 POSTS
i would like to install a push button ignition into my 1997 jeep grand cherokee laredo with a keyless entry and startup
Sep 2, 2020 at 12:16 PM (Merged)
Avatar
ASEMASTER6371
  • CERTIFIED EXPERT
  • 52,796 POSTS
why?? why dont you just repair whatever issue you have??

what is the exact issue??
Roy
Sep 2, 2020 at 12:16 PM (Merged)
Avatar
1997LAREDO
  • MEMBER
  • 6 POSTS
no issue i would just like to install it because i like it better its more convenient for me
Sep 2, 2020 at 12:16 PM (Merged)
Avatar
ASEMASTER6371
  • CERTIFIED EXPERT
  • 52,796 POSTS
you need a hot wire and you need the other side to go to the starter small terminal. use a single pole switch.

Roy
Sep 2, 2020 at 12:16 PM (Merged)
Avatar
1997LAREDO
  • MEMBER
  • 6 POSTS
okay thank you so it is possible to be done
Sep 2, 2020 at 12:16 PM (Merged)
Avatar
ASEMASTER6371
  • CERTIFIED EXPERT
  • 52,796 POSTS
yes it is. not advised but it can be done

Roy
Sep 2, 2020 at 12:16 PM (Merged)
Avatar
CATHY MOATS
  • MEMBER
  • 2 POSTS
I lost the keys so I dug the ignition out with a screwdriver, drive it for a week. Then bought a new ignition. I did not take the negative battery post off before I put the new one in, so it does not start at all . I have lights but nothing. So I put the old one back in and nothing. So now the guy who gave me the vehicle finds an old key that was the original. Now what do I do first?
Sep 2, 2020 at 12:16 PM (Merged)
Avatar
KASEKENNY
  • CERTIFIED EXPERT
  • 18,907 POSTS
Couple questions. First, is the red theft light remaining on or flashing when you are trying to start the vehicle? If so, we have a theft issue that we are going to have to disarm.

If not then we have an issue with the ignition switch most likely. Let us know if the theft light is staying on or not and we can go in that direction.
Sep 2, 2020 at 12:16 PM (Merged)
Avatar
CHERRYMOO
  • MEMBER
  • 1 POST
My vehicle was broken into. They tried to get it started by breaking the ignition switch. Now I need to replace the ignition switch, but I have not found a way to do that with the airbag in the way. Any suggestions would be helpful.
Sep 2, 2020 at 12:16 PM (Merged)
Avatar
CARADIODOC
  • CERTIFIED EXPERT
  • 34,306 POSTS
Removing the air bag is a matter of four nuts and an electrical connector, but removing it is not necessary if you are just removing the ignition switch or cylinder. There will typically be three torx screws to remove from the bottom of the covers under the steering wheel. Two hold the top and bottom halves together, and one holds the pair to the column. Once those are removed, do you want to replace the switch or just the cylinder?

Removing the switch requires removing three tamper-proof torx screws. Removing just the cylinder requires a roll pin to be pushed in, but the key has to be inserted to do that.
Sep 2, 2020 at 12:16 PM (Merged)
Avatar
  • MEMBER
  • 13 POSTS
Replaced battery a week later ignition lock cylinder broke. replaced it and the switch now have new keys.Turn key on dash lights work no crank.Security light on dash stays on been on since i bought car.Alarm not being set off.Door locks don't lock but they unlock.Replaced NSS and checked starter through the relay it cranked and started one time when i tried again it cranked but no start. it also cranked with screwdriver at solenoid. I tried switching the starter relay with the other 3 that are the same relays.no luck.
Sep 2, 2020 at 12:17 PM (Merged)
Avatar
CARADIODOC
  • CERTIFIED EXPERT
  • 34,306 POSTS
Most of the starter system can be broken down into four parts, each with a test point at the starter relay's socket. For now, we don't even have to know which terminal is for which circuit. Remove the relay, then use a test light to check each of the four terminals.

Here's a link to an article on using a test light, if you need it:

https://www.2carpros.com/articles/how-to-use-a-test-light-circuit-tester

You can find a test light at Harbor Freight Tools, Walmart, or any hardware store.

You may see a fifth terminal in the middle of the socket. Ignore that one as it is rarely used. Connect the test light's ground clip to a good ground or the battery's negative post, then probe the four terminals. The test light should light up bright on only one of them.

Of the three remaining terminals, the test light will light up full brightness on just one of them only when the ignition switch is turned to the "crank" position. Use a helper to turn the switch if you can't see the test light from inside the vehicle

In less than a minute, two parts of the system have been checked. Testing the other two parts takes even less time. The test light's clip lead must be moved from ground to the battery's positive post because we'll be checking ground circuits. Assuming the two 12-volt circuits are okay, those two terminals can be ignored now. We only need to look at the two remaining terminals. The test light should light up on both of them. On one of them, the light will turn off when you shift out of "park" or "neutral", but it must turn back on when you shift back into park or neutral. On the other terminal, the test light should always be on full brightness.

Let me know what you find with those four tests, then we'll figure out where to go next.
Sep 2, 2020 at 12:17 PM (Merged)
Avatar
  • MEMBER
  • 13 POSTS
Number 30 lights up by itself. the other 3 none light up cranking the key. next test #85 and #87 light up #85 goes off and on when shifting #87 stays lit.#86 did nothing on both tests.
Sep 2, 2020 at 12:17 PM (Merged)
Avatar
CARADIODOC
  • CERTIFIED EXPERT
  • 34,306 POSTS
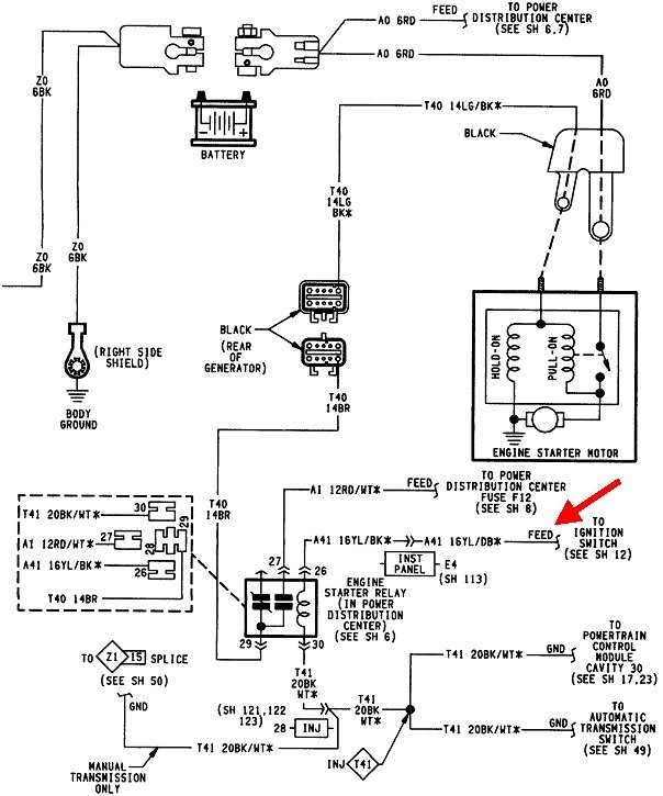
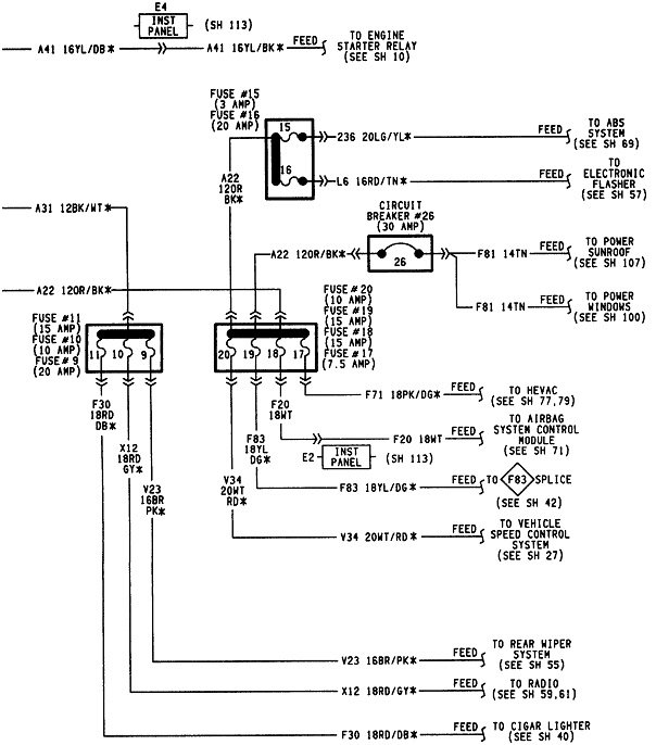
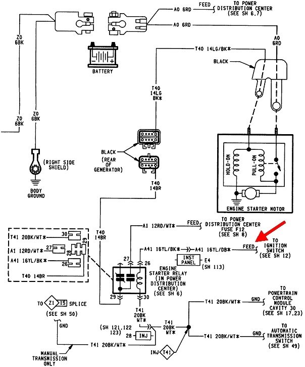
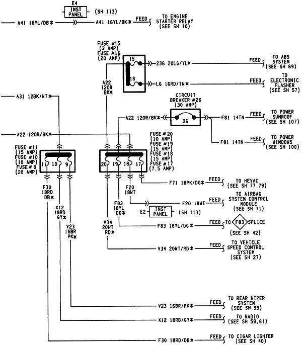
Dandy. This is going to involve the ignition switch. In the first diagram, the red arrow is pointing to the circuit where 12 volts is not showing up from the ignition switch. In the second diagram, the arrow is pointing to the terminal it comes from in that switch.

There's two things to look for. The first is you'll need to pop the lock cylinder out, then look at the end of it to see if it is broken. This applies to early '90s Caravans, including my '94 Grand Voyager daily driver, and some other models. There were actually three different designs of these lock cylinders, and Jeeps used the least common of the three, but since you replaced the ignition switch, the entire switch with its matching lock cylinder will bolt right onto all the other models. If you have the style that came originally in a minivan, look at the round disc on the end of the cylinder. It has a raised lip with a notch in it that matches a key inside the switch. The end of that lip cracks off resulting in the notch being too wide. When you rotate the cylinder with the key, it doesn't rotate the switch quite far enough to reach the "crank" position.

The second problem can be identified by looking at the terminals on the old switch. This shouldn't pertain to cranking, but it's not something we want to overlook. It is common to find two terminals that are black or discolored. If you see that, the mating terminals in the connector will also be discolored, and the connector body around them will be melted. The only proper repair for that is the switch must be replaced, and those two terminals must be cut out of the connector, then be replaced with a pair of universal crimp-type terminals. Four inches of wire must also be cut away because it will be hardened from the heat and solder won't adhere to it. Crimp the new terminals to the new pieces of wire, but solder them too for the best connection. Splice the wires to the original wires, then solder the joints and seal them with heat-shrink tubing. Never use electrical tape in a car as it will unravel into a gooey mess on a hot day.

Cut the connector body open to make enough room for the new terminals to fit in their holes. Plug the connector into the switch, then plug in each of the two new terminals individually.

You can also snip a connector off a vehicle in the salvage yard and remove two shiny terminals from it, along with the four inches if wire.

This ignition switch assembly has four separate switches built in. The terminal problem normally occurs on the terminals for the accessory circuit that includes the heater fan, power windows, and radio, especially when owners use the heater fan on the highest speed a lot, and when they're in the habit of turning the ignition switch on and off when leaving the heater fan set to a high speed. The arcing that takes place across those contacts in the ignition switch leads to the build-up of resistance which causes the heat to be generated. That heat migrates out to the terminals where it causes more resistance to develop that leads to additional heat build-up. When only the terminals or only the switch is replaced, the resistance in the other one is still there and will cause a repeat failure. Both the switch and the terminals must be replaced at the same time.

This wiring problem is less likely to occur to the starter circuit part of the switch because it is used very infrequently and for such a short period of time, however, once the ignition switch returns to the "run" position, the circuit that feeds this part now feeds other circuits that do continue drawing current. That's the A31 12BK/WT circuit that continues on the third diagram.

Check the connector terminals first, but my vote is for the disc on the end of the lock cylinder. If that is cracked, the Chrysler dealer's parts department has a repair kit for that. It involves cutting the disc off, sliding on the replacement, then you have to finish drilling a hole to accept the supplied roll pin. You could also just look for another lock cylinder in the salvage yard
Sep 2, 2020 at 12:17 PM (Merged)
Avatar
  • MEMBER
  • 13 POSTS
The switch and lock cylinder are new. do those cylinders come broken and can't I just get a new connector and splice it or fix the bad terminals? why do I need a new switch?
Sep 2, 2020 at 12:17 PM (Merged)
Avatar
CARADIODOC
  • CERTIFIED EXPERT
  • 34,306 POSTS
If the terminals are discolored from being overheated, there is no way to know if that started in the old switch or in the terminals. Most of the time it starts in the switch, then the heat migrates out to the terminals. The clue is it affects both of the pairs of terminals. If the heat build-up started in between one pair of terminals, it is unlikely that heat would make it to the other pair of terminals and that wire.

Regardless of where the heat problem started, the terminals and the switch must be replaced, because leaving either one in place will cause the problem to keep on occurring.

You can replace the entire connector if you want to, but to make the job go faster, I would only cut off the two wires with the overheated terminals, and splice them to the new connector. If you pull out the locking wedge, (usually red plastic), it will allow you to lift the plastic fingers that let the terminals be pulled out. Those that are nice and shiny yet can be transplanted into the new connector body. That will save you cutting and splicing wires that have nothing wrong with them.

I assumed when you replaced the ignition switch, it was a used one from the salvage yard. With the three different designs, the lock cylinder must match the switch, but once the cylinder is installed, that entire switch assembly can be interchanged with any of the other designs. That means you could have installed a switch that originally came in a minivan. For the problem you described, that broken disc was the most common cause, and it was an easy fix. I ran into this four times. Once on my mother's '95 Grand Caravan, twice at the dealership, and most recently, last summer on my '94 Grand Voyager daily driver. Coincidentally, the switch I put in my van came out of an early '90s Jeep.

Jeeps used a lock cylinder with what looks like a "T" on the end. It sits in two notches in the rotating part of the switch. I've never seen one of those break, so when you mentioned that, my first assumption was someone already replaced it years ago with the minivan-style switch. The easiest fix is to just unbolt one in the salvage yard and bolt it into your vehicle, and use the keys that came with it, as I am doing. If you want to keep your original keys that match the door locks, you have to find a replacement switch for a Jeep, then transplant the original lock cylinder into it.

Now that you said the ignition switch is new, if the old one had burned terminals, you only have to replace those two terminals yet. The switch half of the job is already done. As I mentioned previously, that starter circuit part of the switch is less likely to develop this problem, but if the switch is new, the reason 12 volts is not making it to the starter relay has to be a wiring issue.

Check for 12 volts on the red / white wire, (A1 12RD/WH), in the switch's connector. It should be there all the time. If it is missing, we'll have to work back to see where it is being lost. If you do have 12 volts there, but not on the yellow / dark blue in the "crank" position, there has to be a problem with the switch.

The only other thing I can think of is when you removed the lock cylinder, there was a roll pin that had to be pushed in about 3/16". When the cylinder is installed, that roll pin gets pushed back out the first time you turn it to the "crank" position. Pushing that pin out requires higher than normal force which might lead you to believe the switch has been turned as far as it should go. Most of the time this added force isn't really noticeable, but to insure this isn't the problem, turn it a little harder to see if the starter engages.
Sep 2, 2020 at 12:17 PM (Merged)
Avatar
  • MEMBER
  • 13 POSTS
I bought the switch and the lock cylinder new from O'reillys auto parts. Car started one time since then when i jumped it thru the starter relay,it wont start anymore but it still cranks.I checked the old switch nothings burnt or discolored and the same with the connector all the terminals are silver.I also pulled the lock cylinder out nothings broken.Tomorrow I will check the voltage on the wires. Thanks for all your help
Sep 2, 2020 at 12:17 PM (Merged)
Avatar
  • MEMBER
  • 13 POSTS
I did the tests on the wires red/white has 12.48v nothing on the blue/yellow in the crank position.To make sure both of the wires are on the ends of the connector the blue/yellow was hard for me to see.I tried to crank the key until it felt like it was going to break, nothing happened. Thanks again
Sep 2, 2020 at 12:17 PM (Merged)
Avatar
CARADIODOC
  • CERTIFIED EXPERT
  • 34,306 POSTS
Hold on. I think we're mis-communicating due to a problem with terminology. In your title, you listed, "vehicle cranks but does not start". In the first post, you said, "Turn key on dash lights work no crank", then all the tests you listed involved the starter system not working. In your reply from last night, you said, "it wont start anymore but it still cranks." That agrees with your title to this question, so you can see my confusion.

I've been thrown for a loop in the past when someone said they "cranked the engine", meaning they turned the ignition switch to the "crank" position. Then they added, it doesn't start", meaning the starter doesn't spin the engine. The term, "doesn't start" has always been a point of confusion that is often aggravated by radio commercials. To be sure we're talking about the same thing, I use the symptom description "crank / no-start" when describing the starter spins the engine, but the engine doesn't run, or I avoid using "doesn't start", and use "cranks, but doesn't run".

Another one is "turns over". Some people think that means they turned the ignition switch. "Turns over" means the starter is cranking, or turning, the engine. In an attempt to avoid this confusion, some of my replies become somewhat cumbersome or wordy, but it insures I'm thinking of the correct set of symptoms.

After rereading your comments a few times, any time you say the starter cranked the engine, please be sure to make clear whether that was by turning the ignition switch to "crank", or by jumping the two terminals at the starter or by doing something at the starter relay.

Now that I got that out of the way, last night you said, "it wont start anymore but it still cranks". Do you mean the engine is spinning when you turn the ignition switch to "crank", but it won't run? If so, try that while holding the accelerator pedal down 1/4". If that gets the engine running, there's an easy fix for that. I'll describe that later to avoid more confusion now.

Earlier today you said, "nothing on the blue/yellow in the crank position". If the starter engages when you turn the ignition switch to "crank", there has to be 12 volts on that blue / yellow wire. Where I usually make the mistake is not getting the probe in far enough or at the correct angle to touch the terminal.

Rather than wait for your next reply, let me jump ahead as it is starting to sound like the new switch has a problem. I see what you mean about the yellow / dark blue wire. It is in one of the two smaller holes. You might have better luck sticking a straightened-out paper clip in there. You have the correct two terminals, those on each end of the connector. A quick way to verify the switch is at fault is to jump those two wires together right there at the back of connector. You can do that with a pair of paper clips or a piece of wire. The engine should crank, but it won't run as long as the ignition switch is off. If you want the engine to run, turn the ignition switch to the "run" position, but be sure the transmission is in "park". We don't want you to look funny chasing after the vehicle as it drives away.

Oops; it just occurred to me the starter still won't engage unless the neutral safety switch is in the "park" or "neutral" positions. I'm ignoring that entire part of the system for now because your previous tests at the starter relay socket showed that to be working.

If you can't get the starter to engage by jumping those two wires, pull the connector off, then try again by going right on the terminal end with the paper clip or piece of wire. Now if the starter engages, either the new switch is defective or one of those two terminals is spread open too far to make contact with its mate. When a terminal is spread open, you can often get the circuit to work momentarily by tugging on the connector to bend it a little. That can move the spread terminal just enough for it to make contact.

Let me know what happens when you jump those wires.
Sep 2, 2020 at 12:17 PM (Merged)
Avatar
  • MEMBER
  • 13 POSTS
The car never did anything with the key just the dash lights work when key is on.The first time i jumped it through the relay it cranked and ran.I tried that two times after that it cranked but would not run. The same thing with jumping the starter it spins the starter but car wont run.I hope that's better.Sometimes I get confused typing all this stuff and i am typing with a mouse on a smart TV. I will try jumping those wires next.Thanks again.
Sep 2, 2020 at 12:17 PM (Merged)
Avatar
  • MEMBER
  • 13 POSTS
I turned the key on then jumped the two wires the car cranked and started. It was nice to hear it running. I tried to jiggle those wires around while holding the key in the crank position nothing happened. Going to get another switch.
Sep 2, 2020 at 12:17 PM (Merged)
Avatar
CARADIODOC
  • CERTIFIED EXPERT
  • 34,306 POSTS
This is not common, but it sure sounds like the switch is defective.

Once you get that replaced, the failure-to-run problem could very likely be due to idle speed is too low. This happens if the battery was disconnected for some other service. When that happens, it will run if you hold the accelerator pedal down 1/4".

The Engine Computer lost its memory and will relearn sensor personalities and fuel trim data as you drive, without you even noticing. "Minimum throttle", on the other hand, needs a very specific set of conditions for the computer to know your foot is off the accelerator pedal, then it takes a throttle position sensor reading and puts that in memory. From then on, any time it sees that voltage, it knows it has to be in control of idle speed.

To meet the conditions for minimum throttle to be relearned, drive at highway speed with the engine warmed up, then coast for at least seven seconds without touching the pedals.
Sep 2, 2020 at 12:17 PM (Merged)
Avatar
  • MEMBER
  • 13 POSTS
The new switch worked but not the first time i cranked it the second time i turned the key a little harder now it starts every time.I really appreciate everything you did for me i would have never thought the new switch was bad and i learned some things for next time,hopefully that's not real soon. Thanks again
Sep 2, 2020 at 12:17 PM (Merged)
Avatar
CARADIODOC
  • CERTIFIED EXPERT
  • 34,306 POSTS
Dandy. Happy to hear you solved this. Please come back to see us again.
Sep 2, 2020 at 12:17 PM (Merged)