Ignition does not come on when I press the engine switch

2008 TOYOTA HIGHLANDER
258,641 MILES • 3.5L • V6 • 4WD • AUTOMATIC
Avatar
MALLYBOY
  • MEMBER
  • 327 POSTS
My vehicle has not been turning ignition on when I depress brake pedal and press the engine start button. I have changed the main body ECU to see if it solved the problem but it didn't. I change the engine the engine start button but it didn't solved it. What could be component or which harness is short causing this problem?
Jul 26, 2021 at 12:23 AM
Advertisement
Avatar
JACOBANDNICKOLAS
  • CERTIFIED EXPERT
  • 110,175 POSTS
Hi,

Does anything electrical work on the vehicle? Also, have you checked for power to the starter? Here is a link that explains how to do that:

https://www.2carpros.com/articles/starter-not-working-repair

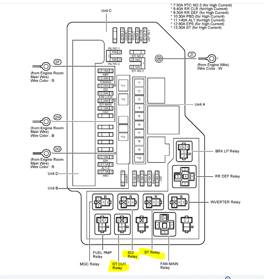
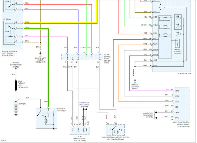
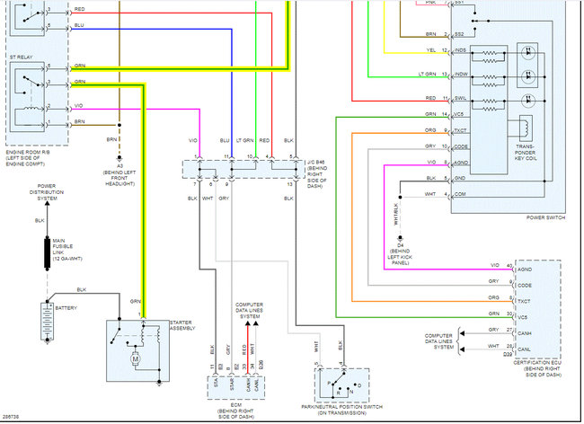
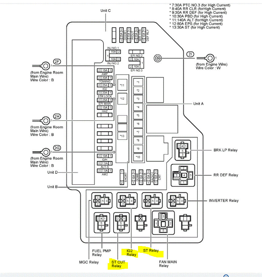
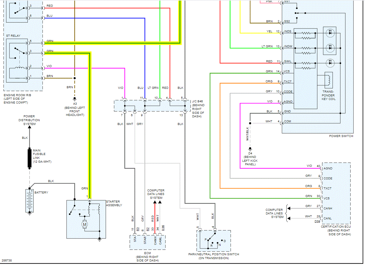
Have you checked the basics such as the fuses and the starter relay? I have attached two pics below. They are the entire wiring schematic for the starting system on this vehicle. I highlighted three fuses I would like you to check.

Note: When checking a fuse, it is important to make sure the fuse is good, but even more important to confirm there is power to it. Here is a link showing how that is done:

https://www.2carpros.com/articles/how-to-check-a-car-fuse

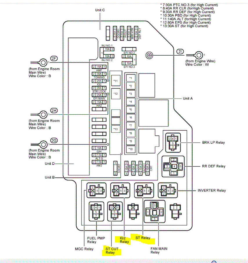
In addition to the fuses, I need you to check the related relays. They are located in the engine room junction box.

Pics 3 and 4 show the fuses I need to be checked as well as three relays that may be bad. As far as the fuses, again, confirm there is power to and from. As far as the relays, if there are other relays with the same part number, switch them one at a time to see if any make a difference. If there isn't one to use, here is a link showing how to test a relay.

https://www.2carpros.com/articles/how-to-check-an-electrical-relay-and-wiring-control-circuit

Let me know what you find or if you have other questions.

Take care,

Joe

See pics below.

Jul 26, 2021 at 7:57 PM
Avatar
MALLYBOY
  • MEMBER
  • 327 POSTS
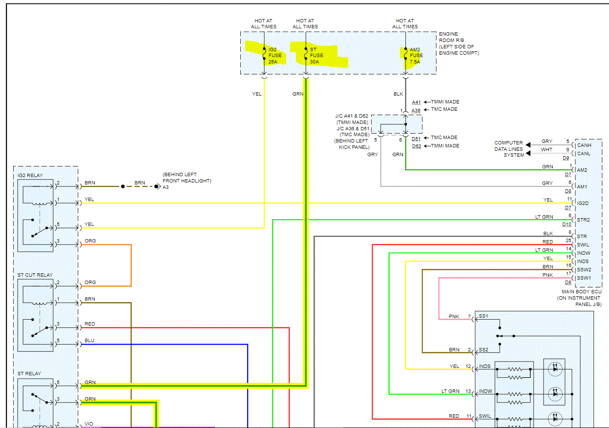
No electrical work has been done on the vehicle. For the basic: I have check the fuses before replacing main body ECU and engine switch: starter fuse,IG2 fuse and Am1 fuse all okay. I check the Ig2 relay using battery voltage apply on terminal 5 and 2 and it was clicking. I check resistance on terminal 1 and 3, there was resistance. I also used test-lamp to check power on terminal 5 of engine R/B IG2 relay connector, the light illuminate brightly, I remove IG2 fuse and it off. I also check power on the main body ecu socket(A)1 and (B)6 the light illuminate brightly.
Engine Switch: I also check for power between terminal 11 and ground(4,5) the test lamp illustrates. So remaining smart key box and ECM to test ignition signal.
Jul 27, 2021 at 2:25 AM
Advertisement
Avatar
JACOBANDNICKOLAS
  • CERTIFIED EXPERT
  • 110,175 POSTS
Hi,

It sounds like you have been busy. I attached some general diagnostics for when you check the immobilizer module.

Let me know what you find.

Joe
Jul 27, 2021 at 7:24 PM
Avatar
MALLYBOY
  • MEMBER
  • 327 POSTS
Yeah, I was busy tracing the wires one after another on the ignition diagram. I have check the smart box and it tested okay. How would I test those 2- ignition wires from ECM for power?
Jul 28, 2021 at 12:16 PM
Avatar
JACOBANDNICKOLAS
  • CERTIFIED EXPERT
  • 110,175 POSTS
Hi,

Which two are you referring to? Are you referring to the ECU?

Let me know. I'm sorry but I'm not sure which wires you are referring to. LOL

I will watch for your reply.

Joe
Jul 28, 2021 at 9:02 PM
Avatar
MALLYBOY
  • MEMBER
  • 327 POSTS
On the ECM: Socket B2(8)(STA) gray and B3(11)(STAR) black. This is what I am referring to.
Jul 29, 2021 at 11:33 AM
Avatar
JACOBANDNICKOLAS
  • CERTIFIED EXPERT
  • 110,175 POSTS
Hi,

The black wire turns to violet at the starter relay. This wire should provide a 5v reference to the relay engaging the relay and then sending power to the starter (s solenoid/green wire) to engage the starter.

Check for a 5v reference from the ECU on the black wire when the start button is pressed.

The gray wire (turns to blue at the cut relay) will only receive power if the transmission is in park or neutral and you pressure the starter button.

Let me know if that makes sense or if you have other questions.

Take care,

Joe
Jul 29, 2021 at 8:23 PM
Avatar
MALLYBOY
  • MEMBER
  • 327 POSTS
How do I Check for a 5v reference from the ECU on the black wire when the start button is pressed using multimeter?
Jul 29, 2021 at 11:21 PM
Avatar
JACOBANDNICKOLAS
  • CERTIFIED EXPERT
  • 110,175 POSTS
Hi,

You should be able to do it with a multimeter. Ground one side and probe the wire. Is that what you mean?

Joe
Jul 30, 2021 at 8:03 PM
Avatar
MALLYBOY
  • MEMBER
  • 327 POSTS
Okay! I have probe the wire but readings on the wire from ECM, could it be that the ECM is bad?
Aug 16, 2021 at 10:10 AM
Avatar
JACOBANDNICKOLAS
  • CERTIFIED EXPERT
  • 110,175 POSTS
Hi,

I'm not sure I understand what you found. When you indicated checking the wire, "but the readings on the wire from ECM...," I'm not sure what you found. If there is no signal, the ECM could be bad or an open in the wire.

Let me know.

Joe
Aug 16, 2021 at 7:40 PM
Avatar
MALLYBOY
  • MEMBER
  • 327 POSTS
"but the readings on the wire from ECM". Oh! Sorry, it's a mistake. I mean "there was no voltage readings on the reference wire from the ECM, could it be that the ECM is bad?
Aug 16, 2021 at 11:46 PM
Avatar
JACOBANDNICKOLAS
  • CERTIFIED EXPERT
  • 110,175 POSTS
Hi,

Yes, it could indicate that. What you will need to do is go right to the module and check for a signal at the connection (right at the pin where it connects). If it has a signal, then you have an open in the wire. If it doesn't, chances are the module is the problem.

Joe
Aug 17, 2021 at 3:47 PM