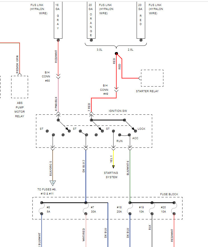
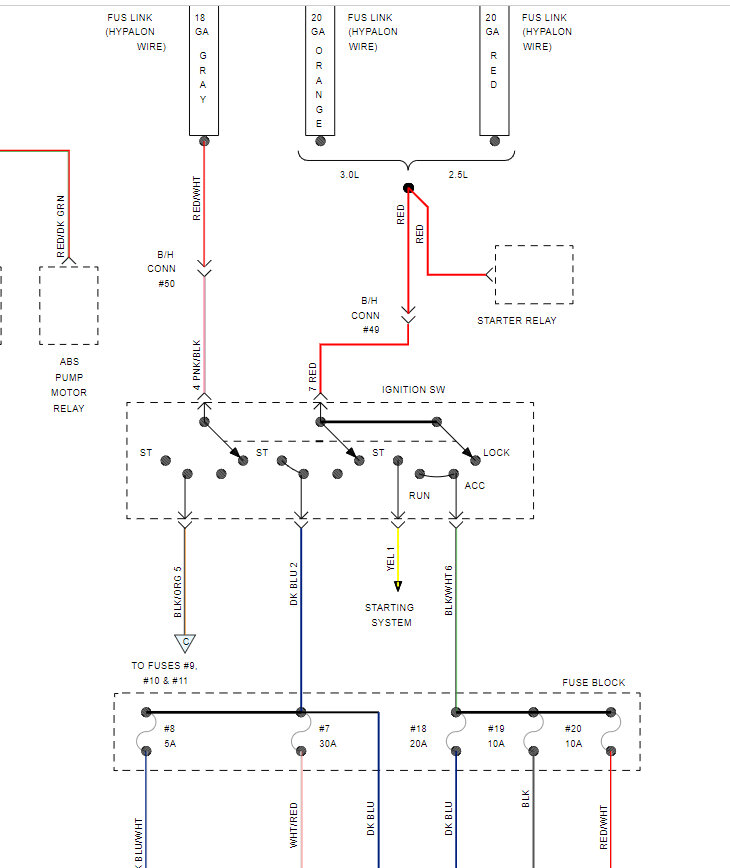
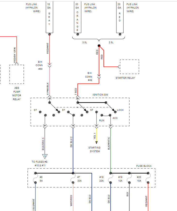
The vehicle will no longer shut off with the key turned into the off position. I believe it to be a faulty ignition cylinder. Cannot purchase a new one in Canada. Need wiring diagram to remote add new cylinder to start/stop vehicle.
Nov 30, 2023 at 10:21 AM






