☰
Login
Join
×
Home
Answered Questions
Repair Topics
Repair & Service Guides
Popular Questions
Warning Lights
Trouble Codes
How It Works
Testing / Diagnostics
Symptoms
Videos
Login
Become a Member
Home
Chevrolet
Corsica
General
Tools
Ignition cylinder replacement
1991 CHEVROLET CORSICA
136,000 MILES • 4 CYL • AUTOMATIC
TIFFANY ANN WELCH
MEMBER
1 POST
FOLLOW
I need to know how to replace my ignition cylinder. I have the part and the tools, just need to know how to actually do it. Thanks!
Jan 17, 2017 at 9:53 AM
Advertisement
HMAC300
CERTIFIED EXPERT
48,601 POSTS
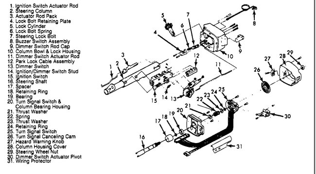
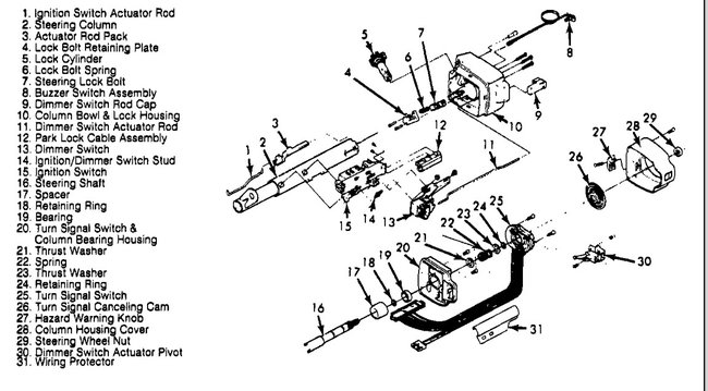
air bag module behind left dash. See pictures for instructions.
Images (Click to enlarge)
Jan 17, 2017 at 10:32 AM