ignition control module

1998 FORD CONTOUR
130,000 MILES • 4 CYL
Avatar
BROOKLEE STIEF
  • MEMBER
  • 1 POST
Where is the ignition control module located
May 2, 2016 at 6:03 PM
Advertisement
Avatar
STRAILER
  • CERTIFIED EXPERT
  • 53,854 POSTS
Hello,

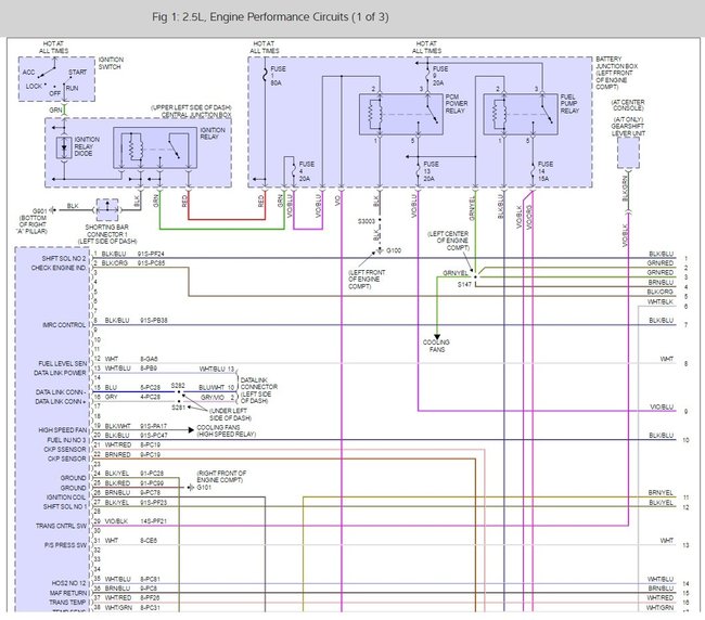
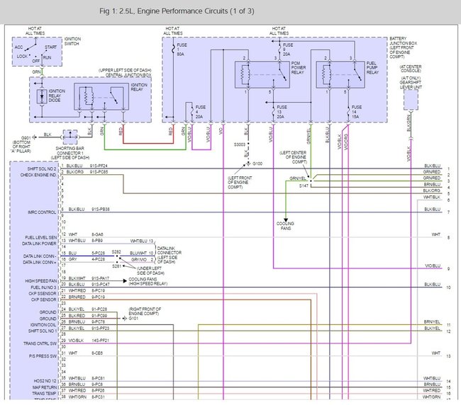
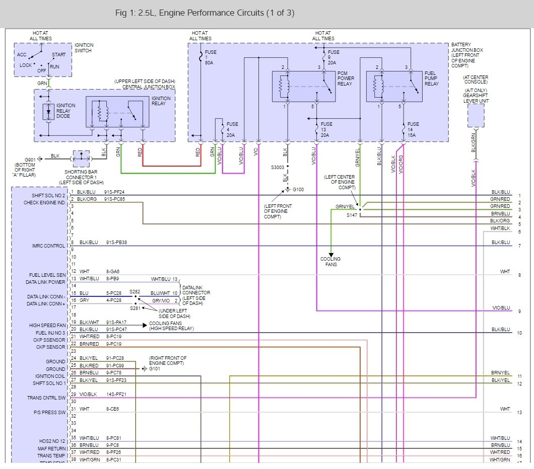
there is a ignition control relay and a crankshaft angle sensor but the amplification of the ignition signal is done by the ECM here are the ignition wiring diagrams as you can look for yourself.

Please let me know if you need anything else to get the problem fixed.

Best, Ken

Mar 28, 2017 at 8:29 PM
Avatar
DAWN39JONESBORO
  • MEMBER
  • 6 POSTS
a crankshaft sensor exactly where is it at on a 98 ford contour i can't see it and i tryed looking it up in the books and it doesn't show
Mar 28, 2017 at 8:29 PM (Merged)
Advertisement
Avatar
CATCH_15
  • CERTIFIED EXPERT
  • 250 POSTS
There's only one place in can be. Look on the front of the engine by the crank pulley.
Mar 28, 2017 at 8:29 PM (Merged)
Avatar
  • MEMBER
  • 0 POST
Does the 1999 Ford Contour SE, with the 2.5L Duratec engine, have an Ignition Control Module and if so, where is it located?
Mar 28, 2017 at 8:29 PM (Merged)
Avatar
ASEMASTER6371
  • CERTIFIED EXPERT
  • 52,796 POSTS
no, the spark is controlled by the crank sensor, pcm and coil.

Roy
Mar 28, 2017 at 8:29 PM (Merged)
Avatar
TONI E
  • MEMBER
  • 1 POST
Engine Mechanical problem
1996 Ford Contour 6 cyl Two Wheel Drive Automatic

Location of ignition control module
Mar 28, 2017 at 8:29 PM (Merged)
Avatar
BMRFIXIT
  • CERTIFIED EXPERT
  • 19,053 POSTS
PCM
powertrain control module
behind power steering reservoir
ignition control module is a part of the PCM
pcm responsible for firing the coil

*****************************************
need manual CHECK IT @
https://www.2carpros.com/kpages/auto_repair_manuals.htm
Mar 28, 2017 at 8:29 PM (Merged)