Ignition coil ballast and distributor?

1989 DODGE RAIDER
100,000 MILES • 2.3L • 4 CYL • 4WD • MANUAL
Avatar
MYPITTS
  • MEMBER
  • 1 POST
I need to know whether two wires go from the distributor to the ignition coil and ballast how the wiring run. thank you
Mar 12, 2025 at 4:50 PM
Advertisement
Avatar
STEVE W.
  • CERTIFIED EXPERT
  • 15,113 POSTS
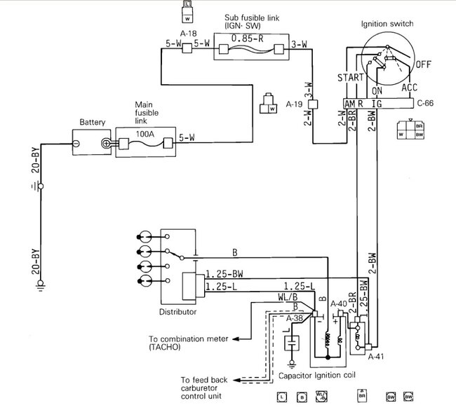
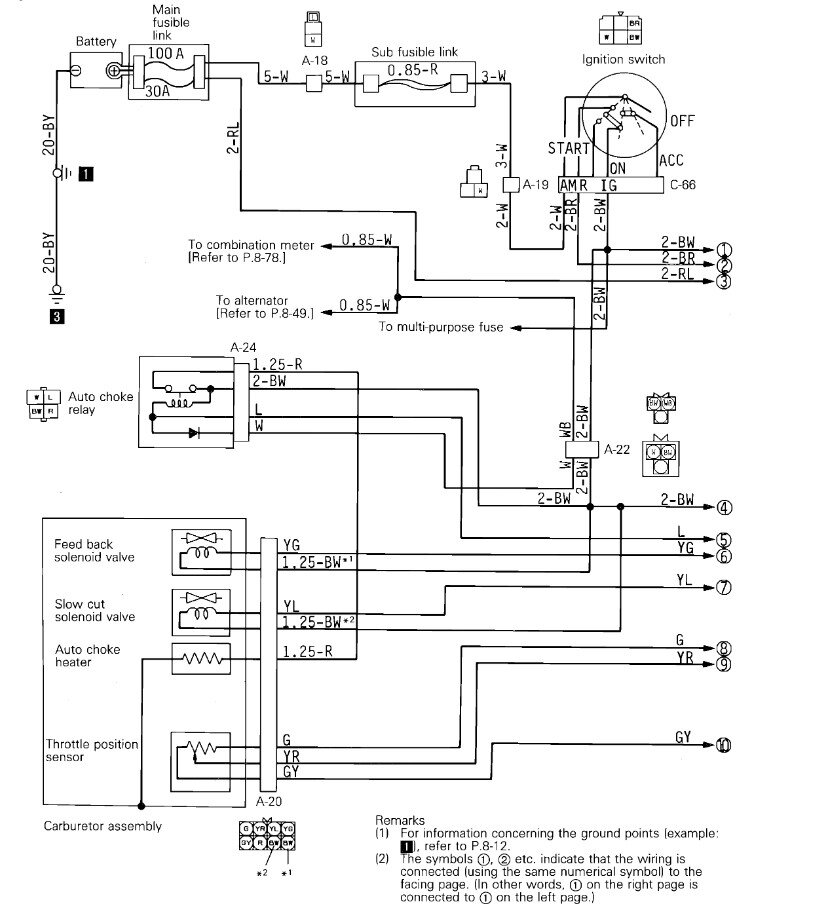
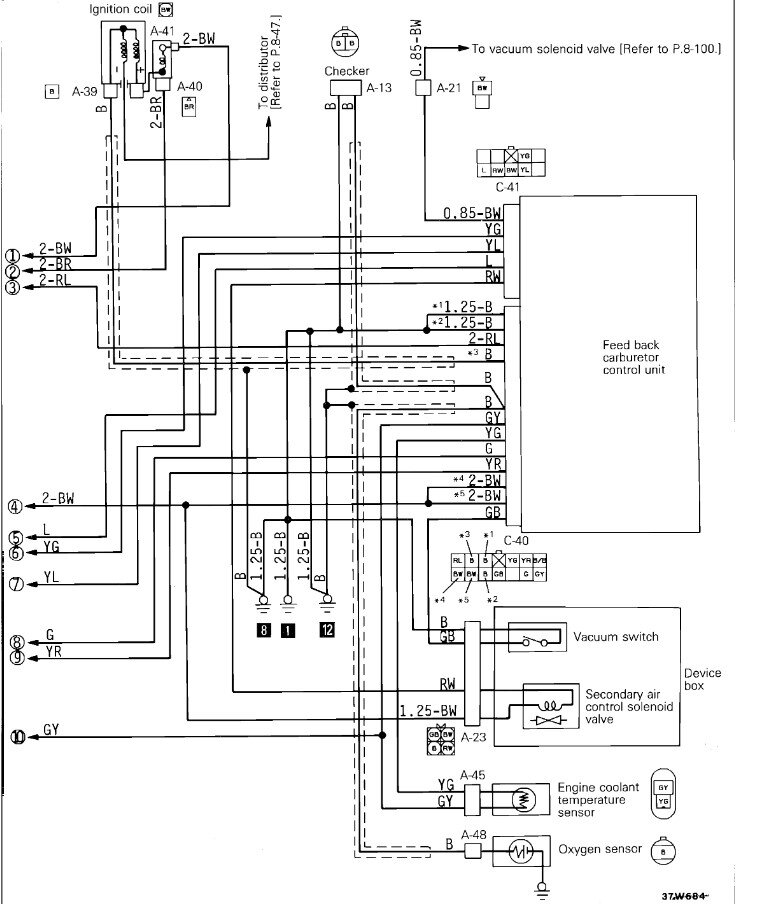
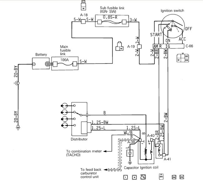
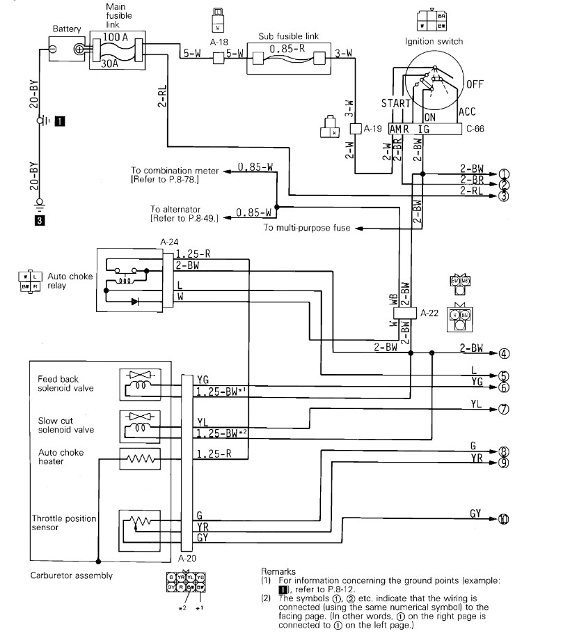
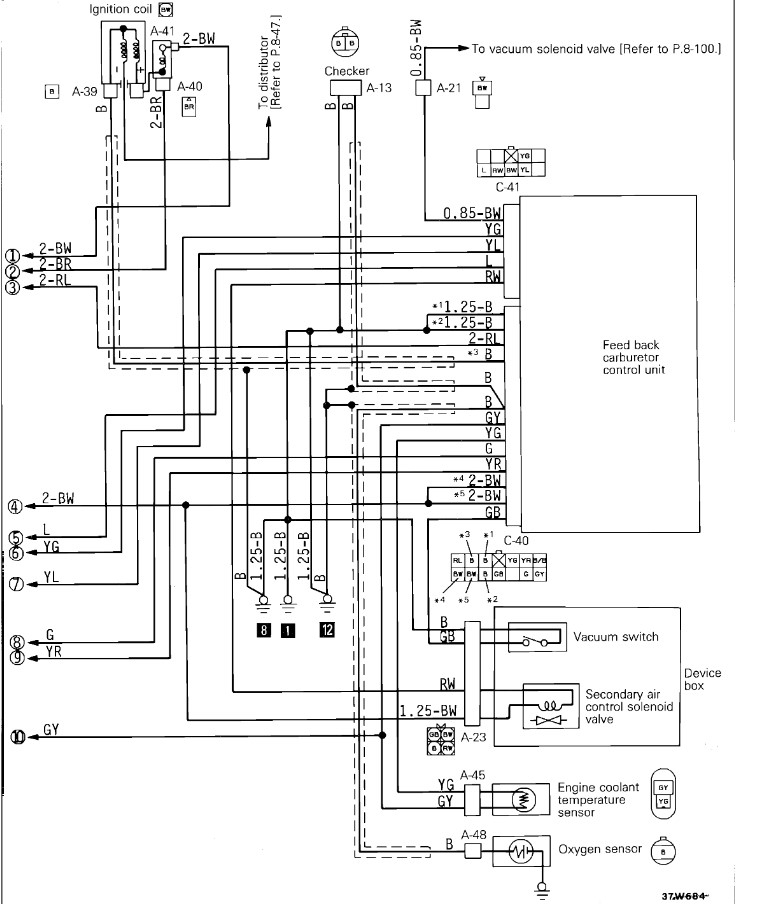
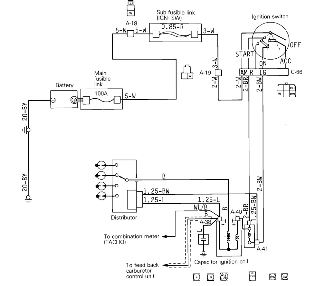
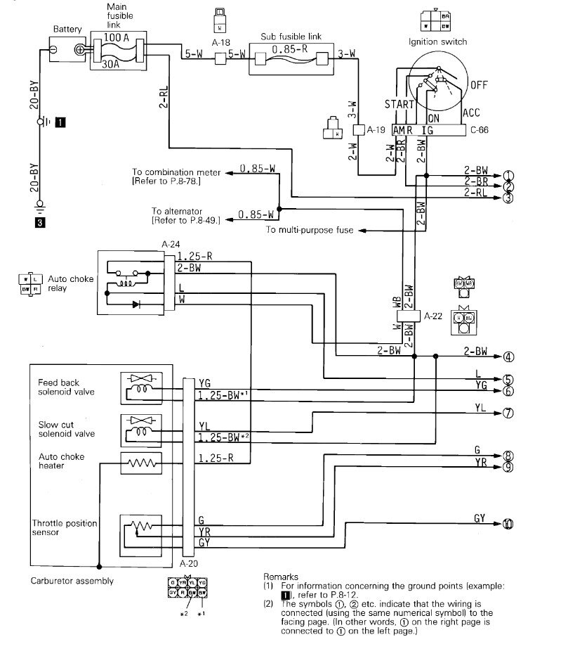
oh,they are a fun little truck. Just a rebadged Mitsubishi Montero in the US. Very good off road but getting harder to find parts for them. I had one with the 3.0 in it. Was so simple to work on. The 4 cylinder should be a 2.6 using the ignition diagram attached. The other 2 images are the full engine harness. The way it works is sort of simple. With the key in start position the coil gets the full battery power, then when the key switches to run the power goes through the resistor.
The ground side of the coil has a lot of connectors to the tach, the carb and the distributor.
The positive side goes to the resistor with the brown start wire attached and the other end gets the black with white wire from the run section of the switch.
Mar 12, 2025 at 10:55 PM