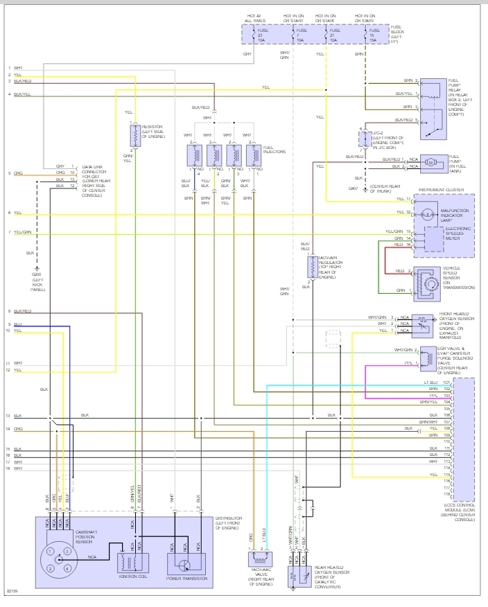
Touched the capacitor and it crumbled. So was looking up part number T50276. It is 0.5 uF from Mitsubishi. Cannot find it anywhere. Now is it electrolytic or Non electrolytic. Most under 1 uF is Non. Is this protecting from surges? Car will start sometimes but rare and when it does it does not want to idle, it is like I am intermittently depressing accelerator. seems like it is robbing power from other components too. And with it not in will I burn up other things on the run circuit?
Jun 14, 2016 at 12:37 PM


