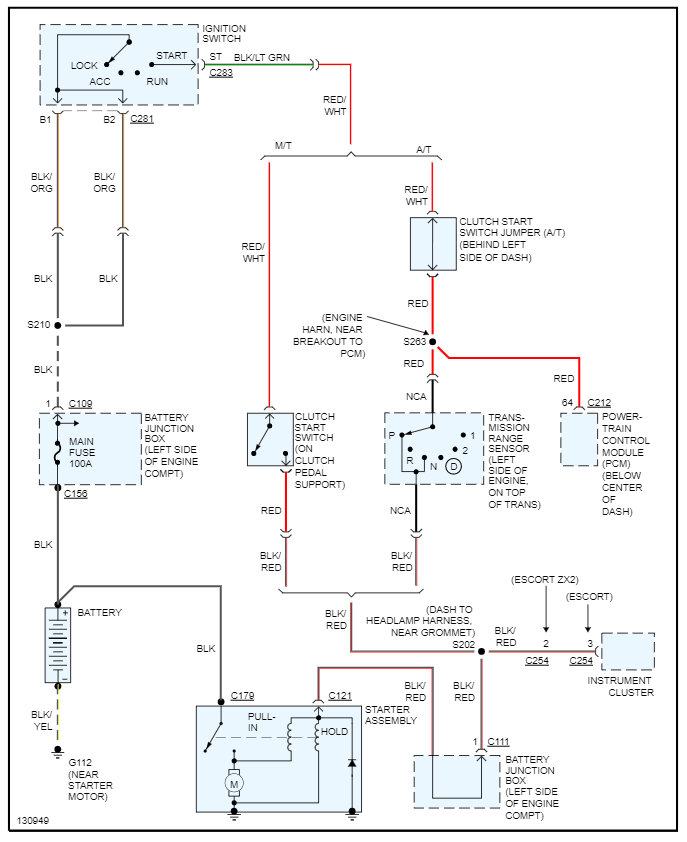
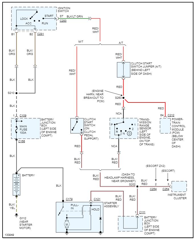
The ignition switch on my car is completely destroyed. I have been using a screwdriver to turn the ignition to start the car. But that does not work anymore. I know i need to replace it, but I cannot afford to do so at the moment. Is there a way for me to bypass the ignition and use a toggle switch and a momentary push button switch to turn the car on and start and drive it? The switch has markings for the wires like IG-1, IG-2, B-1, B-2, etc., and I am not sure what they all are. Maybe you could provide a schematic that shows the connections so that I can bypass it and use the toggle and momentary push button switch temporarily. Would appreciate some help if you are able. thanks
Jun 25, 2022 at 3:29 PM
