Blinking Anti-theft light?

2008 DODGE CARAVAN
190,000 MILES • 4.0L • V6 • 2WD • AUTOMATIC
Avatar
MCDEVITT21
  • MEMBER
  • 1 POST
my van won't start. It has a key fob ignition system, and when I try to start it the Anti-Theft light blinks and it does nothing, the alarm doesn't go off. I have reset the Anti-theft, but it does nothing. I have tried 2 different keys (fobs). I have disconnected the battery. What else can I try?

I did notice that the steering column is not locking? Could this be the issue, and how to fix? It is in park, and I cannot move the shifter.
Oct 30, 2019 at 8:31 AM
Advertisement
Avatar
MASTERWRENCH
  • CERTIFIED EXPERT
  • 258 POSTS
Welcome to 2CarPros!

Does the vehicle display any messages in the center of the dash when you insert and turn the key? Typical message are normally "Damaged Key" or "Wrong Key". If you don't have any messages displayed or response from the vehicle otherwise when the key is turned, it's very possible there is an issue with the ignition switch(Wireless Ignition Node). Regardless, I would see if there are any Diagnostic Trouble Codes set as this will aid in narrowing down the issue. Take a look at the article below for more information.

https://www.2carpros.com/articles/checking-a-service-engine-soon-or-check-engine-light-on-or-flashing

and

https://www.2carpros.com/articles/how-to-reset-a-security-system

This is an 03, uses a SKIM, not a WIN module. WIN have had recalls, and are notorious.
Oct 31, 2019 at 6:40 PM
Avatar
JOE SULPHUR
  • MEMBER
  • 1 POST
alarm comes on at inconvenient times.
Jan 21, 2021 at 11:01 AM (Merged)
Advertisement
Avatar
STRAILER
  • CERTIFIED EXPERT
  • 53,854 POSTS
Hello,

Yep these cars have a problem with the BCM module. You cant disarm it becasue it runs throughout the computer system.

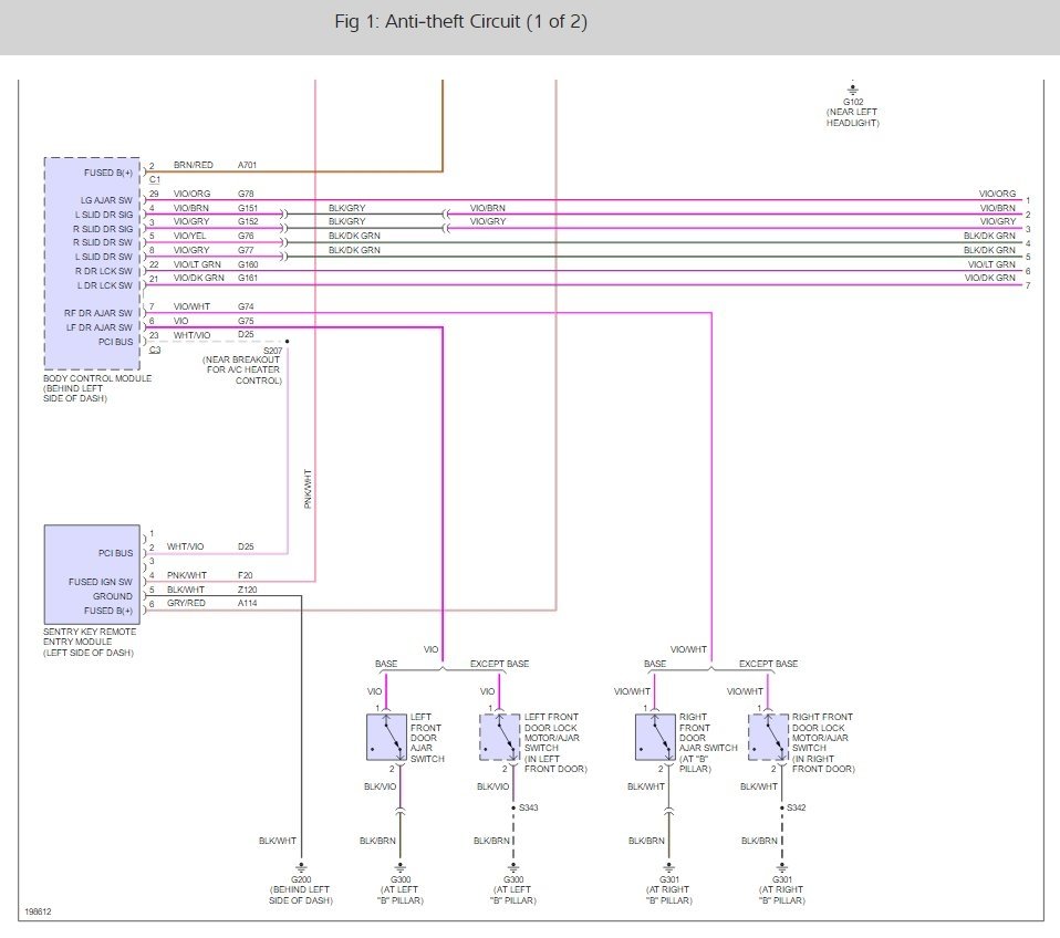
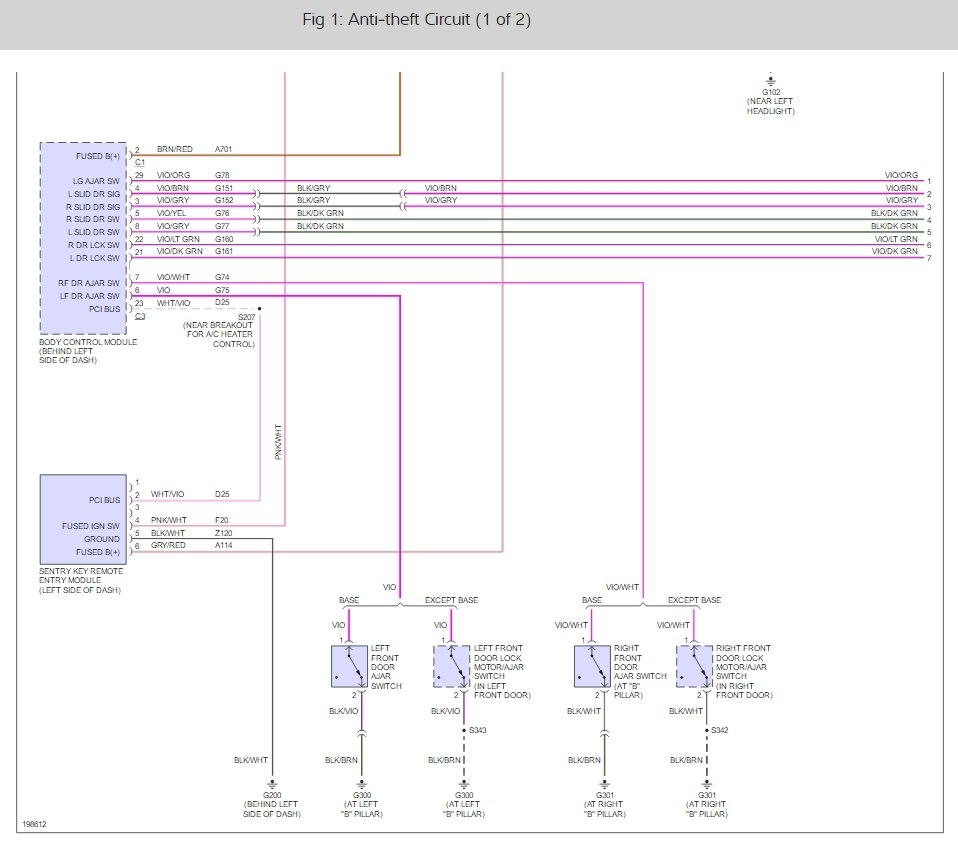
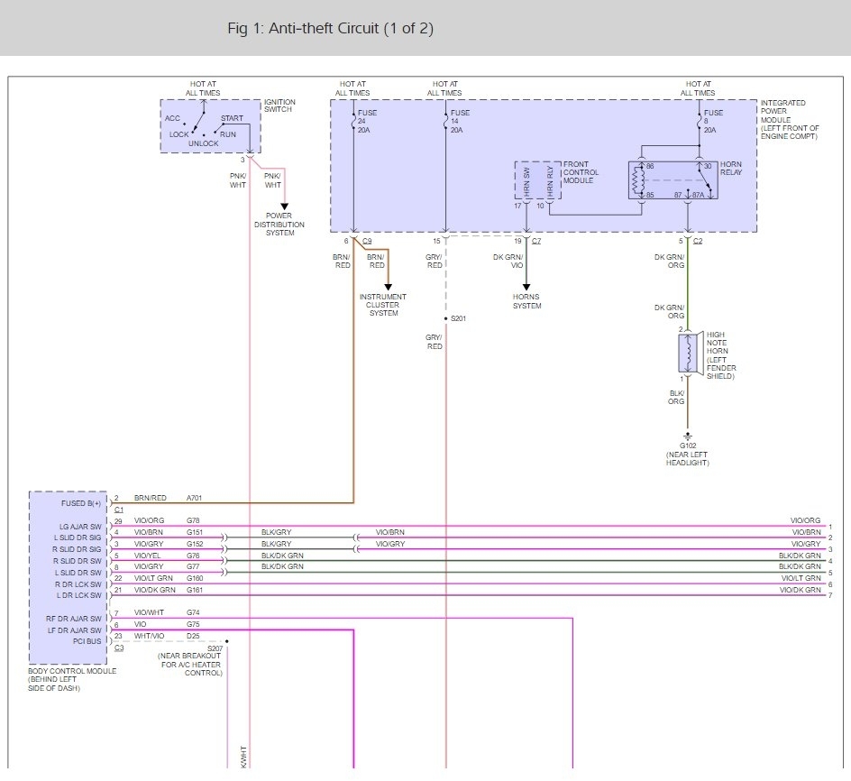
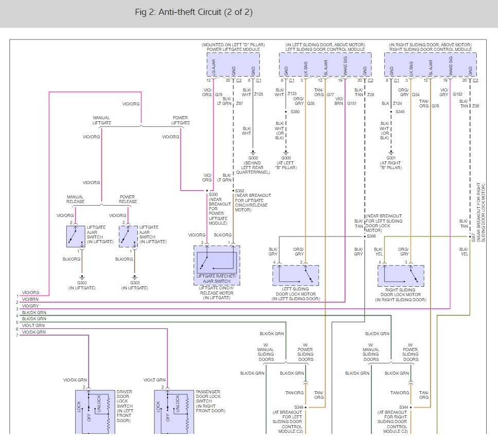
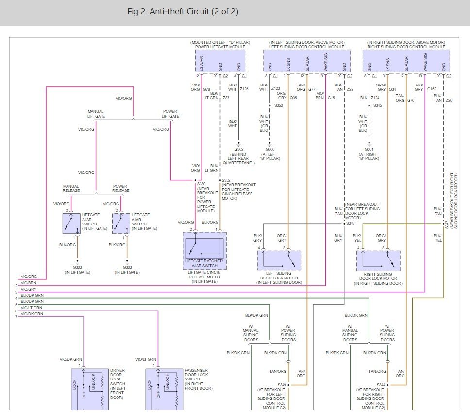
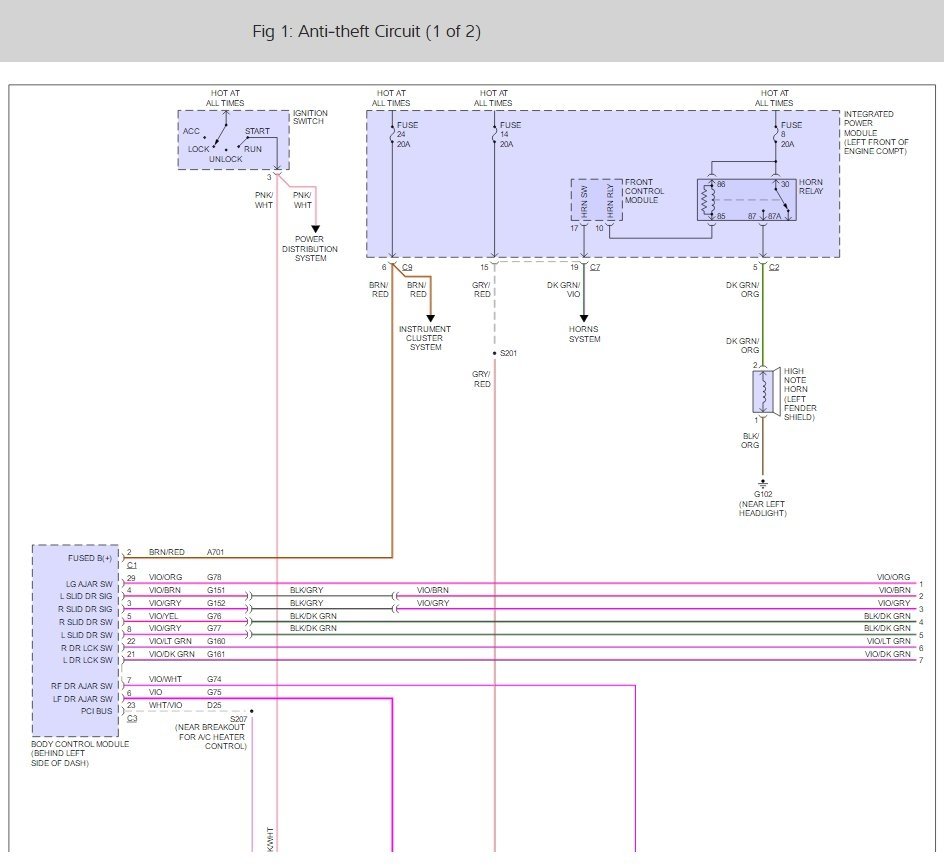
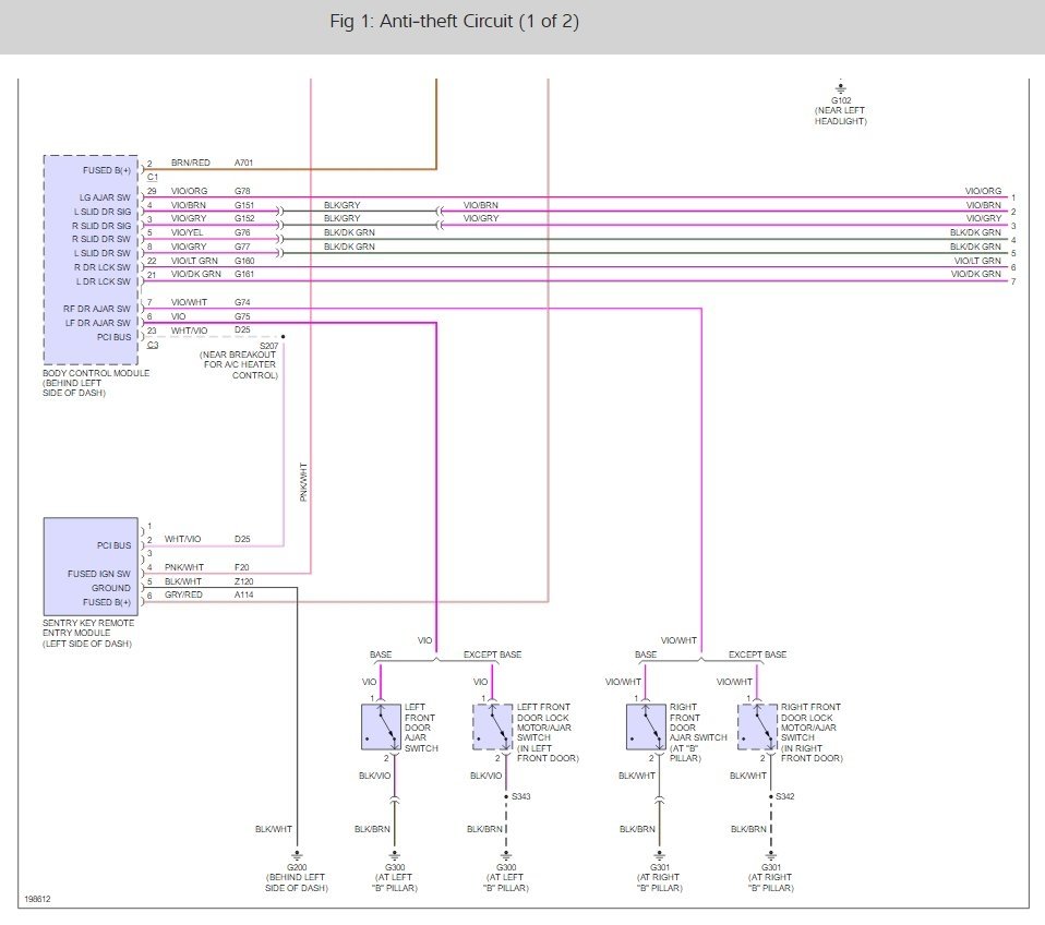
Here is the wiring diagrams so you can see how the system is tied in.

Also is the alarm factory or aftermarket?

If the battery is weak it can make the alarms go off.

https://www.2carpros.com/articles/car-battery-load-test

Please let us know what happens.

Cheers, Ken

Jan 21, 2021 at 11:01 AM (Merged)
Avatar
JESENIA RAE
  • MEMBER
  • 1 POST
Lost the only dealership alarm key to our van and couldn't afford a dealership replacement. we had a simple key made (no alarm) and the locksmith reset the alarm that doesn't allow you to turn on the vehicle without deactivating the alarm. however, we cant figure out how to stop the part of the alarm where the horn goes off and the lights blink. to alert for like thirty seconds after a door is opened. Even with the vehicle on and in drive.

Humiliating
Jan 21, 2021 at 11:01 AM (Merged)
Avatar
KASEKENNY
  • CERTIFIED EXPERT
  • 18,907 POSTS
The BCM needs to receive the disarm signal in order to keep the alarm from going off. See the attached under the disarming. If you are not starting the vehicle with a valid ignition key then the alarm will not shut off. Unfortunately there is no work around that would be cheaper then getting a key that is programmed to the ignition. You can find lock smiths or other shops that have the ability to program these keys for cheaper then the dealer. Plus keys that will work can be found for less the $50.00.

I attached the information and the programming instructions that require a scan tool capable of doing it.
Jan 21, 2021 at 11:01 AM (Merged)
Avatar
HARC
  • MEMBER
  • 1 POST
Have an 05 Dodge Caravan that only had 1 key with transmitter when purchased. Dealer wants over $300 for 2nd key with transmitter since only keys with transmitters will start the car. Can't afford that. Dealer told me that there is a way to bypass the anti-theft so that a key without the transmitter fob thingy would work. But he can't tell me how to do it and that I need to look on the internet. I can't find it. It's probably out there but I am using the wrong search terms. Can anyone tell me how to do it?

I only have 1 of these Sentry keys, so I have to pay for a new one and the programming, which is either over $300 at the dealer or? With a locksmith (no locksmith has gotten back to me yet).

The parts guy at the dealership told me that there is a way to disable the Sentry thing so that a regular key will work (has to be cut but it won't cost $300 for Wal-Mart or Home Depot to cut a key). He told me to check the internet for the directions to disable the Sentry thing so that any key would work and then added that if I did this and my car got stolen then my insurance wouldn't cover it--not worried about someone stealing this piece of junk. But I really need 2 keys.

Is there no way to disable the Sentry thing?
Jan 21, 2021 at 11:01 AM (Merged)
Avatar
BMRFIXIT
  • CERTIFIED EXPERT
  • 19,053 POSTS
Here is how to reset the security system. Remove the battery cable, then turn the key on and reconnect the battery. That should do it.

Here is how the factory says to do it, but it doesn't always work.

Unlock the car and disconnect the battery and let it sit for 30 minutes. Then reconnect the battery and lock and unlock the drivers door using the key.

The system should be reset.

https://www.2carpros.com/articles/how-to-reset-a-security-system

If the key needs to be programmed the instructions are below.

The steps required to reprogram Sentry Keys with two valid Sentry Keys follows:

1.Obtain the blank Sentry Key(s) that need to be programmed. Cut the keys to match the ignition lock cylinder mechanical key codes.

2.Insert one of the two valid Sentry Keys into the ignition switch and turn the ignition switch to the ON position.

3.After the ignition switch has been in the ON position for longer than three seconds, but no more than fifteen seconds, cycle the ignition switch back to the OFF position. Replace the first valid Sentry Key in the ignition lock cylinder with the second valid Sentry Key and turn the ignition switch back to the ON position. The second valid Sentry Key must be inserted within 15 seconds of removing the first valid Sentry key.

4.About ten seconds after the completion of step 3, the indicator light will start to flash and a single audible chime tone will sound to indicate that the system has entered the "Customer Learn" programming mode.

5.Within sixty seconds of entering the "Customer Learn" programming mode, turn the ignition switch to the OFF position, replace the valid Sentry Key with a blank Sentry Key transponder, and turn the ignition switch back to the ON position.

6.About ten seconds after the completion of step 5, a single audible chime tone will sound and the indicator light will stop flashing and stay on solid for three seconds and then turn off to indicate that the blank Sentry Key has been successfully programmed. The SKREES will immediately exit the "Customer Learn" programming mode and the vehicle may be started using the newly programmed Sentry Key.

Please let us know what you find.

Jan 21, 2021 at 11:01 AM (Merged)
Avatar
19CHRISTINE82
  • MEMBER
  • 1 POST
I have a 2008 Dodge caravan when I came out of work today I hit the unlock button for my doors and my horn started blowing my windshield wipers were going I couldn't turn off alarm it wasn't working and I finally disconnected the battery now I can't lock unlock my doors my Windows won't work and van wont turn on I tried to reset anti theft alarm it didn't work I tried everything how else can I reset the system
Jan 21, 2021 at 11:01 AM (Merged)
Avatar
STRAILER
  • CERTIFIED EXPERT
  • 53,854 POSTS
Hello,

These vans had a problem with the BCM which ties in the alarm and windshield wipers which explains the problem. You might be able to have the dealer update it but if not you will need a new one.

Please let us know what you find so it will help others.

Best, Ken
Jan 21, 2021 at 11:01 AM (Merged)
Avatar
FRANKIEBF27
  • MEMBER
  • 3 POSTS
Electrical problem 6 cyl Front Wheel Drive Automatic 102006 miles

The anti theft light comes on and stays on when I turn the key in the ignition switch but the engine won't start; it's some kind of power cut off because the starter will turn with direct current if I connect a cable from the battery to the starter wire under the vehicle, this cranks the engine but won't run. There is no starter, battery or key problems. There is anything I can do to disarm this system? I have done everything I could but nothing worked. The mechanic can't help me with this one and no even a locksmith. I need to disarm this system it or something. Help please!!!!!!!
Jan 21, 2021 at 11:01 AM (Merged)
Avatar
STIANMANNEN
  • MEMBER
  • 1 POST
Hi

I got just the same problem With my 2003 3.8 Caravan . I think it maybe the BCM (Body Control Module) has something to do With it .

But , did you find a solution ?

-Stian
Jan 21, 2021 at 11:01 AM (Merged)
Avatar
STEVE W.
  • CERTIFIED EXPERT
  • 15,113 POSTS
If the security light is ON when you try to start the engine you have one of a few issues. The key is not programmed into the system or the system itself is defective. With the light ON during the attempted stat the security system is actively disabling the starter and the fuel system.

There is no bypass, you need a factory level scan tool to talk to the anti-theft system and determine if it's the key, or the receiver that isn't operating or if it's in the BCM.
Jan 21, 2021 at 11:01 AM (Merged)
Avatar
BKEENAN
  • MEMBER
  • 1 POST
Several times over the last few months, our vehicle will not start. If it does turn over it runs for a second and then stops. We have had our local shop run diagnostics on it - they say it checks out fine but perhaps there is a problem with the Alarm system - the alram system apparently can shut off the engine.

We have also had the fuel pump and alternator replaced during the last 6 months.

After the car sits for 30 - 60 minutes, then it starts.

Should we condier replacing the alarm system? I would prefer to disable it if possible - any suggestions are appreciated - thanks!
Jan 21, 2021 at 11:01 AM (Merged)
Avatar
RACEFAN966
  • CERTIFIED EXPERT
  • 5,029 POSTS
Ok I will send a pic of the body control module that controls all the lighting and windows and alarm system. So no you can not disconnect it. Here is the test procedure to see if it is activating. See the alarm stops the injector pulse so if you can't do this then have a shop check to see if the injector is getting the pulse it should get with a noid light. If it is not then you should test the body control module and if it is bad then replace it.


https://www.2carpros.com/forum/automotive_pictures/249564_body_control_module_1.jpg

Hope this helps if I do any more just ask ok.
Jan 21, 2021 at 11:01 AM (Merged)
Avatar
MARKRIGGEN
  • MEMBER
  • 1 POST
how do i reset the anti theft system
Jan 21, 2021 at 11:01 AM (Merged)
Avatar
JACOBANDNICKOLAS
  • CERTIFIED EXPERT
  • 110,175 POSTS
Follow this guide

https://www.2carpros.com/articles/how-to-reset-a-security-system

Please run down this guide and report back.
Jan 21, 2021 at 11:01 AM (Merged)