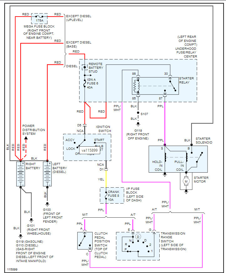
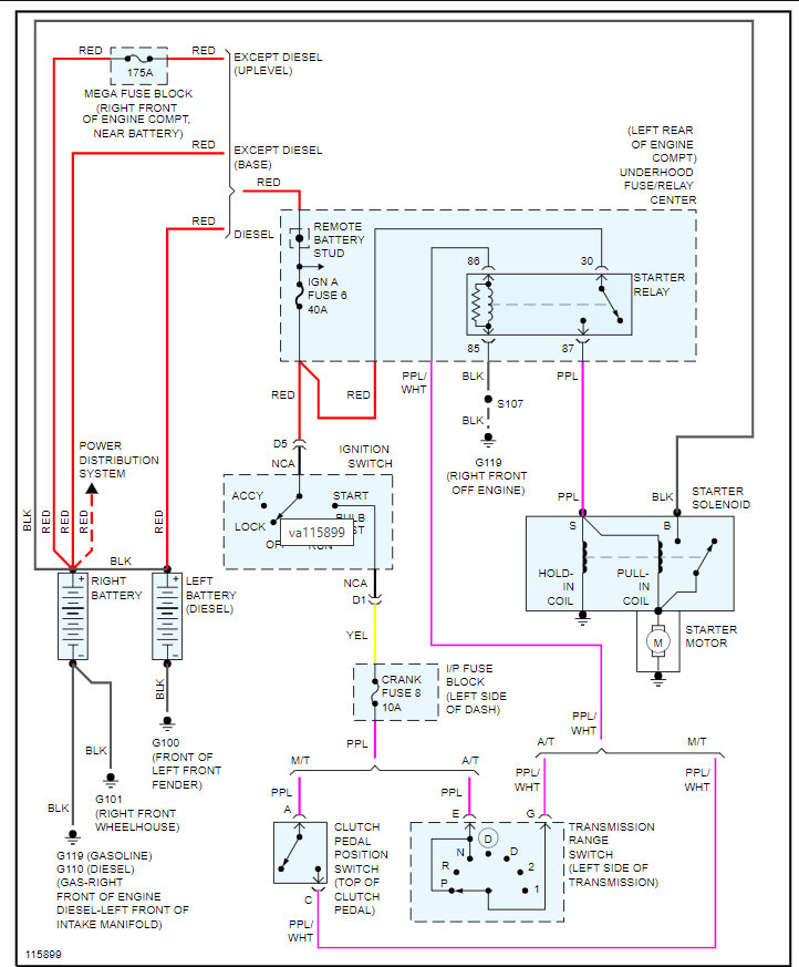
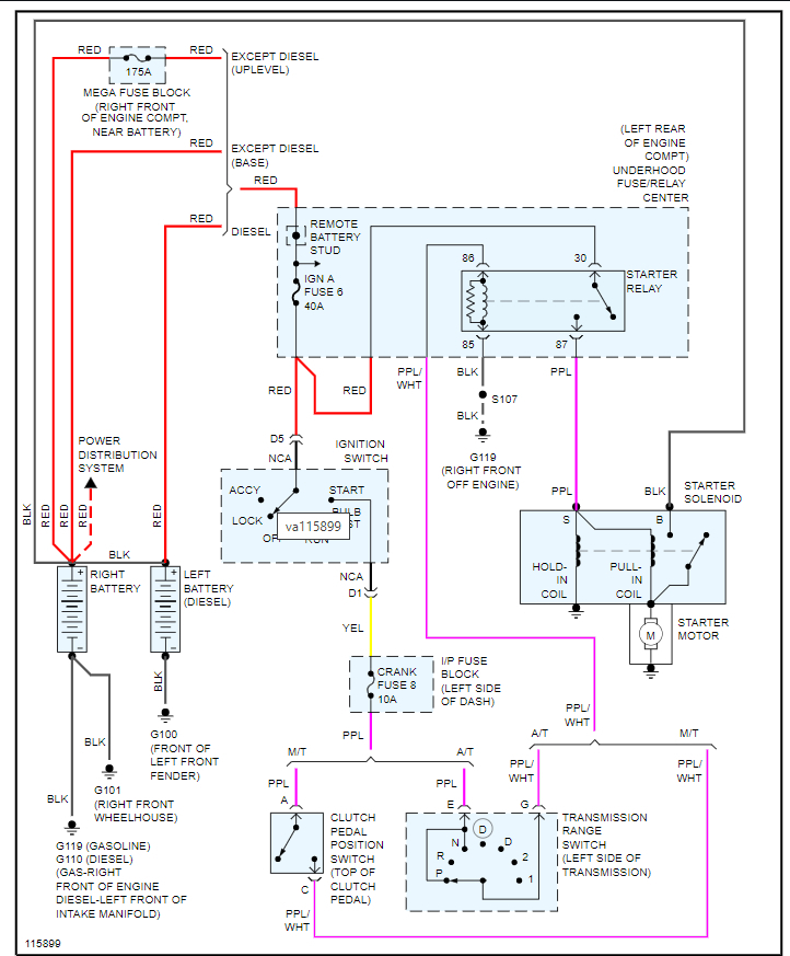
If the 40 amp fuse is blowing then the most likely cause of this is the starter itself. This is a pretty large fuse and it feeds not only the starter but the ignition switch as well.
However, even if the ignition switch is shorted, it is unlikely to blow this fuse.
I would suggest unplugging the starter, replace the fuse and see if the fuse blows again when you turn the key back on.
This will prove out if the starter solenoid is shorted.
If you follow the wiring diagram below you will see that the fuse feeds the supply side of the relay and when the relay is applied and the fuse blows then the starter is the likely issue.
https://www.2carpros.com/articles/how-to-check-wiring
https://www.2carpros.com/articles/how-to-check-a-car-fuse
Please run through this info below and let us know if you have other questions. Thanks
Sep 16, 2021 at 8:48 PM