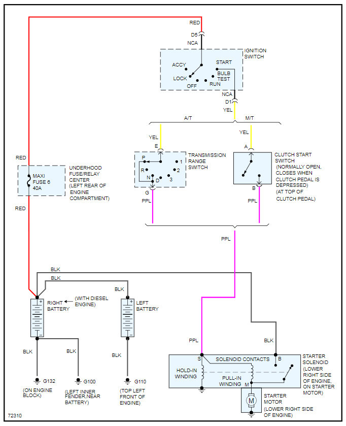
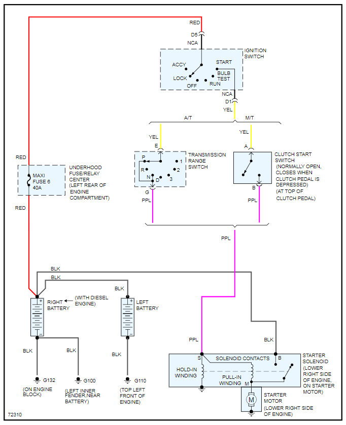
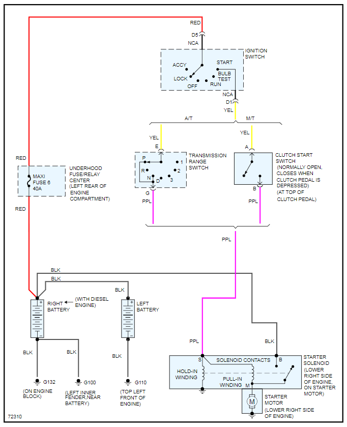
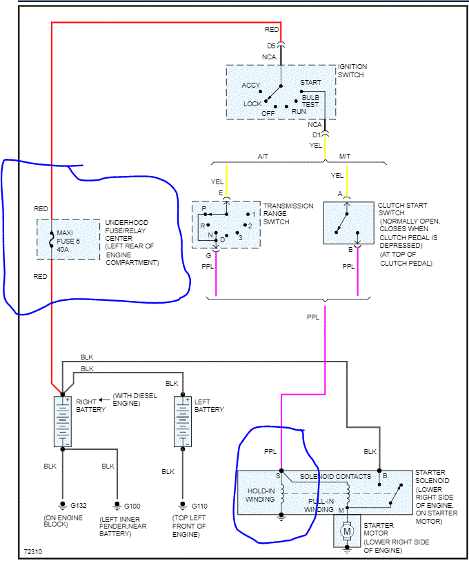
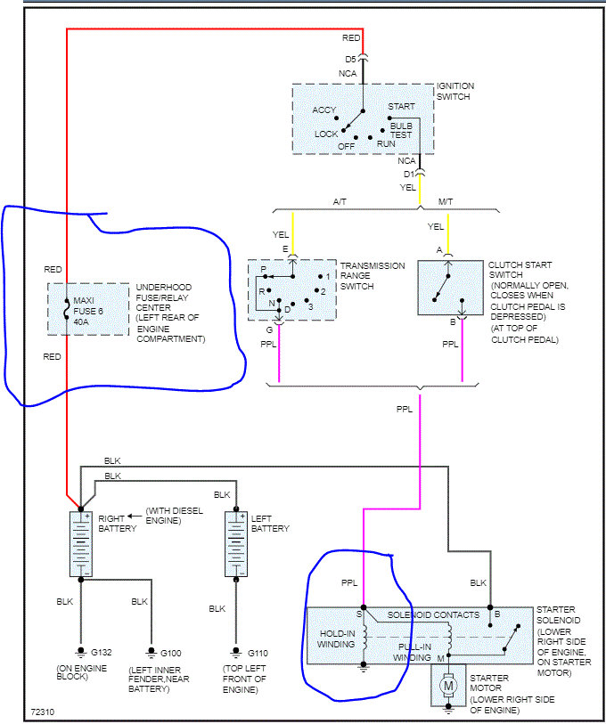
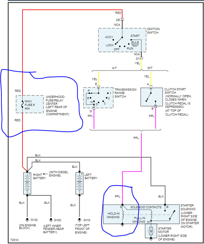
Solenoid on starter stuck on and motor cranked until battery was disconnected. Verified solenoid was bad and replaced with a new starter. Tried to start and truck did not crank. Found 40 amp fuse blown (ign A). Replaced fuse and saw fuse blow when key was turned to start (engine did not crank). Checked wires from starter to verify there were no shorts. Tried another fuse with the same result. Did not find a starter relay.
Sep 4, 2020 at 1:33 PM

