No crank no start

2000 KIA SPORTAGE
50,000 MILES • 2.0L • 4 CYL • 2WD • AUTOMATIC
Avatar
  • MEMBER
  • 1 POST
put key in to start and nothing happens, will not turn over, like it is dead.
Apr 30, 2019 at 12:45 PM
Advertisement
Avatar
KASEKENNY
  • CERTIFIED EXPERT
  • 18,907 POSTS
Hi SMCJ,

Does this have a manual or auto transmission? Also, when you turn the key do the lights in the dash come on or when you say it is like it is dead, does that mean no lights, no radio, nothing?

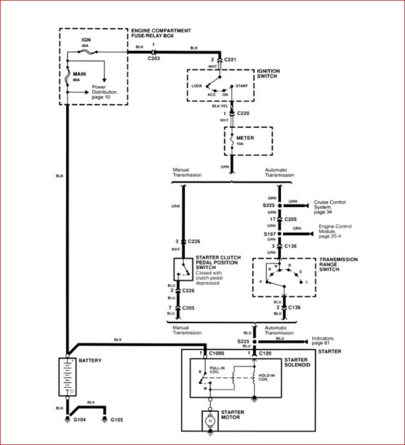
I am including a wiring diagram of the starting system that will help explain what has to happen in order to start the car.

If the lights, radio, and things come on then we may be dealing with an ignition switch issue, transmission range sensor (auto transmission), clutch position switch (manual trans) or a starter itself.

Have you checked the battery voltage? Is there a chance that the battery is actually dead? Just let me know everything or anything that you have done to this point so we are not wasting time with suggestions that you have already done. Thanks

https://www.2carpros.com/articles/symptoms-of-a-bad-car-battery
Apr 30, 2019 at 6:55 PM