No Starter Operation?

2001 CHEVROLET SILVERADO
220,000 MILES • 5.3L • V8 • 4WD • AUTOMATIC
Avatar
STEVEW67
  • MEMBER
  • 1 POST
Wont start some mornings, but when i wiggle the shifter and hold it tight in park it starts. then don't have any problems starting the rest of the day.
Oct 15, 2019 at 2:10 PM
Advertisement
Avatar
KASEKENNY
  • CERTIFIED EXPERT
  • 18,907 POSTS
Hi,

This sounds like the shift interlock switch is failing. This is located in the column and tells the control module what position the shifter is in.

I attached the process on how to replace this. Let me know if you have other questions. Thanks
Oct 16, 2019 at 5:51 PM
Avatar
THADDEUS.STEBENS963
  • MEMBER
  • 1 POST
The the truck was having trouble starting the battery was draining when left off overnight for several weeks for the current situation. We thought that there was a parasitic power drain. The windows don't roll up easily without draining extra power. Sometimes the flashers emergency flashers that is don't work in the relay for that makes a buzzing sound. That has been replaced. While driving the vehicle and jump starting it the serpentine drive belt brocon the front exterior type side near the radiator slipped off who pulled the truck over as quickly as you could. It was still running at that time. We replace the serpentine drive belt. Jump-started the truck and it seemed to be back to what we had a status quo of needing to jump it every time we did not take the negative battery terminal off. The train to the battery progressively got worse over several weeks. After we replace the serpentine drive belt while still having to jump start the truck on a regular basis, it seemed as if the starter was not supplying enough power to crank the engine over as of this moment, when we have a either fully charged battery or jump-starting the truck the engine will start to crank and the police start Saturn, but it won't crank over and then the police in Beltsville rotate back about 35 to 45 degrees. Now it will not crank over at all.
Sep 3, 2020 at 4:56 PM (Merged)
Advertisement
Avatar
SCGRANTURISMO
  • CERTIFIED EXPERT
  • 4,897 POSTS
Hello,

The cold weather has probably done your battery in. Any time the weather changes and you have a marginal battery, that's usually the last straw. As far as your parasitic draw issue on the new battery, so it doesn't suffer the same fate as the battery you will be replacing, I have included a guide for you in the diagrams down below explaining how to track the parasitic draw down to a circuit in your vehicle, then we can go over the circuit[s] with a fine tooth comb and get it taking care of. Please replace the battery and go through the guide and get back to us with what you find out. We can go from there.

Thanks,
Alex
2CarPros
Sep 3, 2020 at 4:56 PM (Merged)
Avatar
ADAM ONEK
  • MEMBER
  • 1 POST
i thought the battery died to my 2001 silverdo so i replaced it and now it does not start still, my buddy took a look at it and said that the starter relay is not switching.
Sep 3, 2020 at 4:56 PM (Merged)
Avatar
JDL
  • CERTIFIED EXPERT
  • 16,098 POSTS
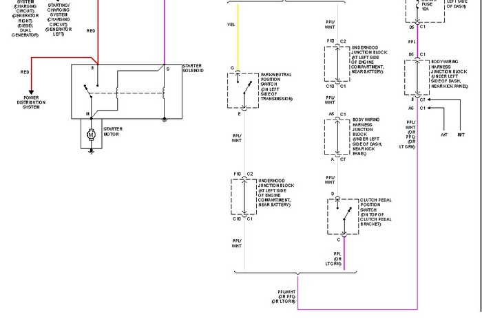
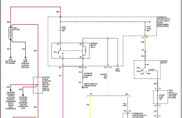
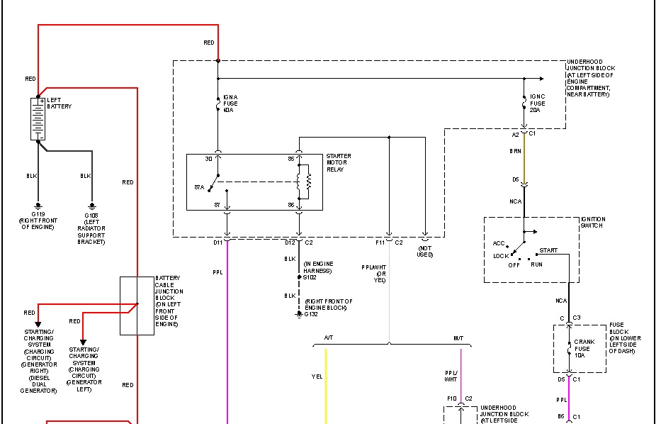
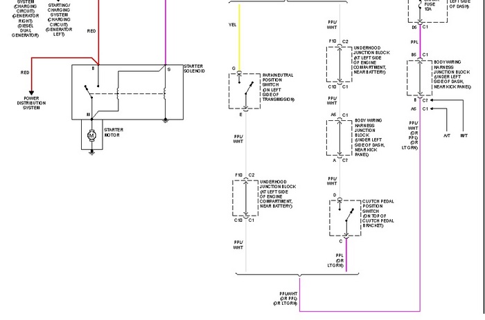
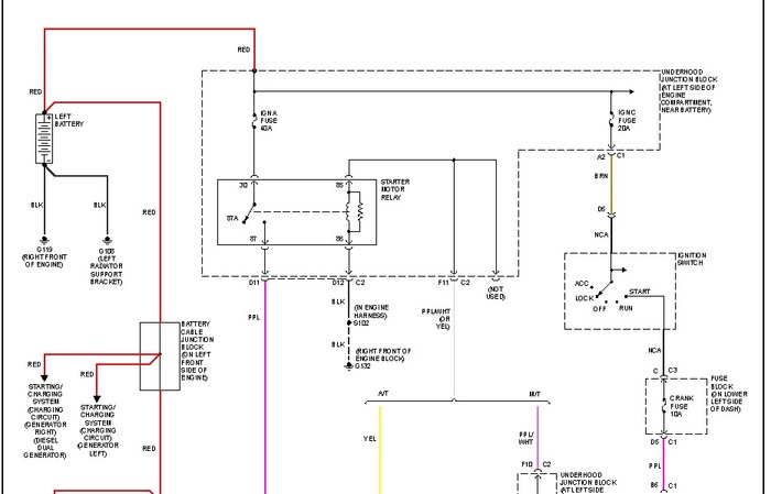
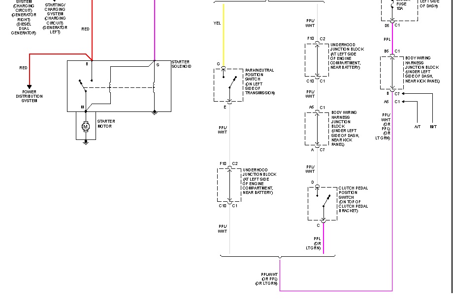
The wiring circuit below is for starter circuit. Start by checking applicable fuses and voltage. Battery connections are all ok? Voltage to load side of relay is hot all the time. Voltage to coil side of relay goes hot with key in the crank position and is wired through the neutral switch. Hope you can read the diagram.
Sep 3, 2020 at 4:56 PM (Merged)
Avatar
BIGGMAMA67
  • MEMBER
  • 6 POSTS
I so not know why, but my husband's truck will not crank after it rains. He sits out there and tries and tries and after about what seems like forever, it'll start. He has checked everything that I know. He says it's some kind of sensor. Is he right and can you tell us the specifics?
Sep 3, 2020 at 4:57 PM (Merged)
Avatar
JACOBANDNICKOLAS
  • CERTIFIED EXPERT
  • 110,175 POSTS
Hi,

The sensors are all covered. When he tries to start it, does it even try to start? I have to say, it sounds ignition related, but one sensor shouldn't cause this. Has the check engine light stayed on when the engine is running?

This guide can help us fix it

https://www.2carpros.com/articles/starter-not-working-repair

Please run down this guide and report back.

Sep 3, 2020 at 4:57 PM (Merged)
Avatar
BIGGMAMA67
  • MEMBER
  • 6 POSTS
Yes, it tries to start. And yes the check engine light does stay on when it's running.
Sep 3, 2020 at 4:57 PM (Merged)
Avatar
JACOBANDNICKOLAS
  • CERTIFIED EXPERT
  • 110,175 POSTS
Okay. That will help. What you need to do to help narrow this down is have the computer scanned. Often times, a parts store will do it free of charge or lend/rent you a scan tool. Here is a quick video showing how it's done:

https://youtu.be/b2IJGfImVvw

Do this and let me know what codes are retrieved.

Take care,
Joe
Sep 3, 2020 at 4:57 PM (Merged)
Avatar
DROUGHNECK
  • MEMBER
  • 1 POST
Back in the winter my starter would not disengage and kept spinning. The 2nd time it done it I finally got it to stop and didnt drive it home for a few days but it did start up normally after that.
I havent drove it in a few weeks since that but when I tried to start it the other day it just makes a grinding sound from the starter area.
Hopefully it just the starter and not my flywheel since it did start the last time I drove it home.
What do you think ?? I plan to pull it off as soon as I can but IM really hopeing its just the starter because IM looking for work now and a damaged flywheel will prevent me from getting to work after I find a job.
Your replay will be most appreciated.
Sep 3, 2020 at 4:57 PM (Merged)
Avatar
AVIEUX
  • MEMBER
  • 15 POSTS
it usually wont damage the flywheel just replace the starter and that should be fine.....when u take the starter off try and take the flywheel cover off to and check the flywheel
Sep 3, 2020 at 4:57 PM (Merged)
Avatar
TLSBUB12
  • MEMBER
  • 2 POSTS
turn key,most times starts.sometimes turn key,no sounds,all lights, radio works.Had new battery,ingnition switch installed. Diagnostic at dealer ,no problem noted."Problem seemed to start" after remote (for power-locks) went dead,then I used key only to enter(drivers door).when key is put into ignition,I hear a click in the drivers door(powerlock), then turn key another click, and NO START!Last no start, wife locked all doors, used key to enter pass side,put in key and it started!!Happens every so often, like once a week or two.Dealer is at a lost. I believe its in the drivers door,with the power locks and when key is installed. HELP.Has been going on for 2 months.Thanks in advance
Sep 3, 2020 at 4:57 PM (Merged)
Avatar
RHALL77
  • CERTIFIED EXPERT
  • 3,361 POSTS
sounds like a security issue. Did you replace the battery for the key fob? Did they check for codes? Whay codes did they find?
Sep 3, 2020 at 4:57 PM (Merged)
Avatar
TLSBUB12
  • MEMBER
  • 2 POSTS
I had goodyear install battery. The Chevy dealership did Diagnostic. I will call the dealership where the truck is at and ask them about the codes. I guess with Chevy's when something is change,replaced they have to reset things. Goodyear would not know that.Thanks
Sep 3, 2020 at 4:57 PM (Merged)
Avatar
COLBAYCAN
  • MEMBER
  • 2 POSTS
I have a 2001 chevy silverado that will not start. I trickle charged it once and it started up but after awhile went dead again. I took the battery out and had it tested and fully charged so it is okay but put it back in and it will still not start. It just clicks. Should I be looking for a connection problem next?
Sep 3, 2020 at 4:58 PM (Merged)
Avatar
AUSERNAME123456
  • MEMBER
  • 106 POSTS
Yes, check to make sure the battery cables are clean and tight.
Sep 3, 2020 at 4:58 PM (Merged)
Avatar
PROMECHANIC
  • CERTIFIED EXPERT
  • 536 POSTS
If the battery is good then you might start suspecting the starter. I can tell you how to test it if you need.
Sep 3, 2020 at 4:58 PM (Merged)
Avatar
JAYJAY11
  • MEMBER
  • 2 POSTS
Electrical problem
2001 Chevy Silverado V8 Automatic 180000 miles

my truck sat for about a week locked i went out to unlock it with the remote and it did not work i than unlock it using the key and the dome light did not come on and when i tried to start it it would turn over but not start, i tried unhooking the battery, i tried to reset the code by turning the ignition on for 10 min. off for 5 sec. back on for another 10 off and back on and that didnt work, it got a code reader and pluged it in and it didn't even turn on so i tried it on my car and it worked so i tried it back on the truck and nothing. It has got me stumpped if you can help id appreciate it thxs
Sep 3, 2020 at 4:58 PM (Merged)
Avatar
SERVICE WRITER
  • CERTIFIED EXPERT
  • 9,123 POSTS
Is the battery at full charge?
OF not, charge it properly and post what is then happening when turning the key.
Sep 3, 2020 at 4:58 PM (Merged)
Avatar
RHALL77
  • CERTIFIED EXPERT
  • 3,361 POSTS
hey Service Writer, i hope you dont mind me chiming in on this one, but i would also suggest disconnecting the body control module for thirty seconds and see what happends. sounds to me like that module locked up and needs to be reset. in most cases if this happens i would suggest replacing it.
Sep 3, 2020 at 4:58 PM (Merged)
Avatar
SERVICE WRITER
  • CERTIFIED EXPERT
  • 9,123 POSTS
I'd be offended if you had an alternative answer and didn't speak up!
Sep 3, 2020 at 4:59 PM (Merged)
Avatar
RHALL77
  • CERTIFIED EXPERT
  • 3,361 POSTS
thanks service writer. i just saw someone in the mod forum get mad about it.
Sep 3, 2020 at 4:59 PM (Merged)
Avatar
JAYJAY11
  • MEMBER
  • 2 POSTS
[quote:b557969a20="Service Writer"]Is the battery at full charge?
OF not, charge it properly and post what is then happening when turning the key.[/quote:b557969a20]

I did put a charger on the battery and still nothing, i looked up in the haynes book and they said something about the bcm so i took it out and was going to take it to the dealer and see if they can test it. The security light will not go off no matter what it runs the battery down so i unhook the ground.
Sep 3, 2020 at 4:59 PM (Merged)
Avatar
SERVICE WRITER
  • CERTIFIED EXPERT
  • 9,123 POSTS
Did you try what rhall77 said first?

I'd be curious to learn if it can be bench tested.

So you are saying that the battery is at full charge and it does not crank?
IF so verify the battery is good and fully charged.

OR it cranks and does not start?
Anything been done to the ignition switch?
You might be stuck with having to have a shop that has a scanner capable of turning the security light on and off. If it doesn't a bad cluster may be present. and just the source of the drain.

I think I would treat it as a parasitic draw and see what circuit has the drain. "google" testing a parasitic draw if you don't know how. When you find it, I think you'll find that fuse is the one on the same circuit of the security light.

Hey rhall77,
Anyone that gets upset about getting more help; makes me question their intentions of trying to help.

This is a comment from a site that is similiar to this one from a member ( I replace the site with XXX:
Thanx to everyone that did reply. XXX is better than ANY tool I have in my toolbox. Never under estimate the power of XXX to solve complex issues. There are so many knowledgable people out there that are more than willing to help and offer suggestions. XXX is priceless. Thanx XXX and all of it's members for sharing their knowledge to solve these issues. I'll be back regularly to offer my ideas to others.
Sep 3, 2020 at 4:59 PM (Merged)
Avatar
RECCHIONE
  • MEMBER
  • 1 POST
I don't know much about cars but I have a 2001 Chevy Silverado 1500 4.3 liter v6 engine that has a problem starting. When I turn the key the head unit and lights work but no sound from the engine. The battery is about 5 years old, don't know if that is the problem. Thought it was the starter at first so I took it up to Advance to get it tested and it works just fine. So I bought a new fuse for the starter relay and replaced it and it started working just fine for about two days. Now it is having the same problems as before but if I wiggle the fuse around it will sometimes start. Am I just in the complete wrong direction?
Sep 3, 2020 at 4:59 PM (Merged)
Avatar
RASMATAZ
  • CERTIFIED EXPERT
  • 75,992 POSTS
This guide can help us fix it

https://www.2carpros.com/articles/starter-not-working-repair

Please run down this guide and report back.
Sep 3, 2020 at 4:59 PM (Merged)
Avatar
CRACRA
  • MEMBER
  • 2 POSTS
2001 Chevy Silverado

I have a 2001 Silverado 5.3 and it will not start sometimes. I turn the key and 9 out of 10 time it will start, but maybe twice a day i turn the key and nothing, finally after turning the key 50 or 60 times it will start just fine. the starter has been tested and is fine. I think there is a problem from the key to the starter, somewhere between. Does anyone know what that might be? thanks
Sep 3, 2020 at 4:59 PM (Merged)
Avatar
JDL
  • CERTIFIED EXPERT
  • 16,098 POSTS
I'd make sure the battery cables/wires are clean and tight on both ends.

There should be a starter relay in the power distribution center, you can do some testing there, when the problem occurs. Just make sure the tranny is in park or neutral and the e-brake is set.

If this is an automatic tranny, have you tried cranking it in neutral, when the problem occurs?
Sep 3, 2020 at 4:59 PM (Merged)
Avatar
MIXMAN1
  • MEMBER
  • 2 POSTS
been running fine, won't even click this morning. Voltage good, fairly new battery, just wont start. Turned on the headlights, they are as bright as when it is running.....???
Sep 3, 2020 at 4:59 PM (Merged)
Avatar
RHALL77
  • CERTIFIED EXPERT
  • 3,361 POSTS
you will have to check for voltage at the starter solinoid. also check and see if there is a fuse for the starter and see if that is good.
Sep 3, 2020 at 4:59 PM (Merged)
Avatar
MIXMAN1
  • MEMBER
  • 2 POSTS
All the fuses are good, and I swapped the starter relay with one that I know is working. I don't have any way of checking the voltage at the solenoid. Are there any other steps I could take?
Sep 3, 2020 at 4:59 PM (Merged)
Avatar
RHALL77
  • CERTIFIED EXPERT
  • 3,361 POSTS
not really you are gonna have to get a test light to see if you are getting power to the starter.
Sep 3, 2020 at 4:59 PM (Merged)
Avatar
STEVEN HOLLAND
  • MEMBER
  • 2 POSTS
This morning I brought my son to school, truck ran fine, stopped at the store on the way home and when I came back out it would not start. Plenty of battery power, no click nothing! I am assuming neutral safety switch but somebody told me to check the fuse first. Which fuse is it that I check? And where is it located?
Sep 3, 2020 at 4:59 PM (Merged)
Avatar
STEVE W.
  • CERTIFIED EXPERT
  • 15,113 POSTS
Try running the shift lever through the gears while holding the key on. Sometimes you can get the switch to work enough to get it started. Could also be a bad connection at the starter. Fuse 1 will be under the hood in the box and labeled Start the other one will be in the interior fuse box and labeled start/ign.
Sep 3, 2020 at 4:59 PM (Merged)
Avatar
STEVEN HOLLAND
  • MEMBER
  • 2 POSTS
I will try that now! Thank you so much for the reply
Sep 3, 2020 at 4:59 PM (Merged)
Avatar
STRAILER
  • CERTIFIED EXPERT
  • 53,854 POSTS
Please let us know what you find so it will help others.

Best, Ken
Sep 3, 2020 at 4:59 PM (Merged)