After running out of gas the engine cranks but does not start?

2005 MERCEDES BENZ ML350
135,000 MILES • 3.8L • 6 CYL • 4WD
Avatar
NICHOLASCOFFEY70
  • MEMBER
  • 1 POST
I was on the highway and my car ran out of gas, Tripple A came and put gas in my vehicle, but my battery had drained, otherwise the flashers on. They proceeded to give me a jump start it started for about 5 seconds and when I gave it gas it stalled out. now the vehicle won’t turn over even if it’s jumper cables. Hooked up. On the dashboard a message appeared saying start error can you please help also. The day before I heard this loud clicking noise and hole parked and. The vehicle was off it clicked. 5 times and stopped.
Nov 2, 2022 at 11:03 AM
Advertisement
Avatar
JACOBANDNICKOLAS
  • CERTIFIED EXPERT
  • 110,175 POSTS
Hi,

Where was the clicking sound coming from? Was it outside the vehicle, the engine compartment, or was it from the interior?

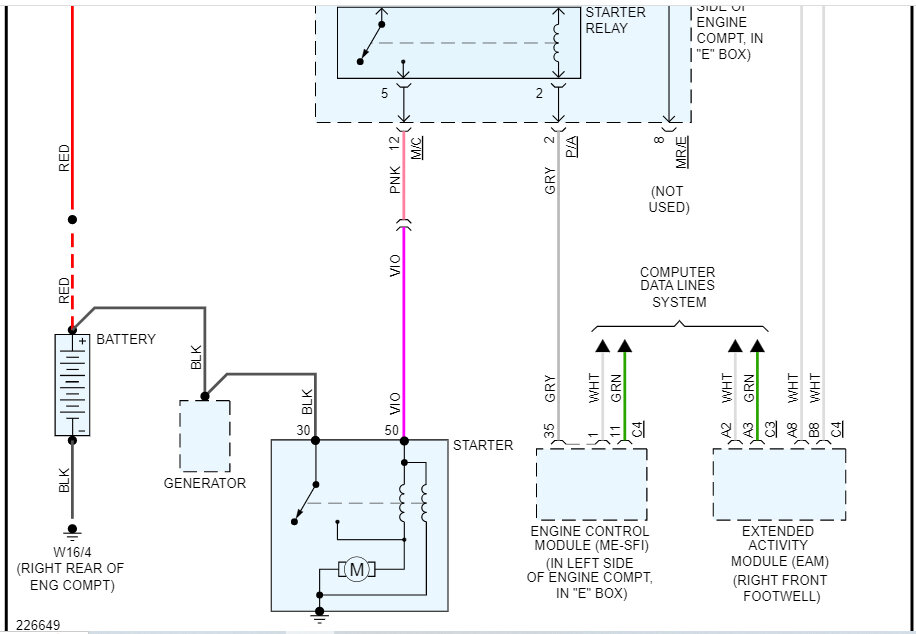
You may have a starter relay that has failed. I attached the wiring schematic specific to the starter motor. I need you to locate the fuse/relay box under the hood and check the starter relay, if there is another code relay with the same part number, switch them to test. If there isn't, here is a link that will help you test the relay:

https://www.2carpros.com/articles/how-to-check-an-electrical-relay-and-wiring-control-circuit

Let me know what you find.

Joe

See pics below.
Nov 2, 2022 at 3:16 PM
Avatar
JACOBANDNICKOLAS
  • CERTIFIED EXPERT
  • 110,175 POSTS
Hi:

Where was the clicking sound coming from? Was it outside the vehicle, the engine compartment, or was it from the interior?

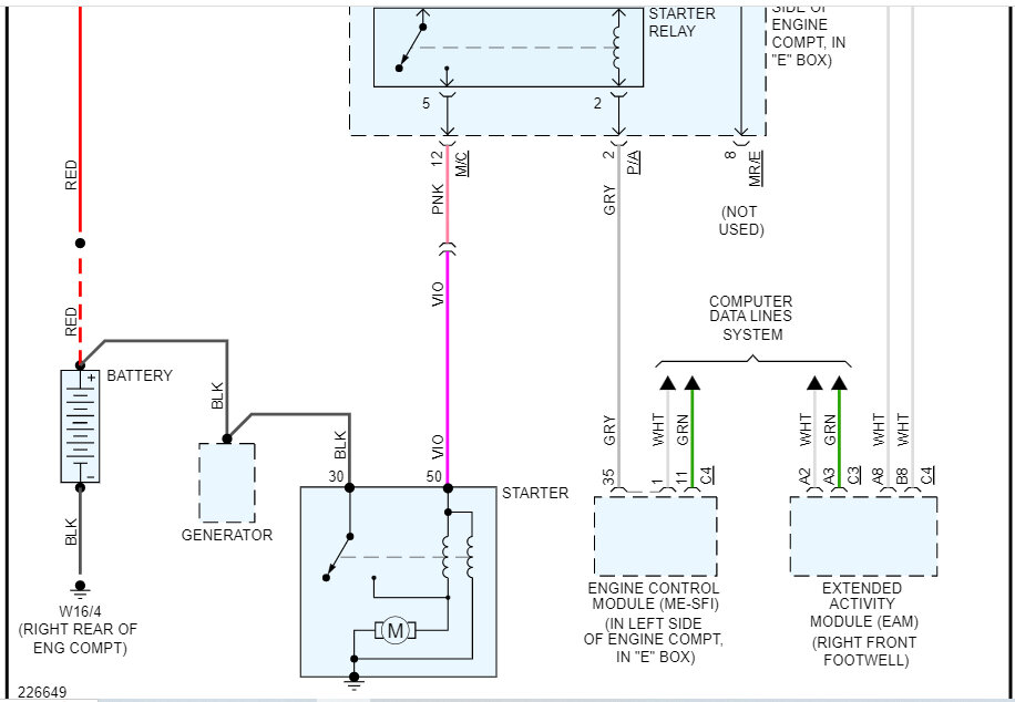
Ylou may have a starter relay that has failed. I attached the wiring schematic specific to the starter motor. I need you to locate the fuse/relay box under the hood and check the starter relay, If there is another code relay with the same part number, switch them to test. If there isn't, here is a link that will help you test the relay.

https://www.2carpros.com/articles/how-to-check-an-electrical-relay-and-wiring-control-circuit

Let me know what you find.

Joe

See pics below
Nov 2, 2022 at 3:16 PM
Advertisement