Ignition switch replacement

2004 PONTIAC BONNEVILLE
150,000 MILES • 6 CYL • 2WD • AUTOMATIC
Avatar
LORI SCOTT
  • MEMBER
  • 1 POST
The ignition was already taken out but they could not get a hose coming from the harness to the ignition out. Front side was released but the back side was not. They could not get it to release. There is no key so how do you get that to release? Is this 2004 just like other cars of its kind?
May 16, 2018 at 1:56 PM
Advertisement
Avatar
JACOBANDNICKOLAS
  • CERTIFIED EXPERT
  • 110,175 POSTS
Hi and thanks for using 2CarPros.com. Here are directions specific to your vehicle for removal and replacement of the switch. The second set of directions are for the cylinder replacement and include a section for Without key
Ignition switch replacement.


REMOVAL PROCEDURE:
Remove the Instrument panel cluster trim plate.
Remove the radio.
Remove the ignition lock cylinder.
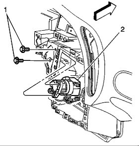
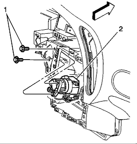
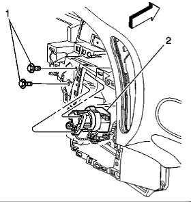
Remove the fasteners (1) from the ignition switch (2).
Push and release the retaining tab at the rear of the ignition switch.
Pull the ignition switch through the radio opening.
Disconnect electrical connectors (2) from ignition switch (1).
Remove the ignition switch bulb from the side of the switch.
Disconnect the shift/park lock cable from the ignition switch.
INSTALLATION PROCEDURE:
Connect the electrical connectors (2).
Connect the shift/park lock cable.
Install the bulb to the side of the ignition switch.
Install ignition switch (2) by routing through the radio opening and position to the retainer.
NOTE: Refer to Fastener Notice in Service Precautions.
Install the fasteners (1) securing the ignition switch to the IP retainer.
Tighten
Tighten the fasteners (1) to 9 Nm (80 lb in) .
Install the ignition lock cylinder.
Install the radio.
Install the Instrument panel cluster trim plate.



****Here are directions specific to ignition cylinder removal. NOTE: IT DOES GIVE DIRECTIONS WITHOUT KEY. Pictures 5 to 7 relate to the following directions. WITHOUT KEY

Ignition Switch Lock Cylinder Replacement

Removal Procedure

Caution: Refer to SIR Caution in Service Precautions.

Disconnect the negative battery cable.
Disable the SIR. Refer to SIR Disabling and Enabling in Restraint Systems.
Apply the parking brake.
Remove the radio.
Insert the ignition key and turn the ignition switch to RUN, continue to step 6. If the keys are unavailable or the ignition lock cylinder is seized proceed with the following procedure:


Remove the fasteners securing the ignition switch to the I/P retainer.
Push and release the retaining tab at the rear of the ignition switch.
Remove the ignition switch through the radio opening in the retainer.
Protect the immediate work area with suitable material such as clean shop towels or a clean fender cover.
Locate the surface for the ignition switch lock cylinder release button (2) on the plastic ignition switch housing and center punch a location (1) on the "rib" approximately 3/8 inch rearward (toward the key entry end) of the cylinder release button.
Drill a pilot hole through the plastic housing with a 1/8 inch drill bit.
Drill a larger hole at the pilot location, and slightly into the ignition switch lock cylinder surface to break the release button retaining spring using a 9/32 inch drill bit.
Remove portions of the broken spring from the hole using a small suitable tool.
Grasp the ignition switch lock cylinder and remove it from the switch housing.
Remove any plastic "flash" from the drilling operation, and using compressed air blow out the ignition switch assembly, proceed to step 9.


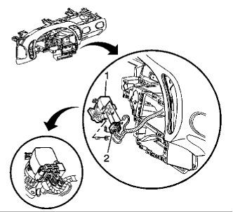
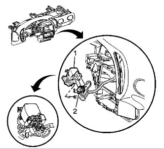
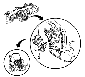
Look through the radio opening in the I/P and locate the release button (1) on the side of the switch.
Depress and hold the ignition lock cylinder retaining tab (located on the right lower side of the ignition switch), using a flat-bladed screwdriver or other suitable tool.


Pull outward on the ignition cylinder (1) in order to remove the cylinder from the ignition switch.
Remove the reader/exciter module from the ignition lock cylinder.
Installation Procedure

Install the reader/exciter module to the ignition lock cylinder.
If ignition lock cylinder was previously seized, proceed with steps 2.1 through 2.4, if not go to step 3.
Turn the new ignition lock cylinder to the RUN position.
Turn the ignition switch to the RUN position.
Slowly push the ignition lock cylinder into the ignition switch until fully seated. It may be necessary to slightly depress the release button as it passes by the 9/32 inch hole previously drilled in the ignition switch housing.
Reinstall the ignition switch.
Go to step 5.


Insert the ignition lock cylinder (1) with the key installed into the ignition switch (2).
Press the ignition lock cylinder into place. The lock cylinder retaining tab will produce an audible click when fully seated.
Using light force, pull on the lock cylinder in order to ensure the lock cylinder is engaged and secured in place.
Turn the ignition to LOCK, then remove the key.
Install the radio.
Connect the negative battery cable.
Inspect the ignition switch for proper operation in all positions.
Release the parking brake.
Enable the SIR system. Refer to SIR Disabling and Enabling in Restraint Systems.

I hope this helps. Let me know if you have other questions or need additional information.

Take care,
Joe
May 17, 2018 at 8:34 PM