Ignition not working properly

2006 TOYOTA AVALON
250,000 MILES • 3.5L • V6 • 2WD
Avatar
NUNLEY14
  • MEMBER
  • 1 POST
I hold my key in the start position and my car will start once I let go it stops. i have changed battery, ignition switch, relay and starter and it's still the same.
Mar 15, 2022 at 1:51 PM
Advertisement
Avatar
KASEKENNY
  • CERTIFIED EXPERT
  • 18,907 POSTS
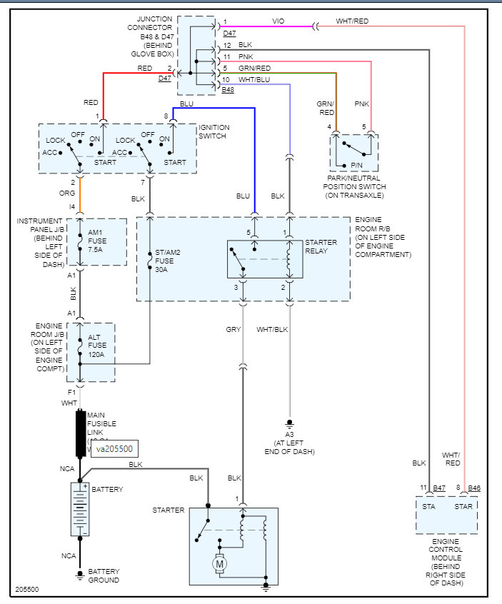
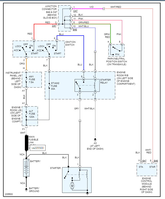
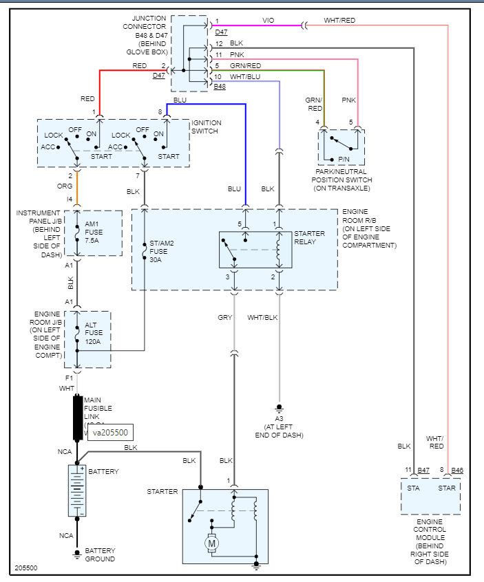
Just to be clear what is happening, when you try to start the engine, it turns over one time and then stops turning over? Does the engine actually start running and it stalls or is it one revolution of the engine and then it stops?

If the engine turns over one time and never actually starts, then we need to start with checking the voltage at the starter to find out what we are losing.

More than likely we are losing the voltage on the trigger wire which would mean the relay is failing but I understand you replaced this.

So, let's remove the relay and jump it and see the starter turn over normally.

https://www.2carpros.com/articles/how-to-check-wiring

https://www.2carpros.com/articles/how-to-check-an-electrical-relay-and-wiring-control-circuit

If it does, then we need to check the voltage at pin 1 and 5 of the relay and find out what is happening when you start the engine as we could have a wiring issue or a park neutral switch issue.

However, let's start with this and go from there.

Thanks
Mar 16, 2022 at 6:53 PM