defrost switch does not power on and the fuse is not blown

2009 NISSAN VERSA
110,000 MILES • 1.8L • 4 CYL • 2WD • AUTOMATIC
Avatar
NICHOLE SCOTT
  • MEMBER
  • 1 POST
I just had a new rear windshield replace, but my rear defrost was out long before it was smashed. I know my fuses are good. I am not sure about the relay, but I do know the switch inside my dash does not power on. How can I test the switch alone? Thanks.
Jan 10, 2018 at 12:27 PM
Advertisement
Avatar
STRAILER
  • CERTIFIED EXPERT
  • 53,854 POSTS
Hello,

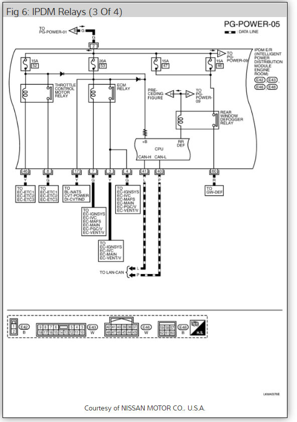
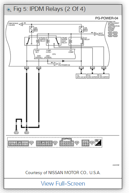
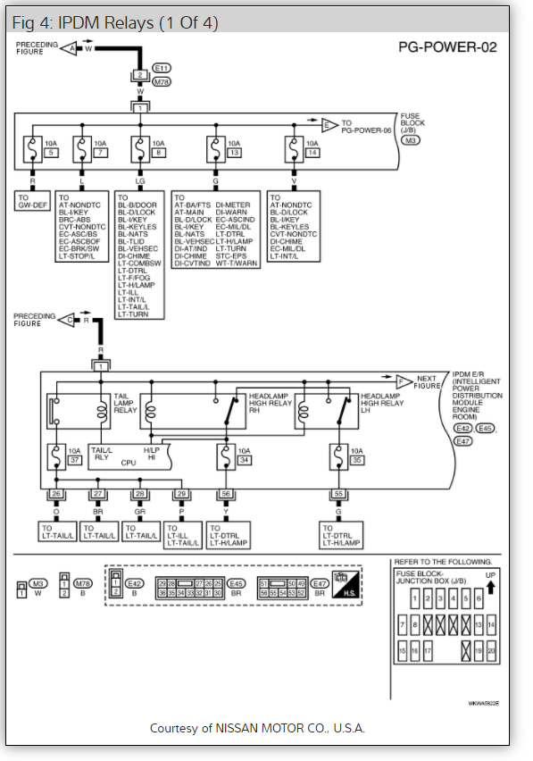
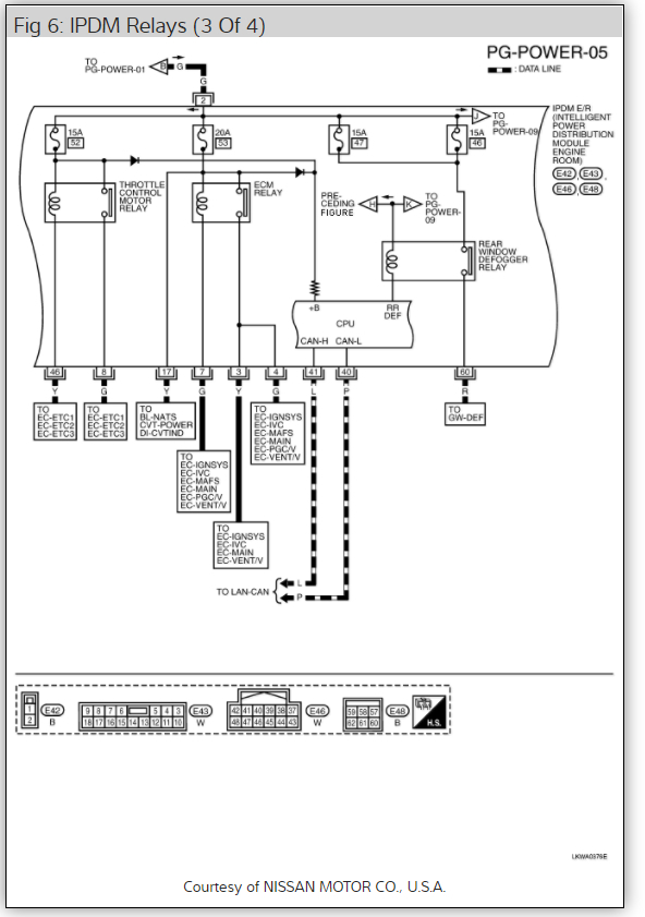
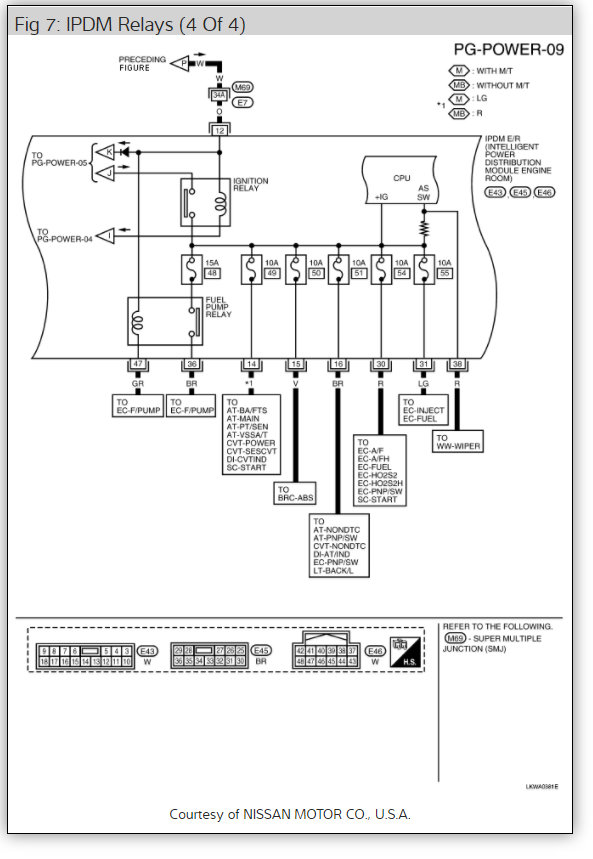
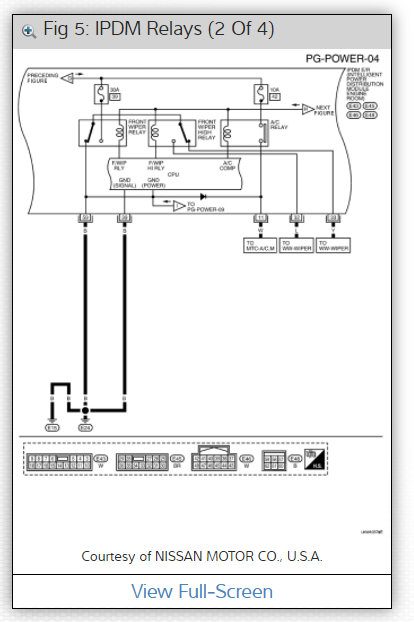
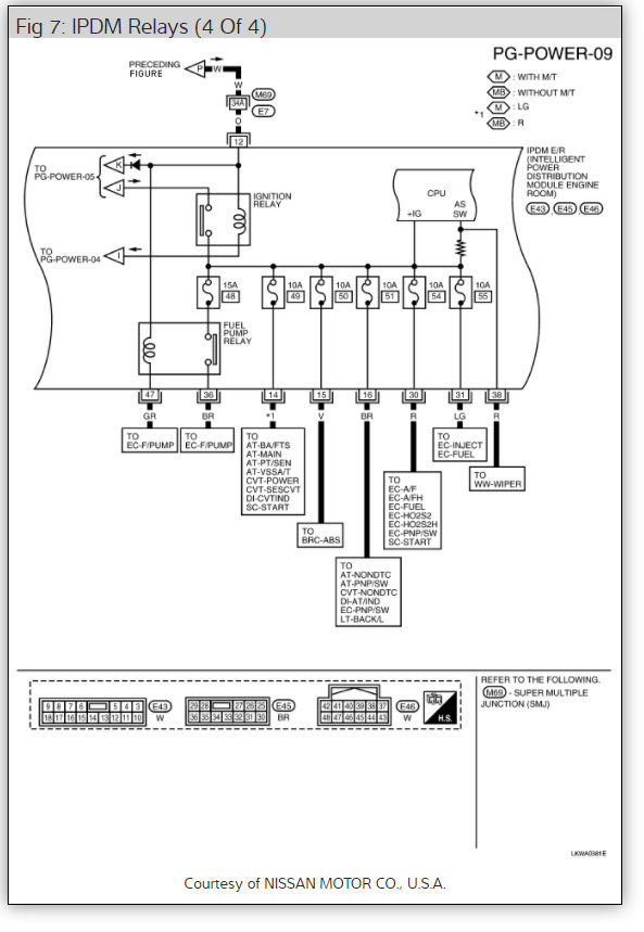
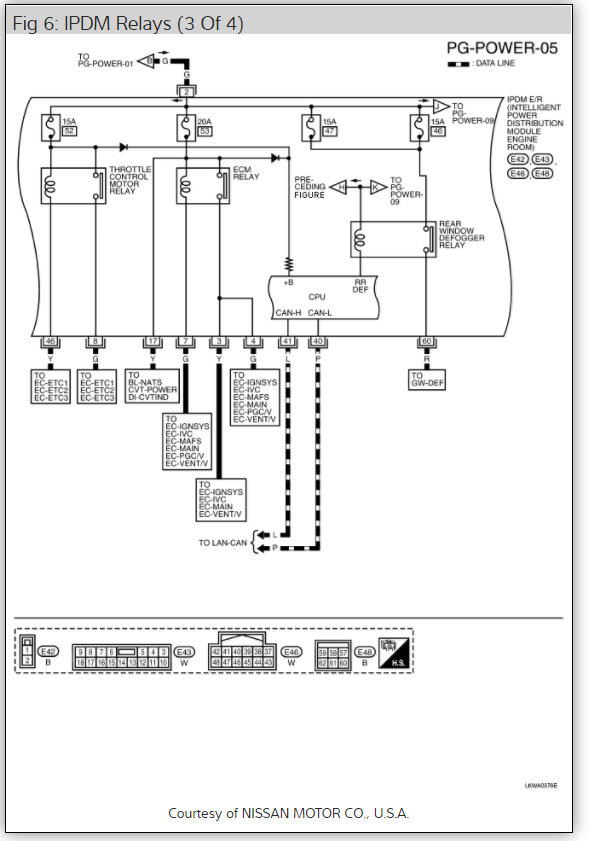
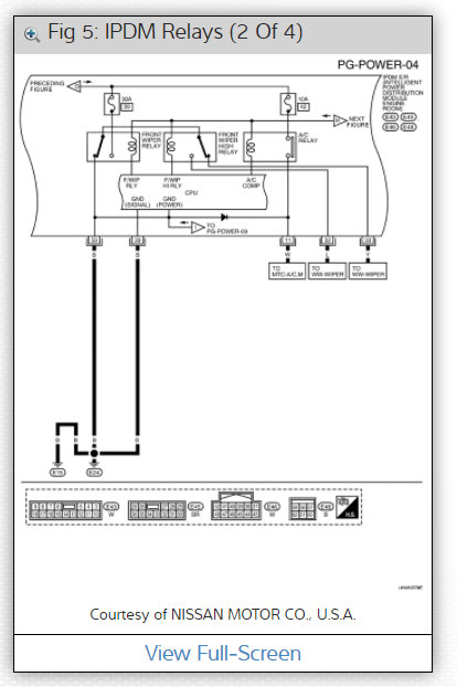
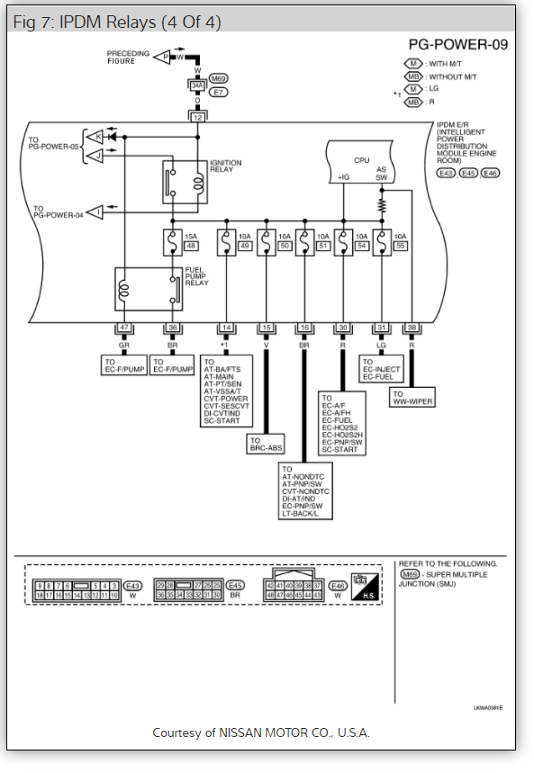
Here is a guide and the rear window defogger wiring diagram so you can see where you are losing power at. There is a relay as well that should be checked.Below are the fuse panel and relay locations so you can do some testing.

https://www.2carpros.com/articles/how-to-check-an-electrical-relay-and-wiring-control-circuit

and

https://www.2carpros.com/articles/how-to-use-a-test-light-circuit-tester

Check out the diagrams (below).

Let us know what happens and please upload pictures or videos of the problem.

Cheers, Ken

Jan 11, 2018 at 2:56 PM