Someone tried to steal the car and broke the ignition?

2002 LEXUS ES 300
198,000 MILES
Avatar
DICKSONRED2
  • MEMBER
  • 10 POSTS
So, the other night somebody tried to get in and still my car and broke the ignition including copper wire that connects to the amplifier immobilizer, and so all it would do at first was crank I was able to take the whole thing apart find the amplifier immobilizer and solder the two points back on. So, I have it running now but it looks like crap and I'm wondering what's going to be the cheapest easiest way to go about fixing this? Does it have to be programmed to the key into this specific car? I think it does, but is there any cheaper way to go about it? I was able to find the entire amplifier Immobilizer with the key ring copper wire and everything intact and not broken at all that I was able to find that entire piece at a Pick-n-Pull the junkyard, but of course it's not going to recognize that one. I really don't want to have to go to the dealership to get this fixed, but it looks like crap and the solder is only going to last for so long so if you can let me know the cheapest easiest way to go about this, I would appreciate it.
May 13, 2023 at 4:32 AM
Advertisement
Avatar
STEVE W.
  • CERTIFIED EXPERT
  • 15,113 POSTS
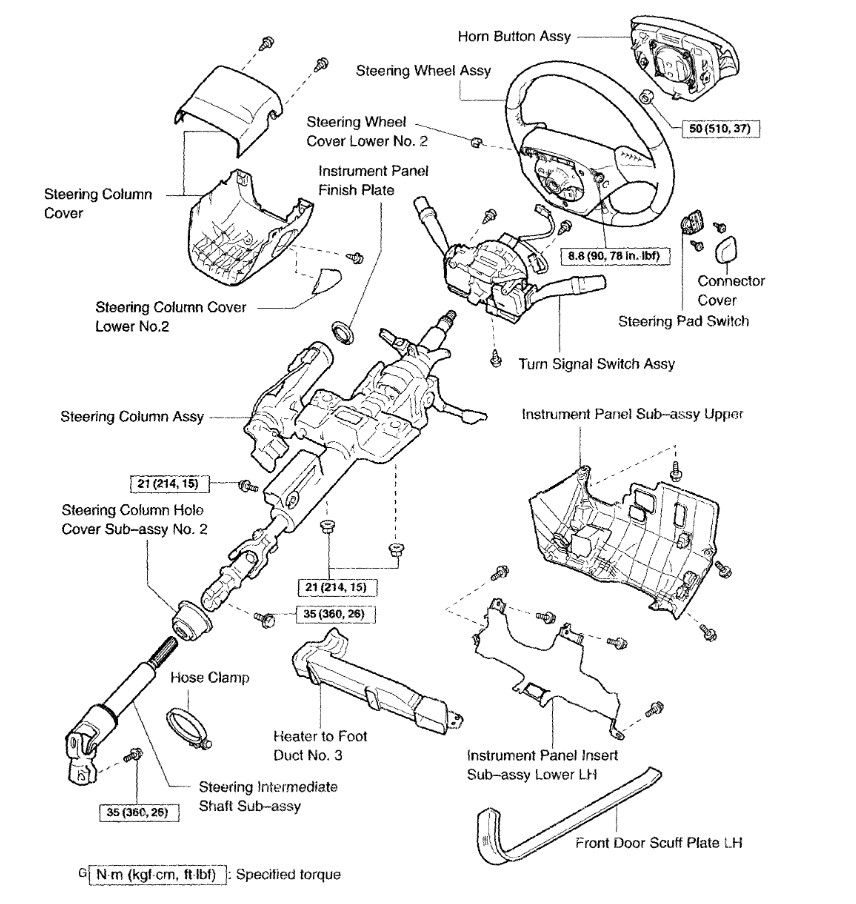
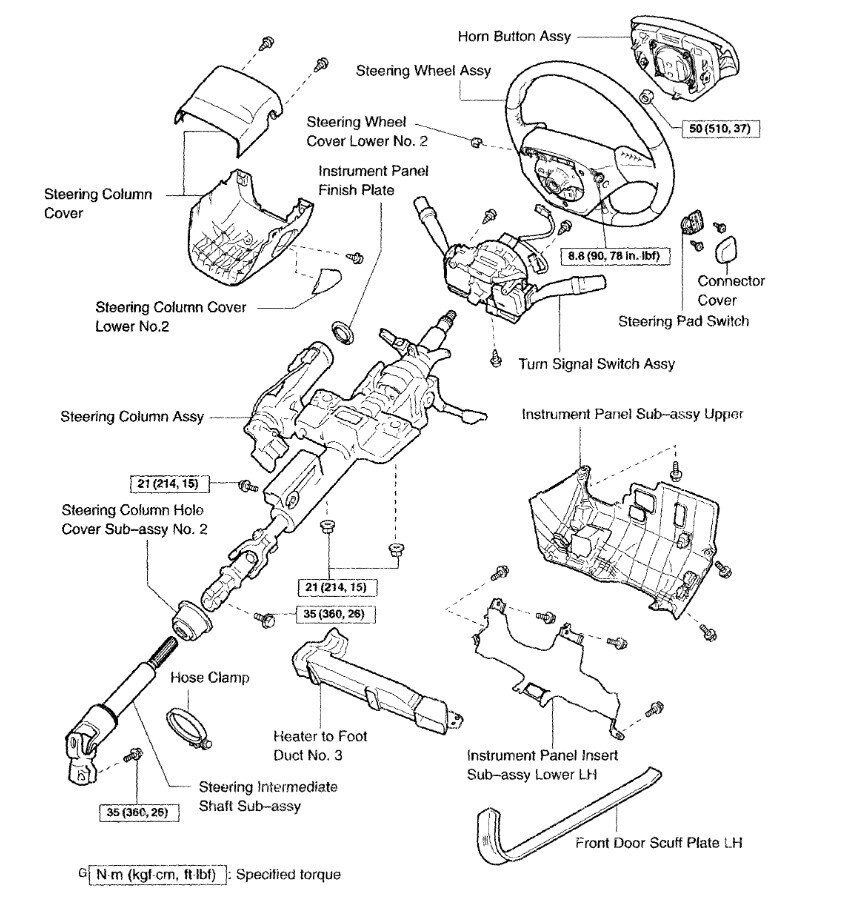
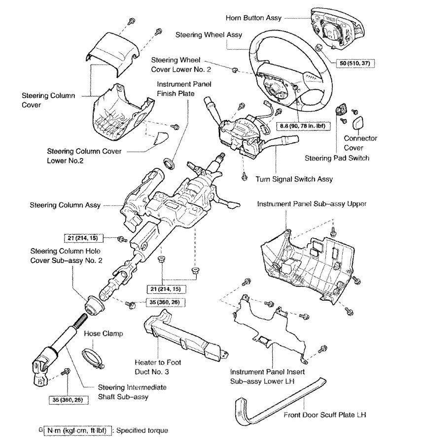
With that damage I would hunt up a replacement trim panel. Then because you have a working key and ignition cylinder you should be able to swap that into a replacement switch housing if that one is damaged. If the only damage is the amplifier, then remove that section of the dash trim and using a screwdriver you can release the catch on the amplifier and remove it from the column and switch base. The replacement would just snap into place. They don't call out a need to reprogram it, but it does say you would need to program in the keys if those changed so I'm going to say that you do need a scan tool to access the system and reset it. It does say you need to do it if you replace the ECM which is where the security system really is.
May 14, 2023 at 6:31 PM