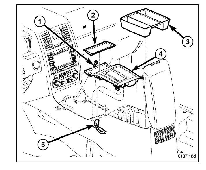
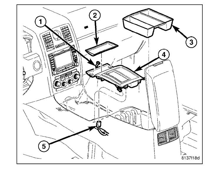
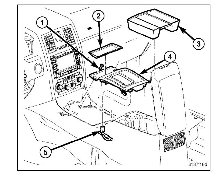
Had water risen by the creek next to where i parked this car where water has gotten into the trunk. dried everything, new battery, still drying carpet. car started, airbag light is on. trying to figure out whether it is because this water got cut in the flooding process or if it's just water in the connectors, or if this wire is the way it is from factory. can you tell me? It's the pink wire underneath the passenger side front seat.
Feb 18, 2020 at 3:11 PM







