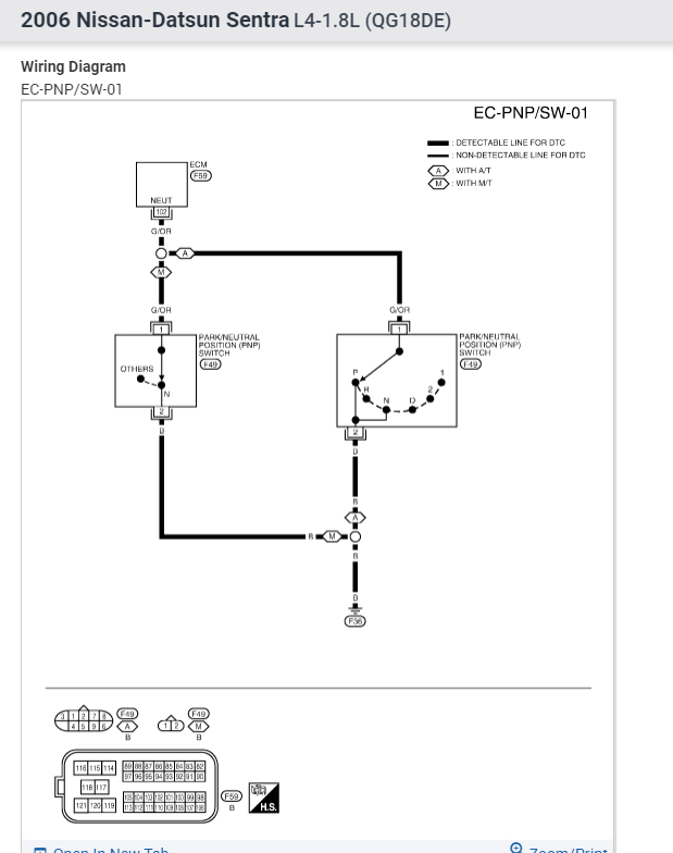
There's this sensor right under the transmission, are you able to help me identify what this sensor is?
I'm assuming this would be the neutral park sensor. I'm just thinking but you guys know best. It's broken off the connection.
Thank you in advance.
I'm assuming this would be the neutral park sensor. I'm just thinking but you guys know best. It's broken off the connection.
Thank you in advance.
May 21, 2022 at 12:16 AM











