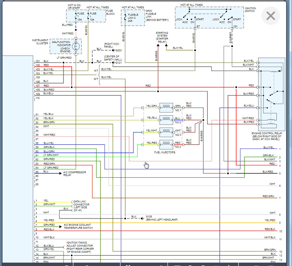
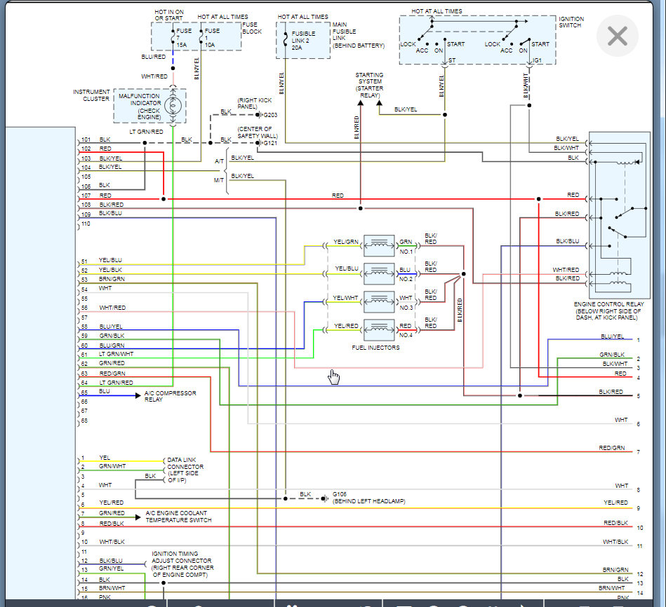
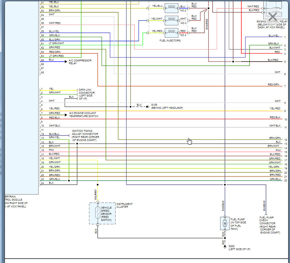
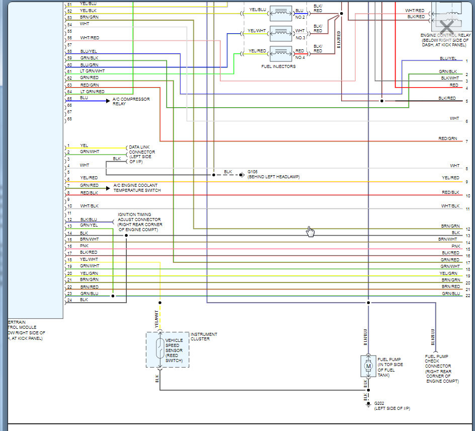
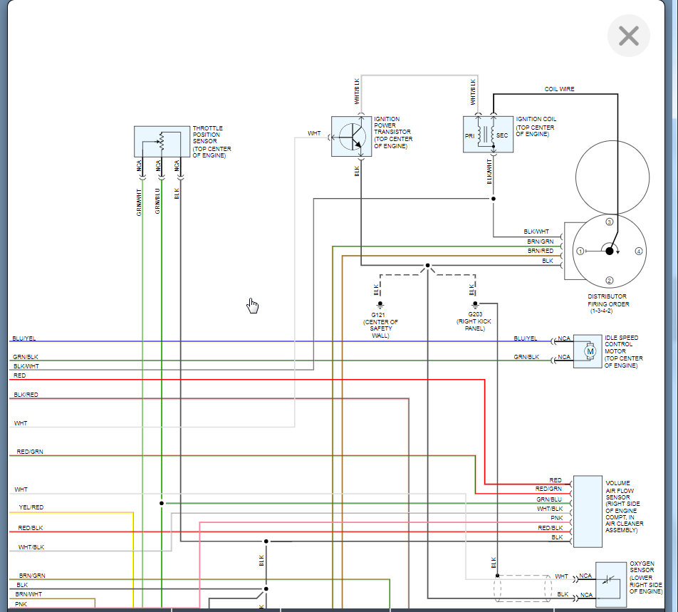
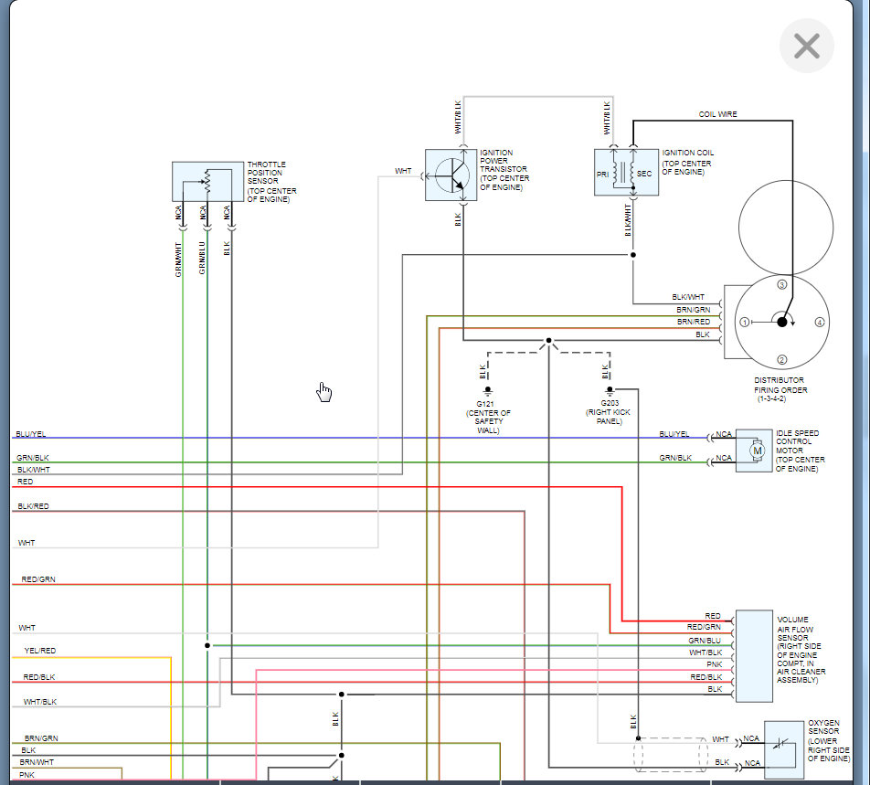
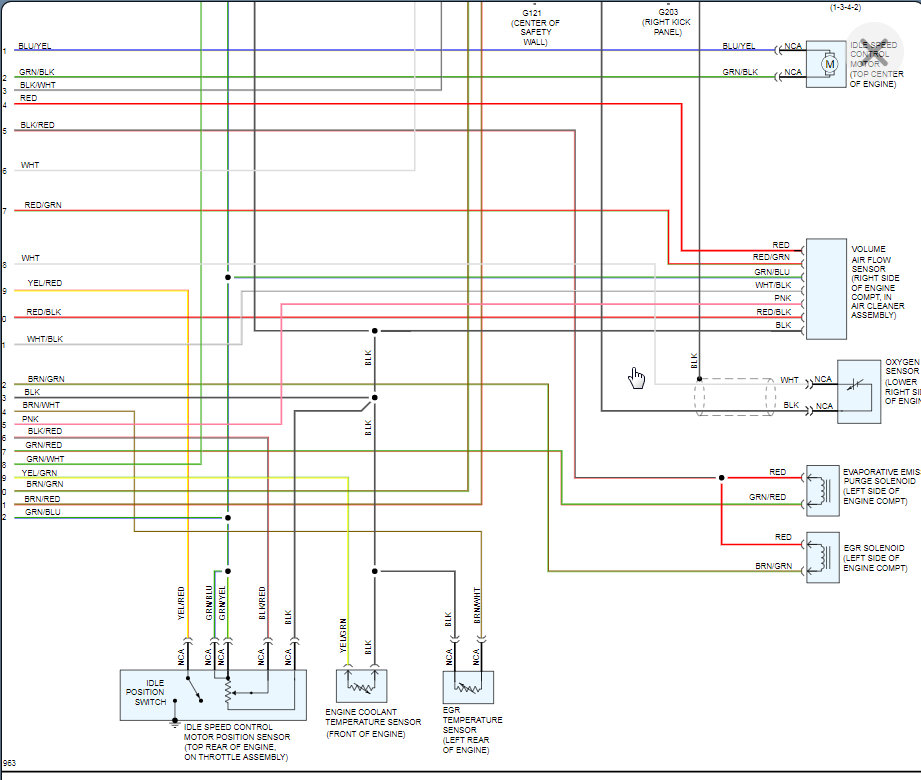
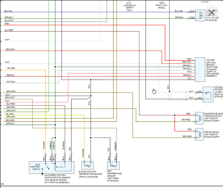
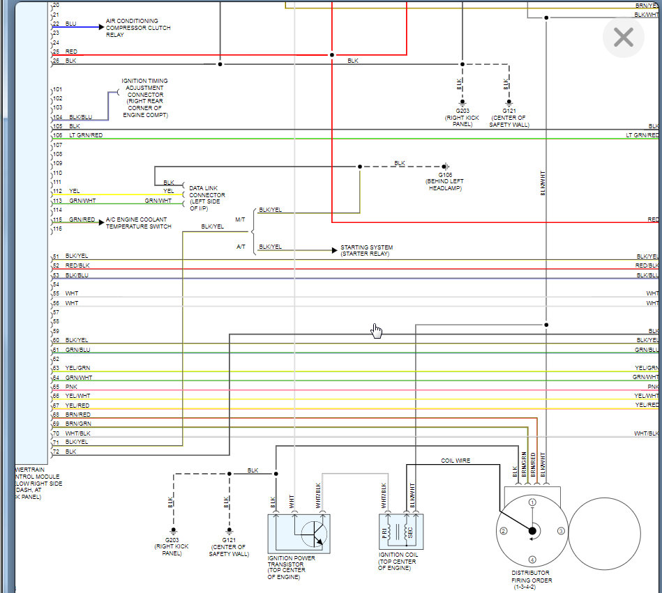
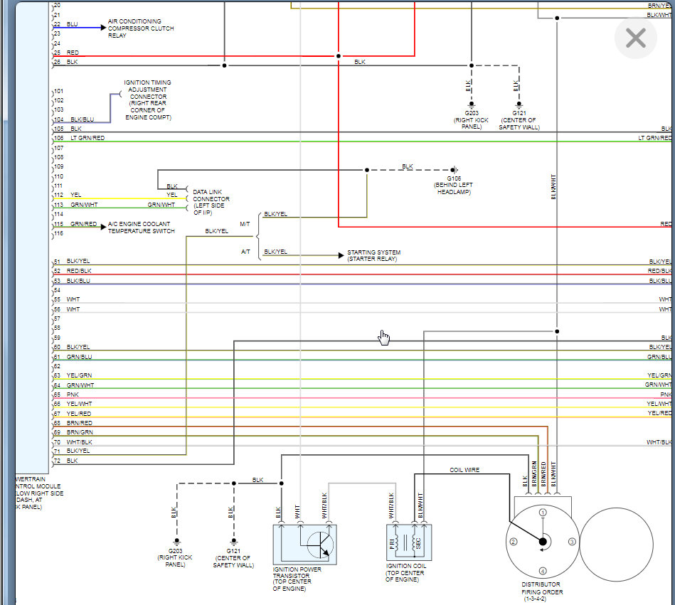
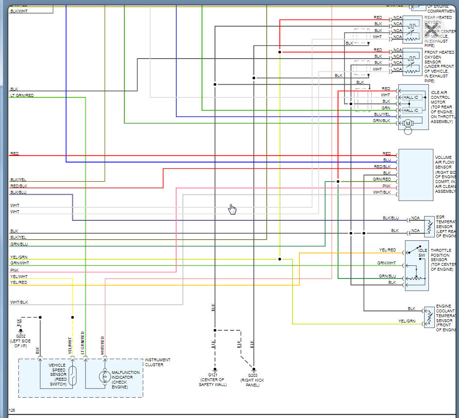
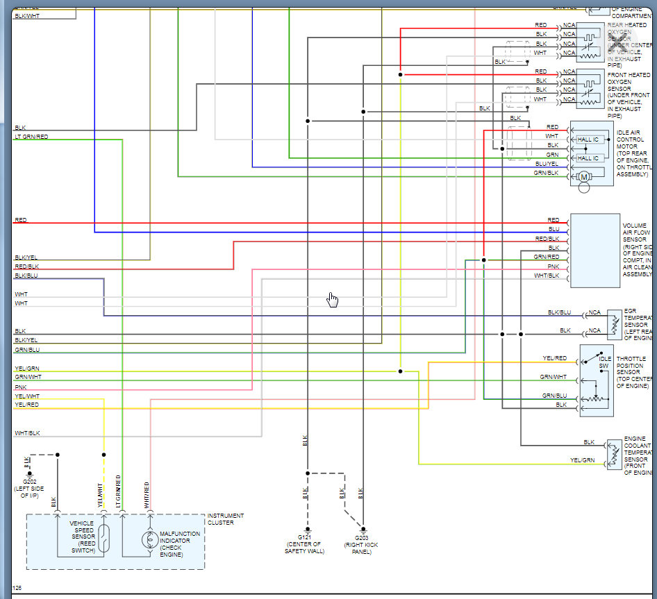
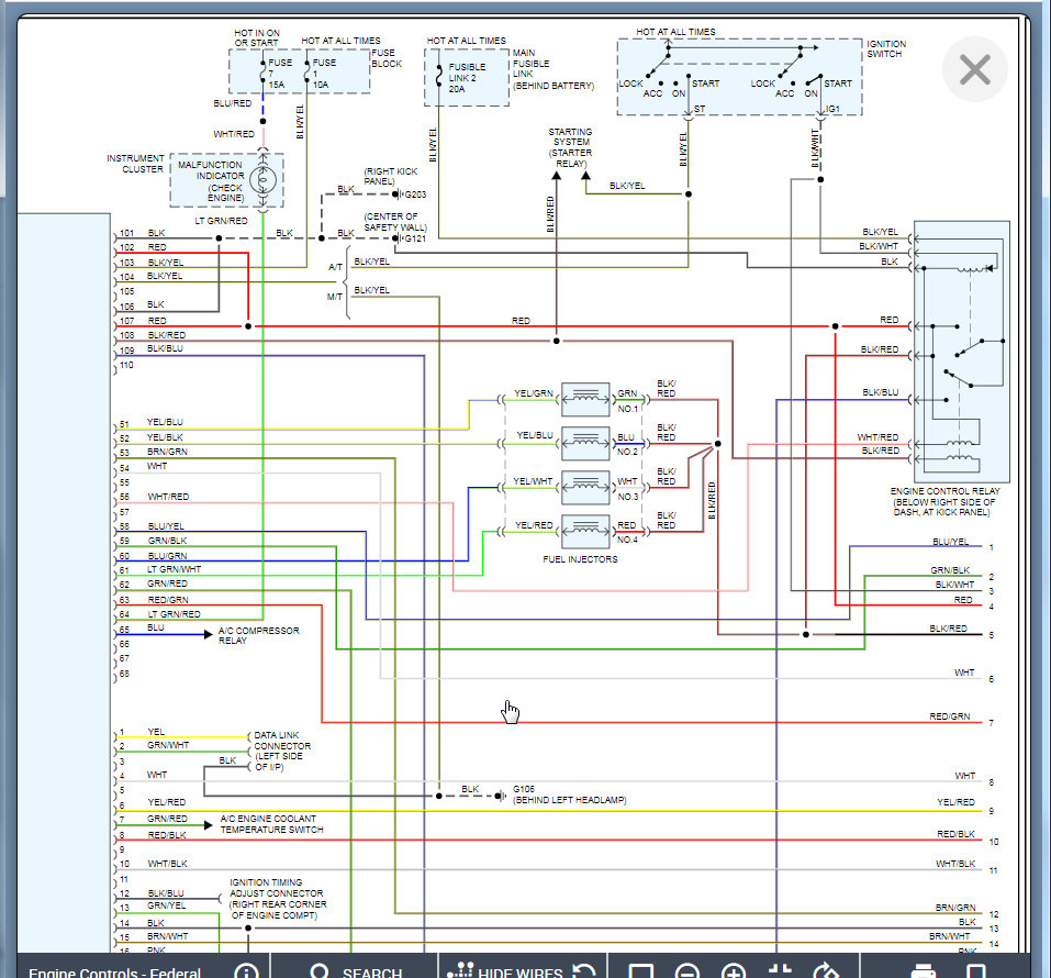
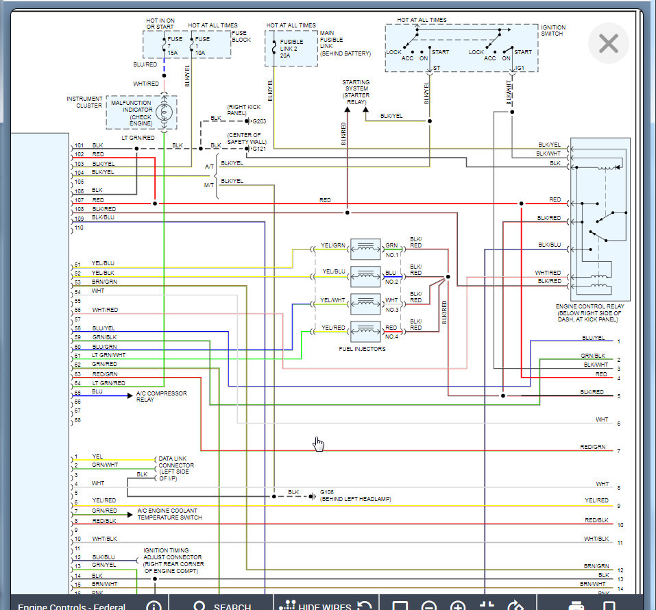
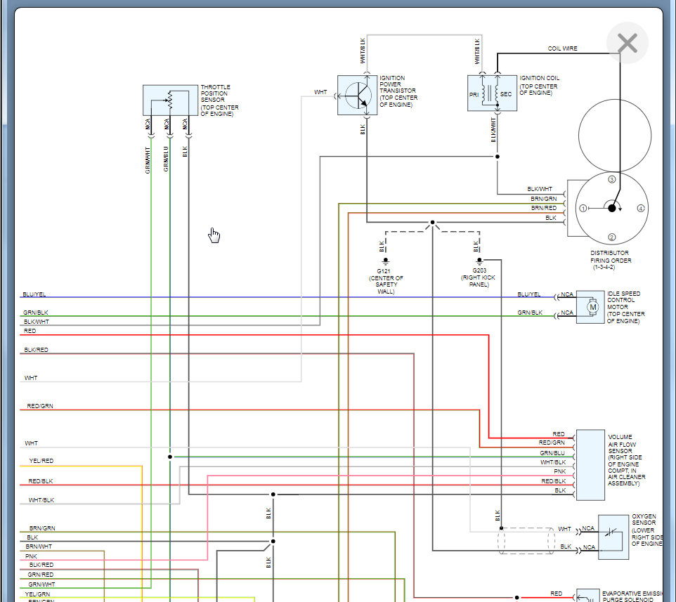
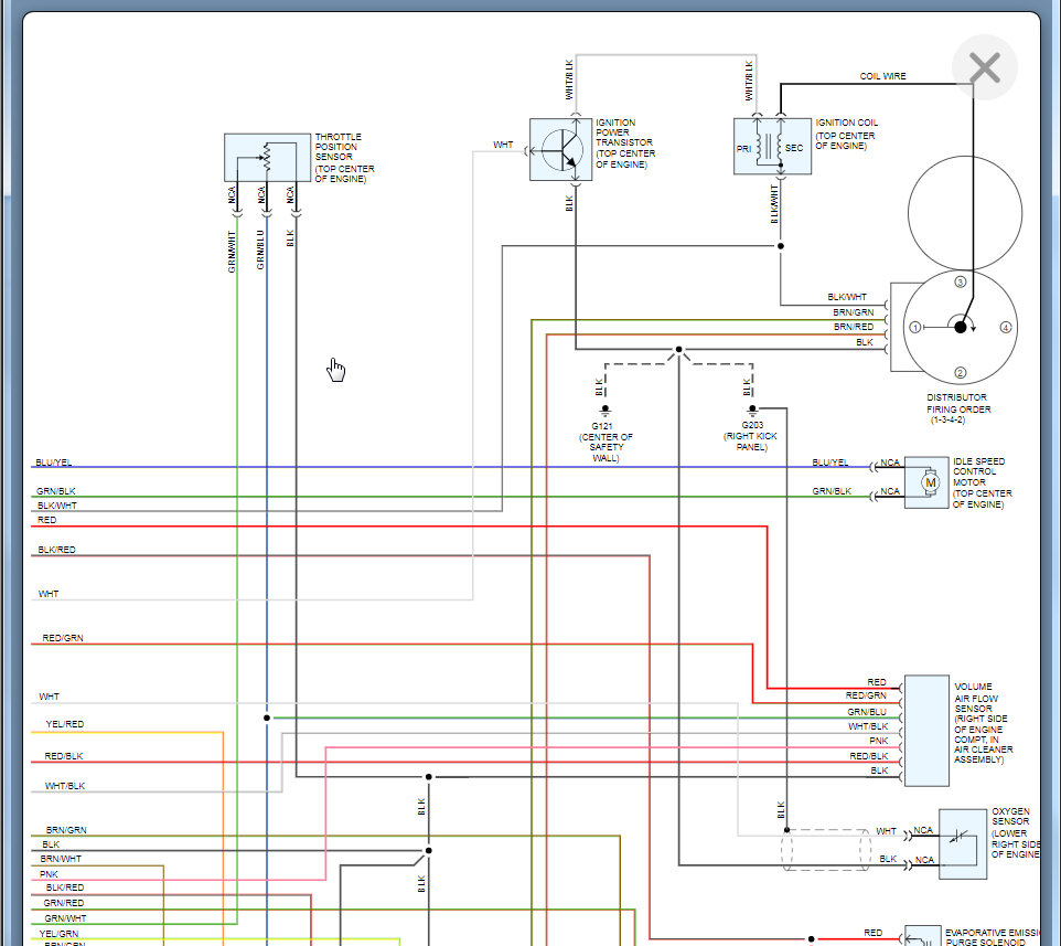
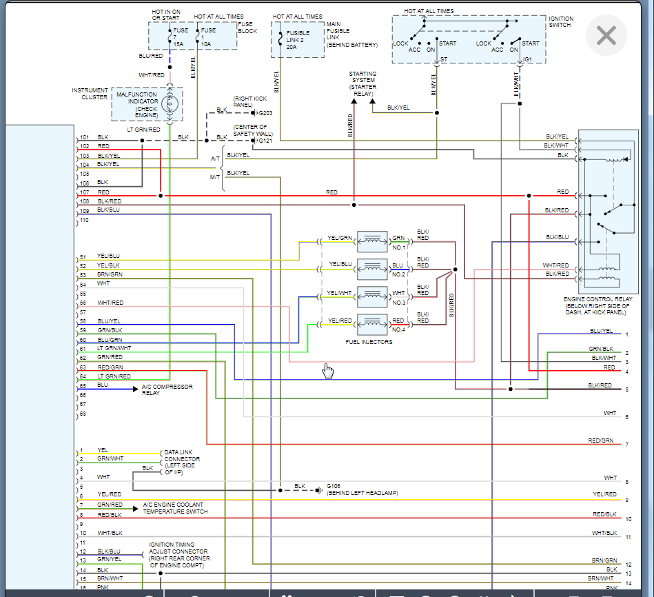
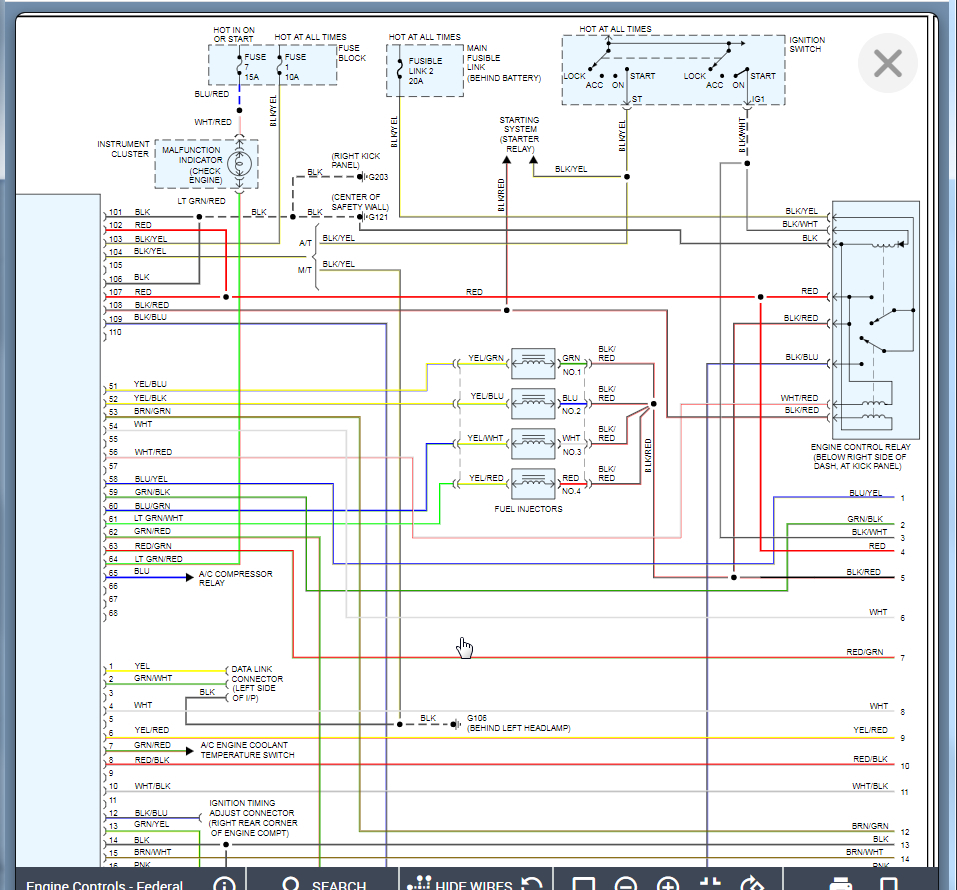
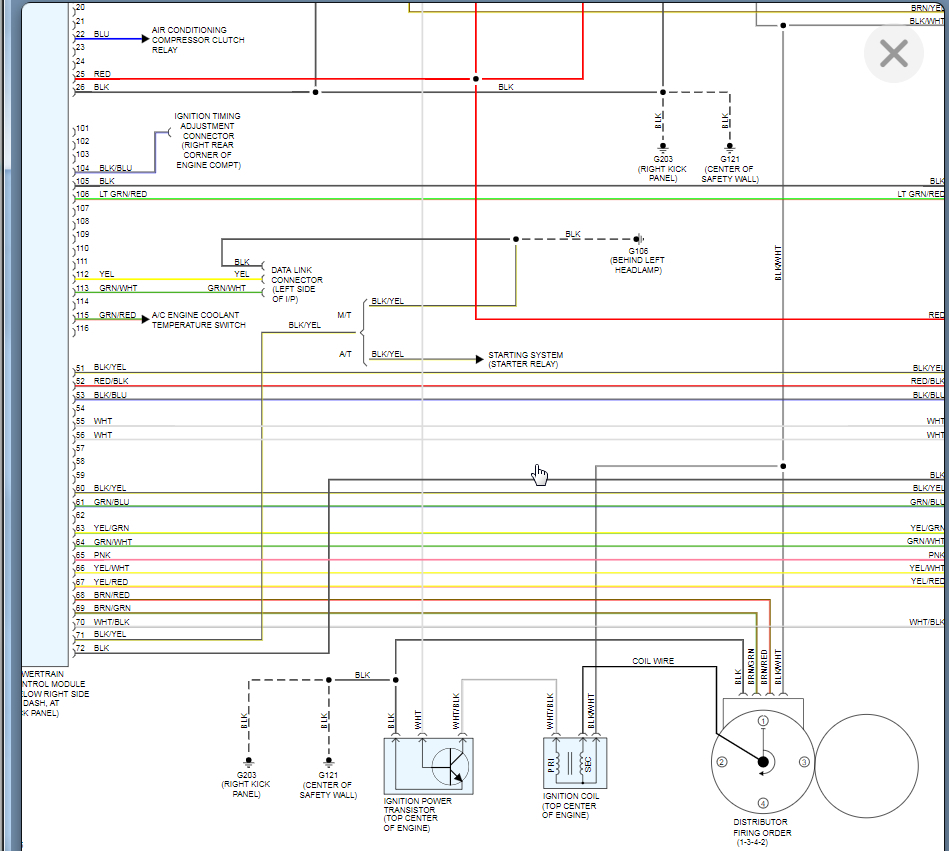
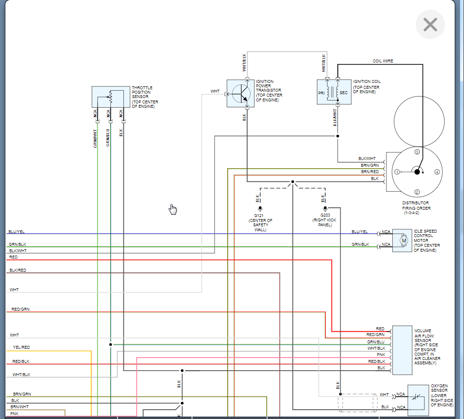
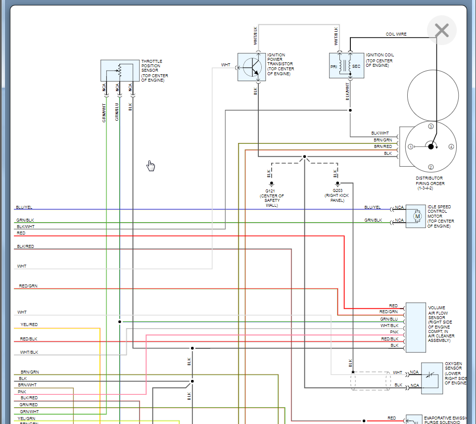
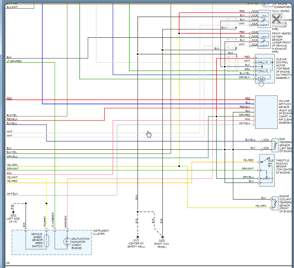
Need to know where is the ICM and components of the distributor to include the location of the ballast resistor.
I'm having problems with the ignition circuit. much appreciated.
I'm having problems with the ignition circuit. much appreciated.
May 4, 2021 at 2:27 AM

























