IBS sensor wiring?

2012 LAND ROVER RANGE ROVER
14,567 MILES • 2.0L • 4 CYL • 4WD • AUTOMATIC
Avatar
ANDRIN ATEM
  • MEMBER
  • 393 POSTS
Hi, please may I get the diagram for the IBM / IBS I have a broken wire living the sensor from the negative terminal. I need to know where it goes into the bcm so I can trace and join.
Mar 18, 2026 at 8:37 AM
Advertisement
Avatar
STRAILER
  • CERTIFIED EXPERT
  • 53,854 POSTS
That small broken wire leaving the negative-terminal IBS/BMS sensor should be traced into the local rear battery harness first. Do not assume it runs directly to a BCM pin. Can you please upload an image of the problem so I can see it? Ken
Mar 19, 2026 at 10:36 AM
Avatar
ANDRIN ATEM
  • MEMBER
  • 393 POSTS
B11D-87. P0560-21. P068A-00. U3003-16. U3003-21. U3003-21. U3003-22
Mar 19, 2026 at 10:45 AM
Advertisement
Avatar
STRAILER
  • CERTIFIED EXPERT
  • 53,854 POSTS
Here is an image that can help. Check out the images (below). Let us know what you find.
Mar 19, 2026 at 10:45 AM
Avatar
ANDRIN ATEM
  • MEMBER
  • 393 POSTS
This image does not resemble mine.
Mar 20, 2026 at 5:40 AM
Avatar
ANDRIN ATEM
  • MEMBER
  • 393 POSTS
I need to understand where this broken ins sensor wire connects to, am searching to find the other end wire, can’t see, which is why I requested a diagram to guide me.
Mar 20, 2026 at 5:49 AM
Avatar
STRAILER
  • CERTIFIED EXPERT
  • 53,854 POSTS
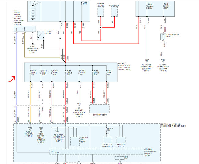
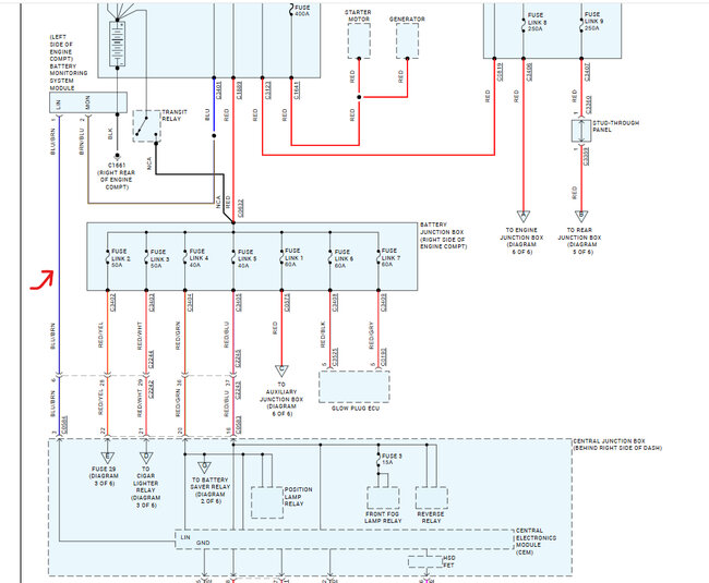
Those are ground wires, so that wire will go to the battery monitoring sensor. Check out the images (below). Let us know if you need anything else.
Mar 20, 2026 at 8:27 AM
Avatar
ANDRIN ATEM
  • MEMBER
  • 393 POSTS
You still don’t understand what I need. That broken piece of wire, leaves the battery monitoring module attached to the negative terminal of the battery, leaving that ibs sensor, where does it connect to? I don’t need ground connections. On that image above, shows both the sensor and the broken wire.
Mar 20, 2026 at 8:32 AM
Avatar
STRAILER
  • CERTIFIED EXPERT
  • 53,854 POSTS
Okay, I found it, it goes to the central fuse box behind the right side of the dash. Check it out. Check out the images (below).
Mar 20, 2026 at 8:48 AM
Avatar
ANDRIN ATEM
  • MEMBER
  • 393 POSTS
You got it right this time. I can see same color goes all the way to the central junction gate box behind right passenger side.
Mar 20, 2026 at 10:51 PM
Avatar
STRAILER
  • CERTIFIED EXPERT
  • 53,854 POSTS
Glad I can help.
Mar 21, 2026 at 9:27 AM