I am looking for a wiring diagram for the truck listed above for the fuel injection wiring layout.
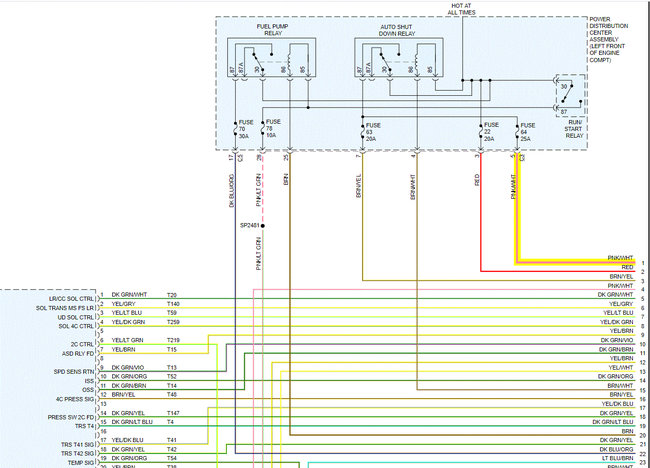
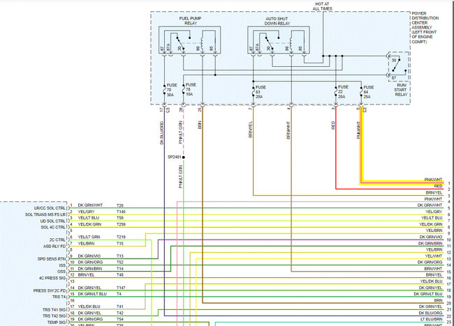
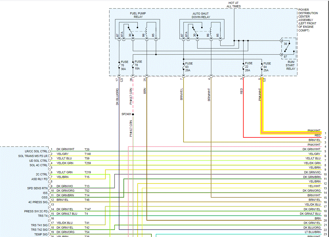
I am looking for the pink/white wiring layout from the fuse box under the hood to the PCM and where ever else it go to.
I am looking for the pink/white wiring layout from the fuse box under the hood to the PCM and where ever else it go to.
Aug 28, 2021 at 10:17 AM
















