IAC Valve wiring diagram needed?

2002 TOYOTA COROLLA
230,000 MILES
Avatar
IBRAH1098IB
  • MEMBER
  • 1 POST
want to know which color goes to each pin. It's a 3 pin IAC.
Feb 14, 2023 at 12:45 AM
Advertisement
Avatar
STRAILER
  • CERTIFIED EXPERT
  • 53,854 POSTS
Hello,

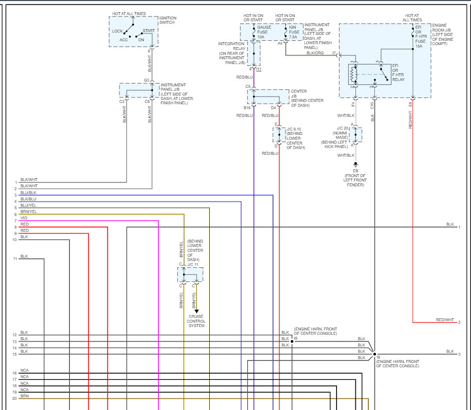
Yes, the wiring diagrams show three wires to the IAC motor. Here are the wiring diagrams which are included in the engine wiring. I also included a guide to help you test the connections as well.

https://www.2carpros.com/articles/how-to-check-wiring

Please check out the images below and let me know if you need anything else.
Feb 14, 2023 at 11:58 AM
Avatar
JACOBANDNICKOLAS
  • CERTIFIED EXPERT
  • 110,175 POSTS
Hi,

I tried finding a pic that showed specifics but was unable. So, I had to do it this way.

If you look at pic 1, the schematic indicates the wire color and pin it goes to. Pic 2 is the connector view. I numbered the connectors.

Let me know if this helps or if you have other questions.

Take care,

joe

See pics below.
Feb 14, 2023 at 12:06 PM
Advertisement