I replaced the battery, and my vehicle will not start

1998 JEEP WRANGLER TJ
95,000 MILES • 4.0L • 6 CYL • 4WD • AUTOMATIC
Avatar
SUPERNOVA1973
  • MEMBER
  • 1 POST
There is a clicking sound from behind the driver's side dash, about the speed of a turn signal regardless of the key being in the ignition. When I put the key in the ignition, I can get all of the accessories to work fine, as well as turn signals, etc. The clicking sound remains, even when I use the turn signals, but it is not coming from the flasher unit. I've checked the ground wires, and the hot wires from the battery, all connections seem to be solid. I replaced the starter relay, and there was no change. I was able to jump the jeep from the starter relay, and it started/ran just fine. Although it provided a breath of fresh air, I would like to fix the problem, which might be an anti-theft problem? I have yet to find anything that will help me reset or bypass the anti-theft system on the vehicle. Although I am leaning in this direction, I am not completely convinced this is the problem. Any help would be greatly appreciated.
Oct 14, 2019 at 11:35 AM
Advertisement
Avatar
MASTERWRENCH
  • CERTIFIED EXPERT
  • 258 POSTS
Welcome to 2CarPros!

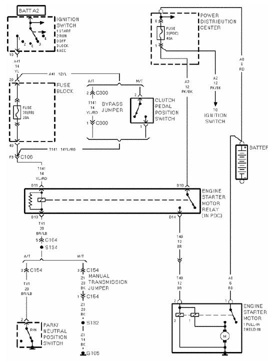
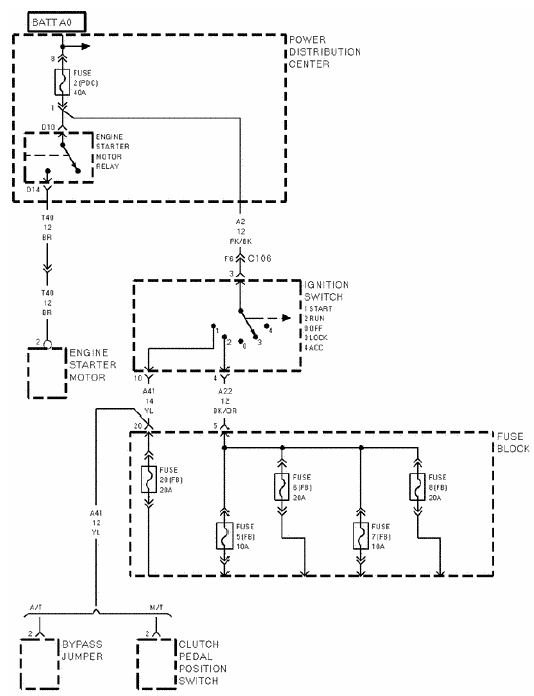
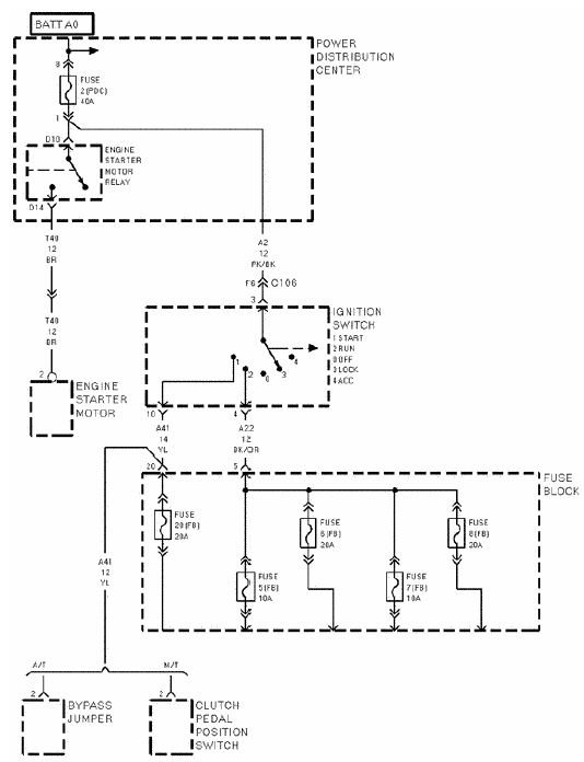
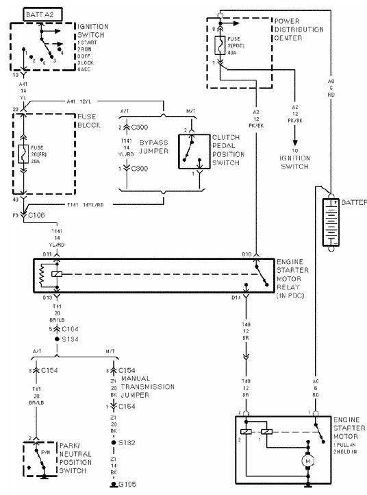
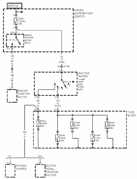
This is a pretty straight forward starting system and from the info you've provided, you're already half way there! I've attached two diagrams that pretty much cover the entire starting system. Since you were able to start the engine by inserting a jumper at the starter relay, we know the starter and all the high amperage wiring associated with it is in good shape. At this point we need to check Fuse 20 in the under-hood PDC. This fuse provides power from the ignition switch to the starter relay. Assuming the fuse isn't blown, you'll need to get a test light and some help from a friend. Have you helper hold the key in the start position and check for voltage at Fuse 20 with you test light. You should have power present at this fuse with the key turned to start. If not, you likely have a bad ignition switch.

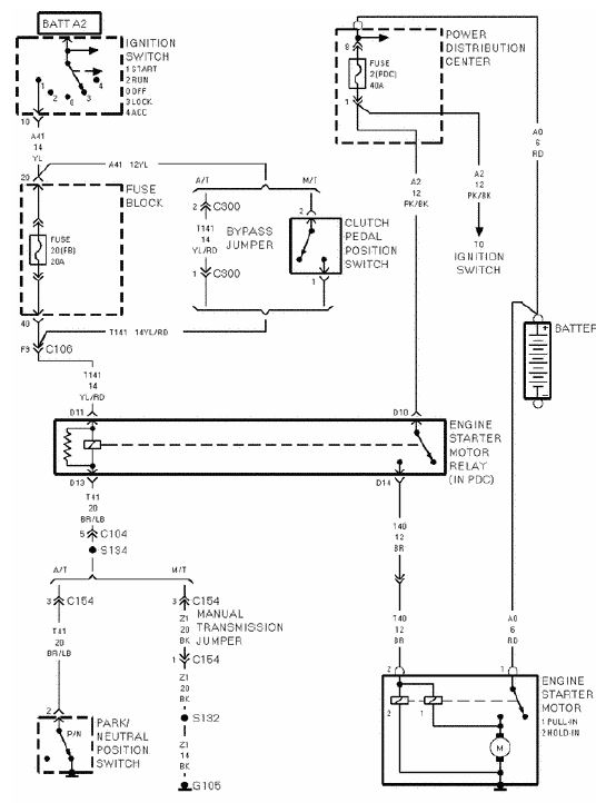
If you had the expected voltage at Fuse 20, we'll need to take a closer look at the control side of the starter relay. Looking at the diagram, power comes in from the ignition switch (through fuse 20) to terminal D11 at the relay. Again using your test light, verify you have power at this terminal with the key turned to start. If power is present, we'll need to look at terminal D13. This terminal should be grounded anytime the transmission is in Park or Neutral. The easiest way to rule out a park/neutral switch issue is to attach a jumper wire from this terminal to the negative battery post. At this point, making sure your starter relay is properly installed, try starting the engine again. If it starts with the key, that means you have a bad park/neutral switch.

Let us know what you find!!
Oct 14, 2019 at 8:24 PM