☰
Login
Join
×
Home
Answered Questions
Repair Topics
Repair & Service Guides
Popular Questions
Warning Lights
Trouble Codes
How It Works
Testing / Diagnostics
Symptoms
Videos
Login
Become a Member
Home
Dodge
Ram
Engine
Wiring
I need a wiring diagram for coils?
2013 DODGE RAM
120,000 MILES • 5.7L • V8 • 2WD • AUTOMATIC
ABIDZ05
MEMBER
7 POSTS
FOLLOW
3 of the spark plugs are not getting the signal. Is there any way i can get the wiring diagram for that?
Thank you
Oct 14, 2024 at 5:43 AM
Advertisement
STRAILER
CERTIFIED EXPERT
53,854 POSTS
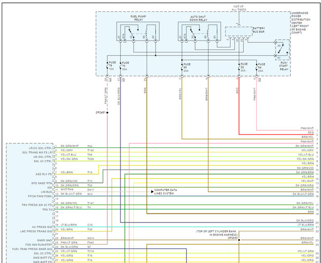
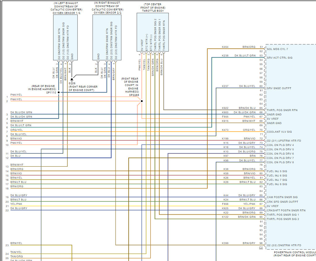
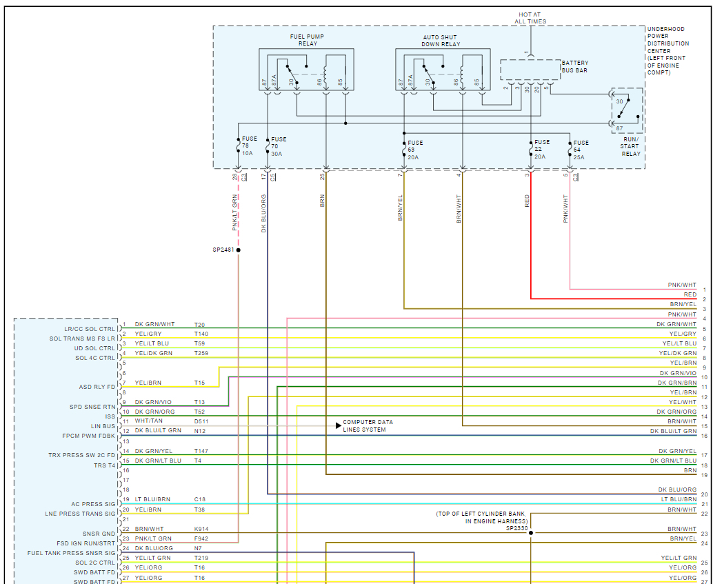
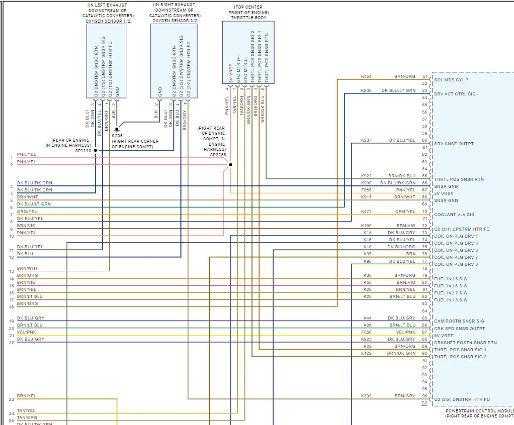
Sure, here are the wiring diagrams for the engine ignition coils and the engine PCM as well, this guide can help you test the connections:
https://www.2carpros.com/articles/how-to-check-wiring
I gave a close up of the coil wiring first to get you started. Check out the images (below). Let us know if you need anything else.
Images (Click to enlarge)
Oct 14, 2024 at 11:06 AM
ABIDZ05
MEMBER
7 POSTS
Thank you, Ken, that was exactly what I wanted and ended up solving my issue.
Oct 23, 2024 at 7:28 AM
Advertisement
STRAILER
CERTIFIED EXPERT
53,854 POSTS
You are welcome, please use 2CarPros anytime we are here to help.
Oct 23, 2024 at 10:50 AM