I need to reset the security system

2011 GMC TERRAIN
95,000 MILES
Avatar
AMCAFEE88
  • MEMBER
  • 5 POSTS
I locked out my anti theft system need to reset it. Car fob will unlock, lock, panic and auto start all works. Put key in and turn it and won’t start. Car with lock sign is on and won’t reset. I have tried some stuff but need more ideas.

Thanks
Jan 22, 2020 at 9:49 AM
Advertisement
Avatar
STEVE W.
  • CERTIFIED EXPERT
  • 15,113 POSTS
That sounds like you have an issue with the system recognizing the key in the ignition, if it was the security system blocking you the remote start wouldn't start the engine and the light would blink as you tried to start it, then it would start but shut right off. With the light staying on it means there is a mechanical failure in the anti-theft. Being a transponder based system a common fault is the transponder antenna ring that wakes the key and reads the return signal. It's also possible there is a fault in the body control module.
Unfortunately to determine where the fault lies you need a good scan tool that can read the security systems responses to the key to see which part isn't responding.

You can try disconnecting the battery for 5 minutes but I doubt it will work as the light being on solid indicates a mechanical issue, not electrical.
Jan 22, 2020 at 11:20 AM
Avatar
AMCAFEE88
  • MEMBER
  • 5 POSTS
Is there a way to reprogram that key? I only have 1 key?
Jan 22, 2020 at 11:31 AM
Advertisement
Avatar
AMCAFEE88
  • MEMBER
  • 5 POSTS
I think the other issue is that I was trying to program a new fob and that’s when it messed up.
Jan 22, 2020 at 11:31 AM
Avatar
STEVE W.
  • CERTIFIED EXPERT
  • 15,113 POSTS
It isn't the key it is the part in the column that reads the key that normally acts up. But if you were trying to program a fob it may simply be the system now thinks it has no valid keys. For that a locksmith should be able to program in the existing key or at least verify it works. What have you already tried to do to reset it?
Jan 22, 2020 at 12:06 PM
Avatar
AMCAFEE88
  • MEMBER
  • 5 POSTS
I have pulled the fuse. Took battery off for 30 minutes. I have locked the doors on inside and locked door with key. Unlocked the key with key fob. Put key in. I also have started the car with auto start put key in and it shuts off.
Jan 22, 2020 at 12:13 PM
Avatar
STEVE W.
  • CERTIFIED EXPERT
  • 15,113 POSTS
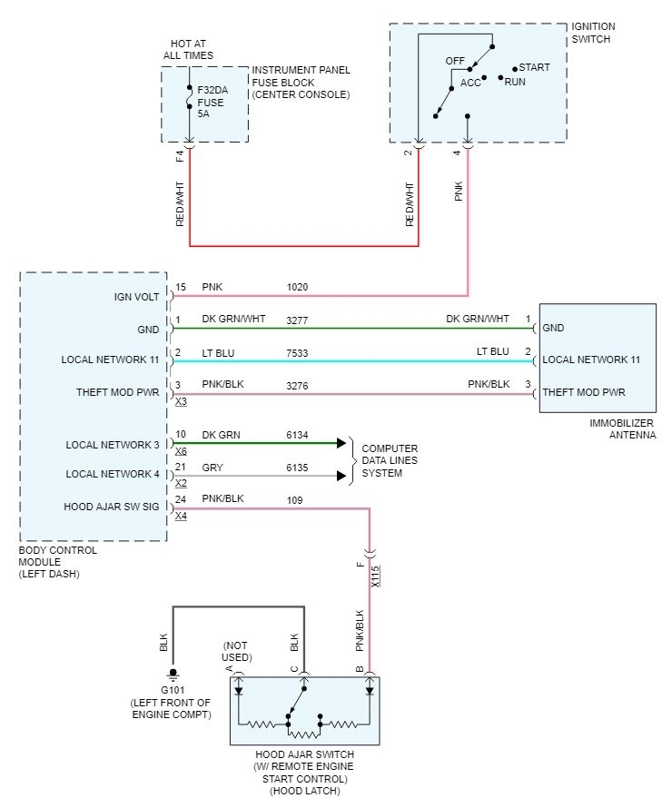
Okay, you have tried all of the reset options. That points it back to a mechanical failure in the system. To find that requires a dealer level scan tool that can talk to the security system. With it you can see if it recognizes the key and turns off the immobilizer or not. Then you test the parts while watching the tool. The system is simple in the parts as the antenna connects to the BCM, but it can be a pain to test. The circuit for it is below. The antenna and module are in the other picture and the last one shows it's location under the steering column shrouds. Usually it will set a B2955 00 code in the security module if it's the antenna that has failed. Here is the test procedure for the antenna and module.

1. Ignition off, disconnect the harness connector at the B101 immobilizer antenna.
2. Ignition off, test for less than 30 ohm between the low reference circuit terminal 1 and ground.
If greater than the specified range, test the low reference circuit for an open/high resistance. If the circuit tests normal, replace the K9 BCM.

3. Connect a test lamp between the B+ circuit terminal 3 and ground.
4. While observing the test lamp, turn the ignition ON. The test lamp should illuminate for three seconds.
If the test lamp does not illuminate, test the B+ circuit for a short to ground or an open/high resistance. If the circuit tests normal, replace the K9 BCM.

5. Test for 12-13 V between the serial data circuit terminal 2 and ground.
If less than the specified range, test the serial data circuit for a short to ground or an open/high resistance. If the circuit tests normal, replace the K9 BCM.
If greater than the specified range, test the serial data circuit for a short to voltage. If the circuit tests normal, replace the K9 BCM.

6. If all circuits test normal, replace the B101 immobilizer antenna. Verify DTC B2955 is not set. If the DTC is set, replace the K9 BCM.
Jan 22, 2020 at 8:25 PM
Avatar
AMCAFEE88
  • MEMBER
  • 5 POSTS
Thank you, I’ll give it a try.
Jan 23, 2020 at 4:31 AM
Avatar
STEVE W.
  • CERTIFIED EXPERT
  • 15,113 POSTS
The module runs about $40.00 if needed. The hardest part is getting the column shrouds off because the clips that connect them are difficult at times.
Jan 23, 2020 at 5:46 AM