Hello, could someone give me the pinout of cluster odometer for the vehicle listed above. i want to turn it on with the godiag. thank you
Jun 21, 2024 at 8:54 PM
Advertisement
STEVE W.
CERTIFIED EXPERT
15,113 POSTS
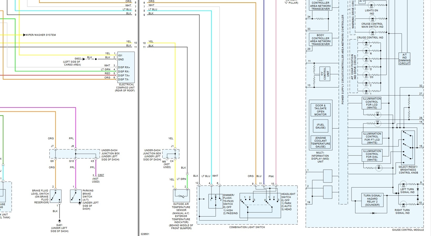
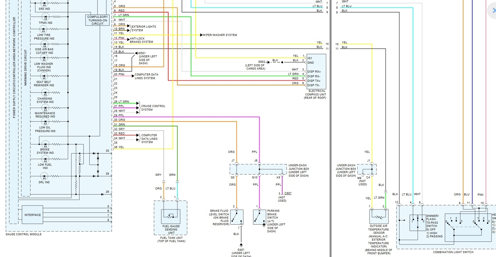
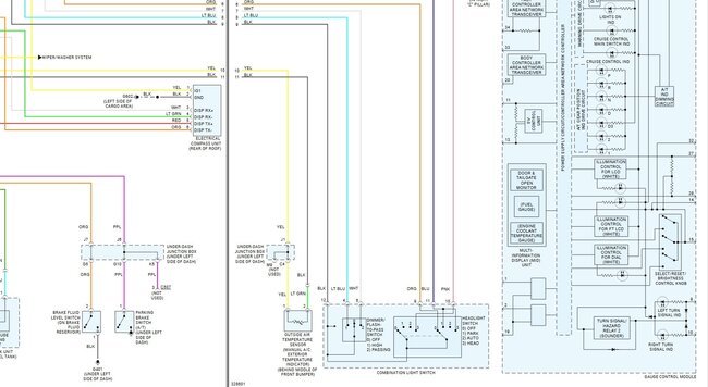
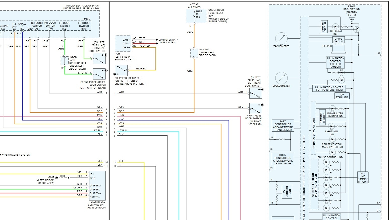
Could you clarify what it is you are trying to do? If you are trying to communicate with the cluster you can only do that using the CAN bus and the proper scan tool. Even then it will not let you alter anything in the cluster as that is all saved in a secure eprom. The attached are the wiring to the cluster.