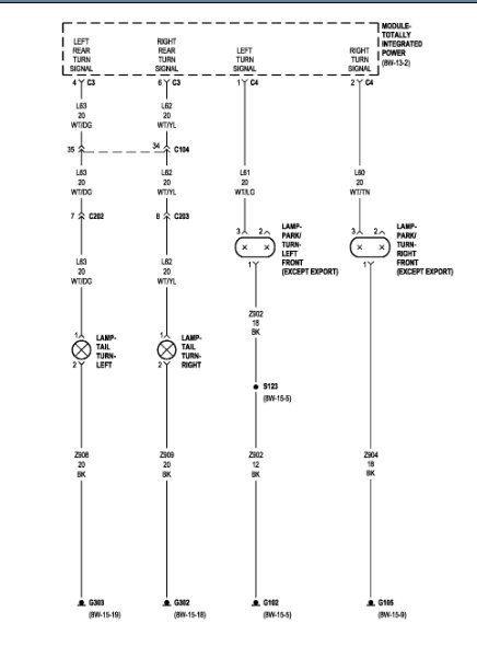
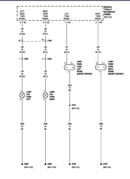
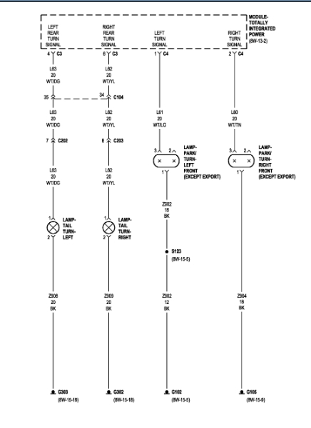
My left rear turn signal light will not work. it is the only one that wont work. i have tried several new bulbs that will not work and i have had someone check the fuse and still didn't work. what could it be causing it not to work and what should i buy to fix it ?
May 11, 2019 at 2:02 AM
