I need the wiring diagram (pinout) for the insturment cluster?

2009 TOYOTA AVENSIS
74,000 MILES • 1.6L • 4 CYL • 2WD • MANUAL
Avatar
DESPRINTER
  • MEMBER
  • 5 POSTS
I am installing an aftermarket cruise control and need to locate the vehicle speed signal wire.
Jan 6, 2025 at 1:46 PM
Advertisement
Avatar
STRAILER
  • CERTIFIED EXPERT
  • 53,854 POSTS
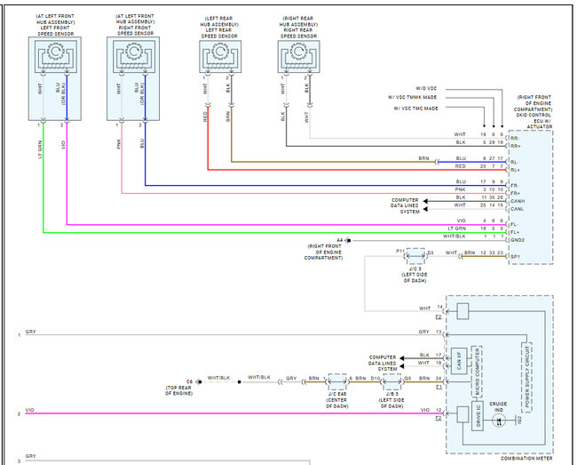
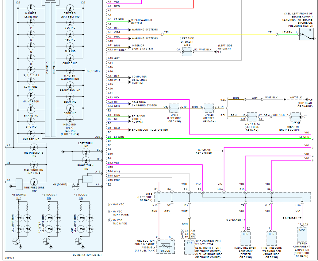
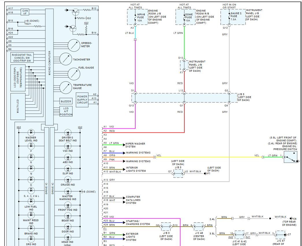
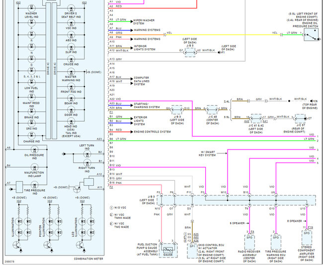
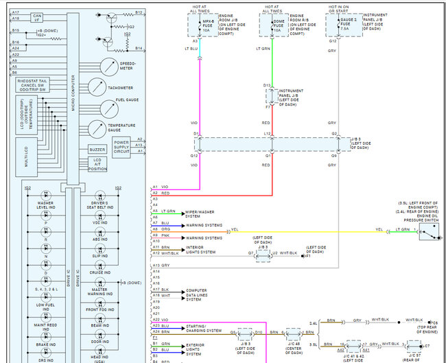
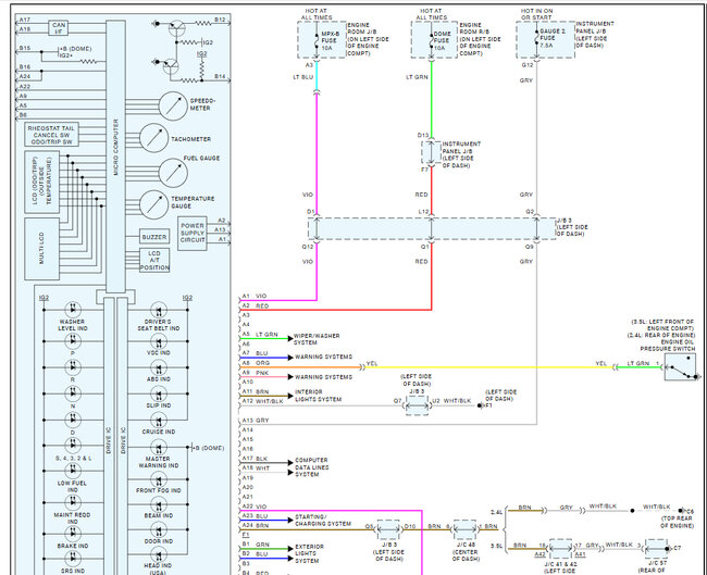
This is what we have for the wiring diagrams and pin out for the instrument cluster. But I need to tell you they gave the vehicle speed data from ABS module. Let me know what you find. Check out the images (below).
Jan 7, 2025 at 10:55 AM
Avatar
DESPRINTER
  • MEMBER
  • 5 POSTS
Thanks KenL for the diagram. I have bought a EasyGuard Cruise Control "https://www.ieasyguard.com/product/cruise-control-for-toyota-series-2/" which has one wire that needs to be connected to "Gearbox speed/Abs Sensor" but I do not find any of those wires in the diagram. I was hoping that I might find them connecting to the instrument cluster. Do you know where I can find this wire? The included installation guide is not helpful at all.
Jan 7, 2025 at 12:10 PM
Advertisement
Avatar
STRAILER
  • CERTIFIED EXPERT
  • 53,854 POSTS
The car didn't come with cruise control? I would try the white wire at the cluster, it is the input from the ABS module.
Jan 9, 2025 at 10:24 AM
Avatar
DESPRINTER
  • MEMBER
  • 5 POSTS
No the car did not come with CC. I think CC is only for the 1.8 and above.
I tried the white wire but no luck. I forgot to mention that the Plug on the back instrument cluster look different than the diagram. It is a 40 Pin plug. Do you have the diagram for the 40 Pin version? Thanks!
Jan 10, 2025 at 6:48 AM
Avatar
STRAILER
  • CERTIFIED EXPERT
  • 53,854 POSTS
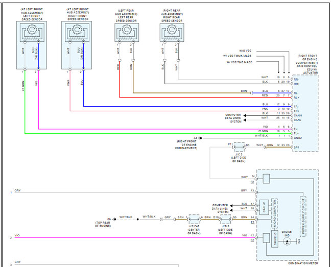
Can I get an image of the steering wheel? The vehicle speed data is communicated throughout the CAN via the ABS control ECU. I would try to tap into one of the WSS to see if you can get it to work, here is the wiring diagram so you can see what I am talking about.
Jan 10, 2025 at 9:39 AM
Avatar
DESPRINTER
  • MEMBER
  • 5 POSTS
Here is the steering wheel.
Jan 10, 2025 at 9:42 AM
Avatar
STRAILER
  • CERTIFIED EXPERT
  • 53,854 POSTS
It looks like this car has cruise control, do you see the up and down arrows on the steering wheel and the set/cruise off and on where the level on the right, these are for the cruise control.
Jan 10, 2025 at 9:51 AM
Avatar
DESPRINTER
  • MEMBER
  • 5 POSTS
It came with aftermarket CC kit that I ordered. I installed my self.
Jan 10, 2025 at 11:35 AM
Avatar
STRAILER
  • CERTIFIED EXPERT
  • 53,854 POSTS
Gotcha, I would go back to one of the wheel speed sensor outputs, let me know if that works.
Jan 11, 2025 at 9:06 AM