How to diagnose the airbag clock spring?

2004 CHEVROLET SILVERADO
200,000 MILES • 4.3L • V6 • 2WD • AUTOMATIC
Avatar
TAVARES DAVIS
  • MEMBER
  • 2 POSTS
I think my airbag clock spring is bad. How do I diagnose it?
Apr 9, 2024 at 6:51 PM
Advertisement
Avatar
BORIS K
  • CERTIFIED EXPERT
  • 836 POSTS
Hello,

A good video on how to test the clock spring, this one is removed from vehicle:
https://youtu.be/-UgL22uM8Tk?si=0mfYaKpZfmfVCzfe

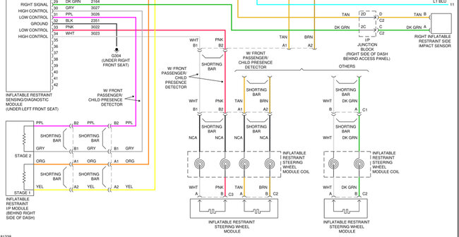
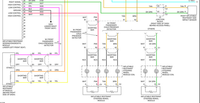
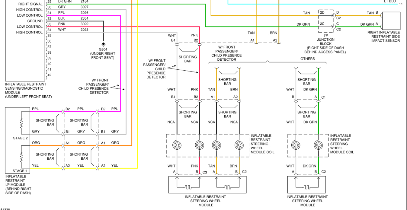
There are 2 types of driver air bag, with single or dual stage ignition
So, the clock spring will either have 1 or 2 airbag squibs.

You will need to remove the steering wheel air bag to carry out any tests on the airbag clock spring.

To remove the airbag first disconnect the 12V battery.

A good video how to remove airbag/steering wheel:
https://youtu.be/CKw9NiXK0j4?si=OKkfhKd8VR36x8cP

See image below for wiring/pin data

Continuity testing is best done using a voltmeter on ohm setting.

How to use a voltmeter:
https://www.2carpros.com/articles/how-to-use-a-voltmeter

Cheers, Boris
Apr 10, 2024 at 6:55 AM