☰
Login
Join
×
Home
Answered Questions
Repair Topics
Repair & Service Guides
Popular Questions
Warning Lights
Trouble Codes
How It Works
Testing / Diagnostics
Symptoms
Videos
Login
Become a Member
Home
Volkswagen
Golf
Engine
Wiring
transmission control module wiring diagram
2004 VOLKSWAGEN GOLF
365,457 MILES • 1.6L • 4 CYL • 2WD • AUTOMATIC
ELIJAHADEGAHI
MEMBER
22 POSTS
FOLLOW
Please I need the complete wire diagram and the location of the transmission control module. please, thank you.
Mar 2, 2020 at 2:10 PM
Advertisement
KASEKENNY
CERTIFIED EXPERT
18,907 POSTS
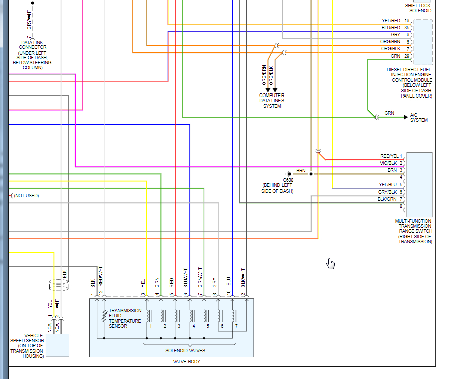
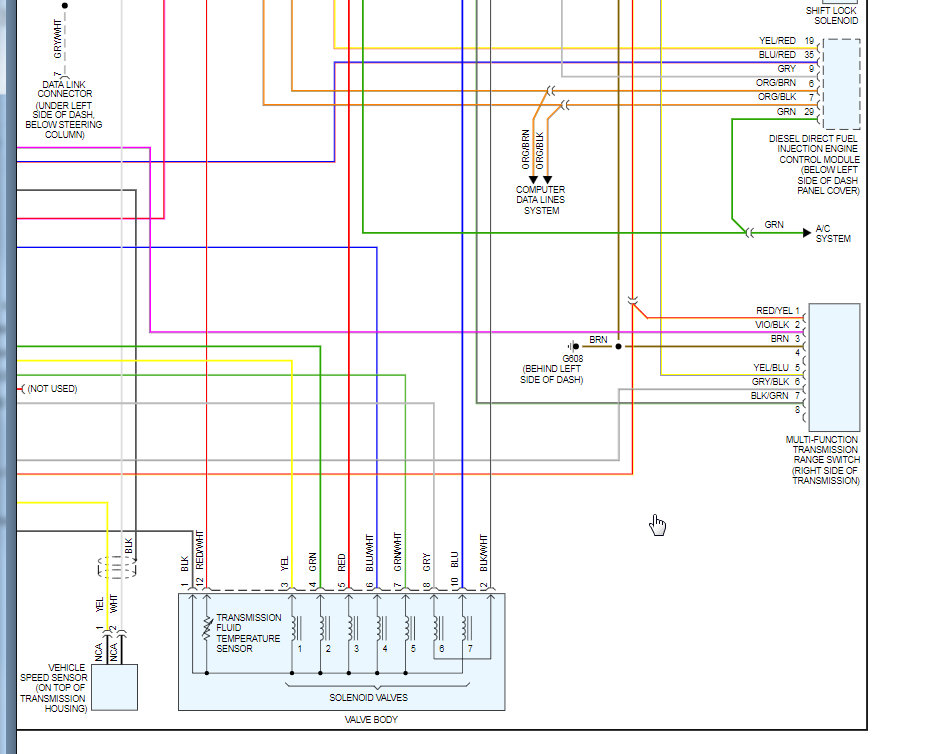
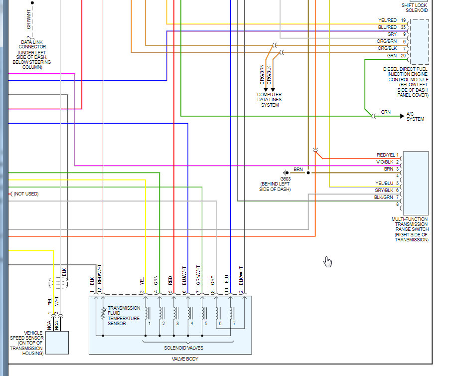
I attached the wiring diagram that you requested. However, it appears there are options on which transmission so hopefully this matches your vehicle.
The diagram states the TCM is at the base of the windshield on the passenger side in the plenum.
Images (Click to enlarge)
Mar 2, 2020 at 2:25 PM