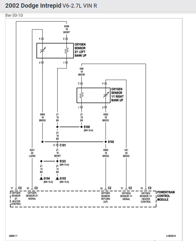
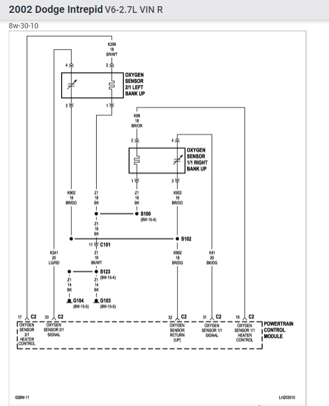
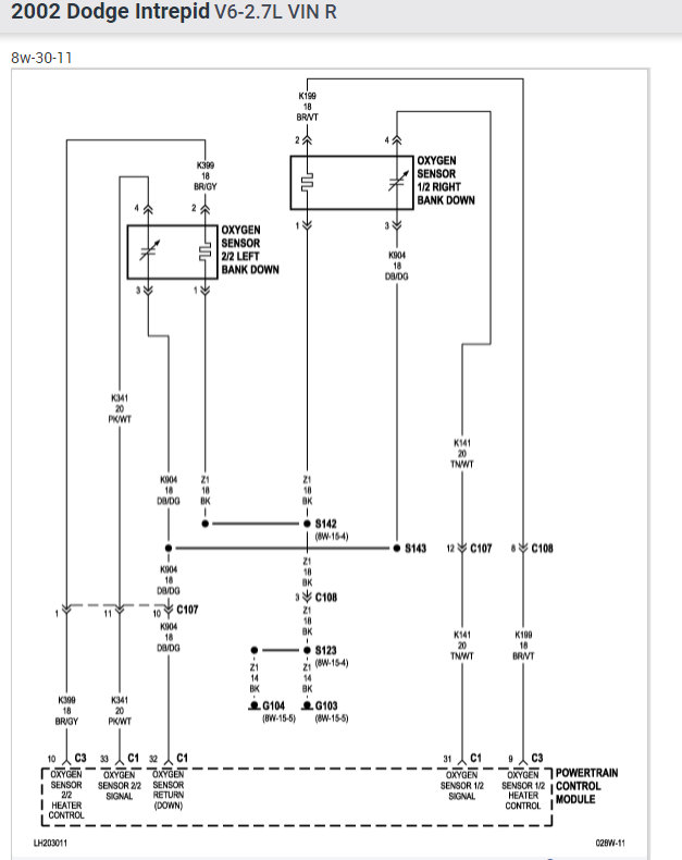
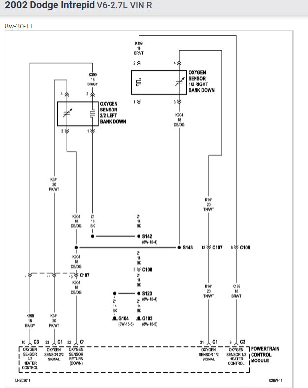
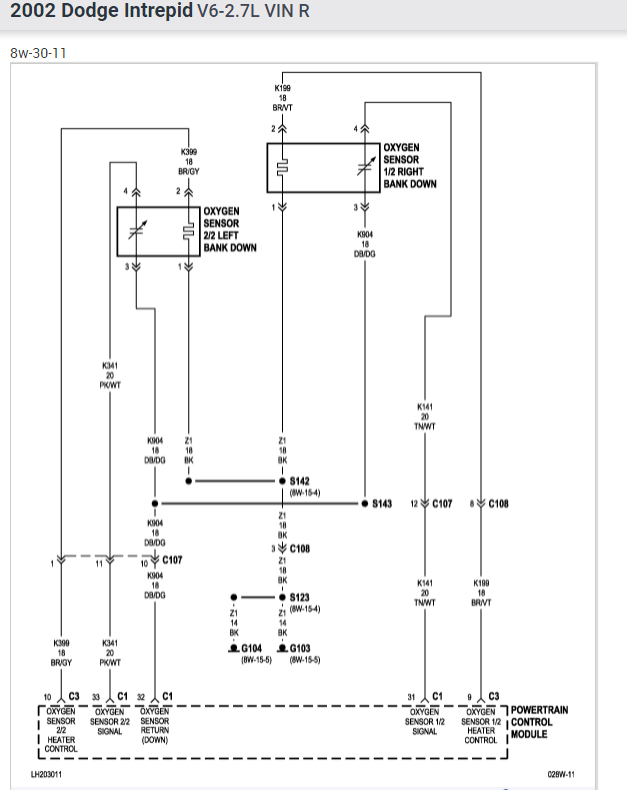
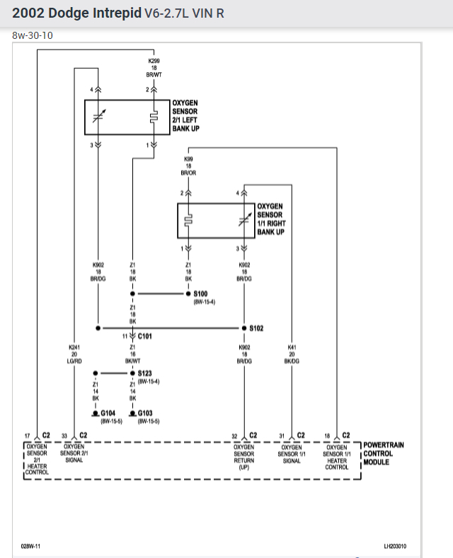
I know it's not suggested but i'm having to splice my oxygen sensor to the wires on the connector. I can't find a diagram or anyone who can tell me which wires go to which. The sensor and the connector are melted together so i had to pull both and due to lack of money i can't afford the replacement piece that the sensor connects to.
Jul 23, 2014 at 3:48 PM


