I need TIPM wiring diagrams?

2012 JEEP GRAND CHEROKEE
120,000 MILES • 3.6L • V6 • 4WD • AUTOMATIC
Avatar
ROMANAS
  • MEMBER
  • 4 POSTS
Hello. I need TIPM connectors scheme. Can't find rear defogger pin, rear stop light pins, rear turn signal pins?
Dec 29, 2022 at 4:21 AM
Advertisement
Avatar
STRAILER
  • CERTIFIED EXPERT
  • 53,855 POSTS
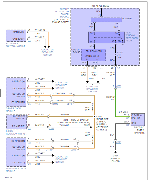
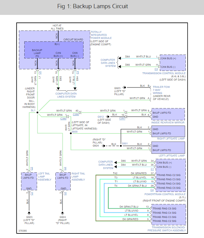
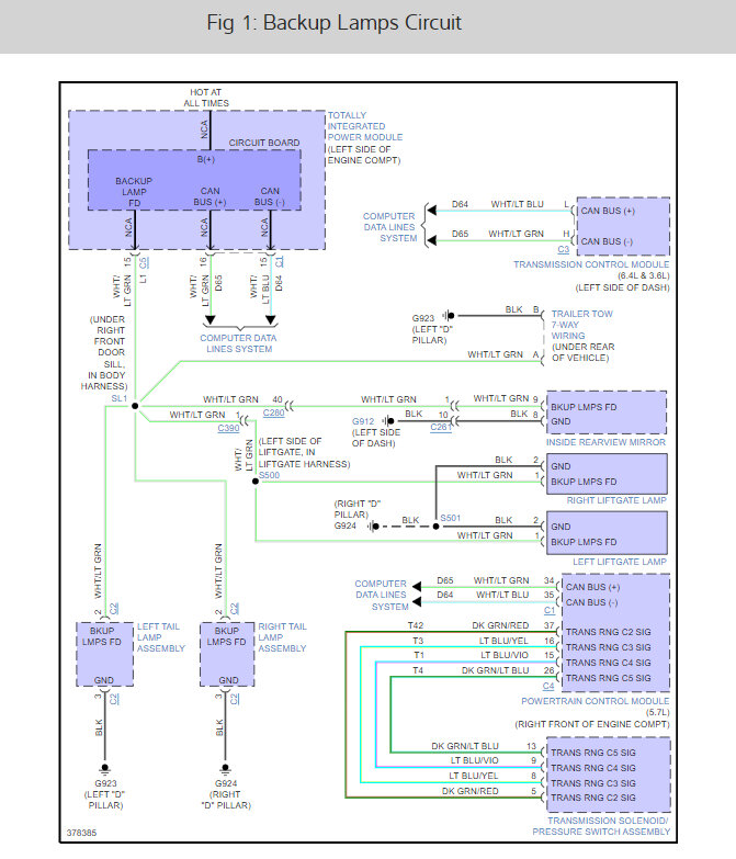
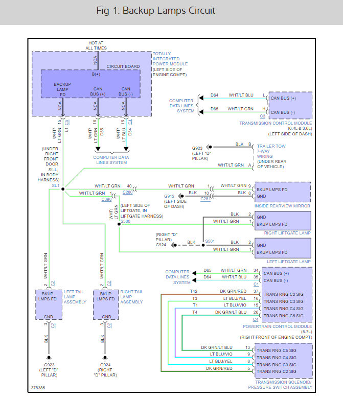
Here are the wiring diagrams for the TIPM, rear defogger and rear tail and brake lights as you have requested, and I have included a guide to help you with the testing.

https://www.2carpros.com/articles/how-to-check-wiring

Check out the images (below). Please let us know if you need anything else to get the problem fixed.

Dec 29, 2022 at 12:50 PM
Avatar
ROMANAS
  • MEMBER
  • 4 POSTS
Sorry, I don't need rear window defogger pin, I need rear fog light pin location in TIPM.
Dec 30, 2022 at 12:40 PM
Advertisement
Avatar
STRAILER
  • CERTIFIED EXPERT
  • 53,855 POSTS
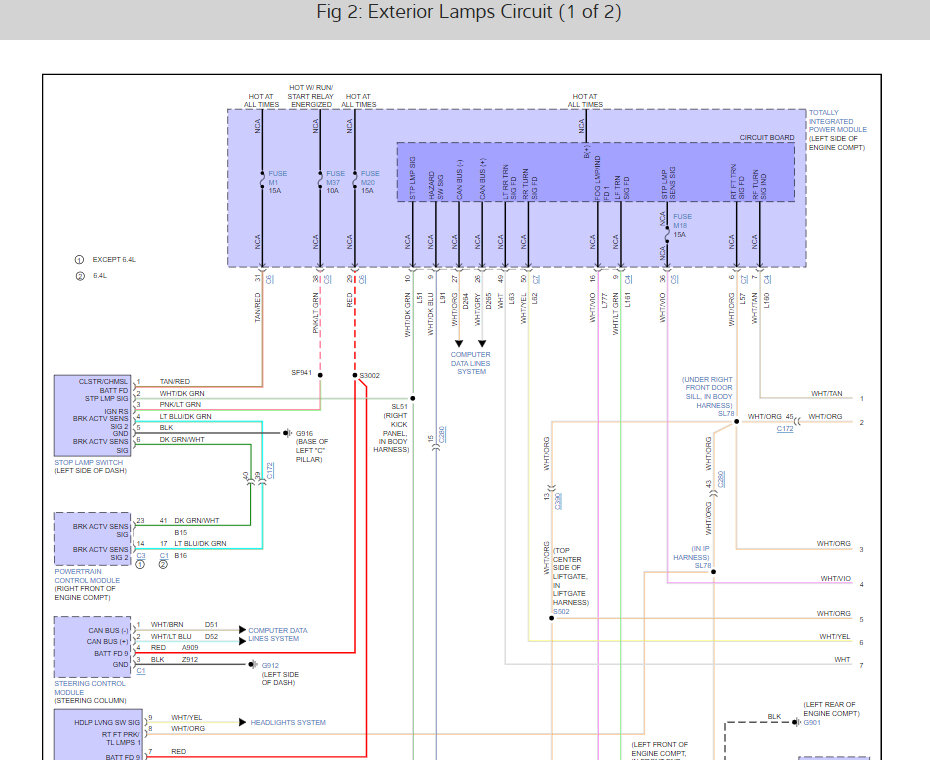
Sure, here are the wiring diagrams for the TIPM and the exterior lighting systems. Check out the images (below). Please let us know if you need anything else to get the problem fixed.
Dec 31, 2022 at 12:55 PM