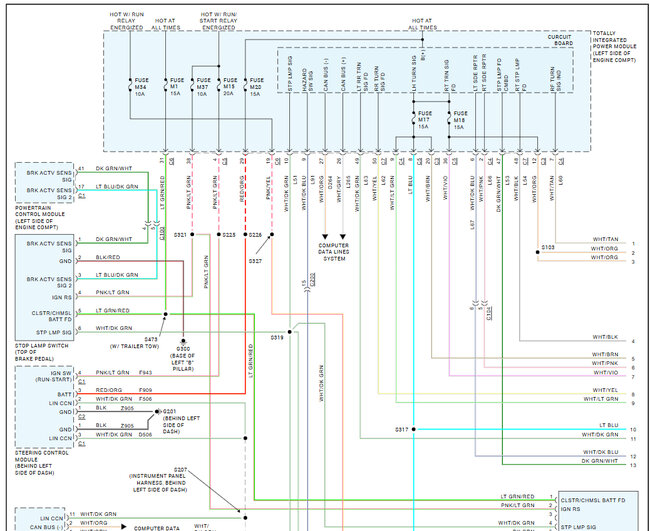
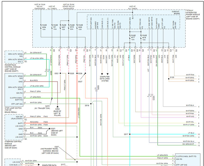
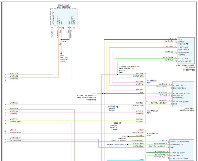
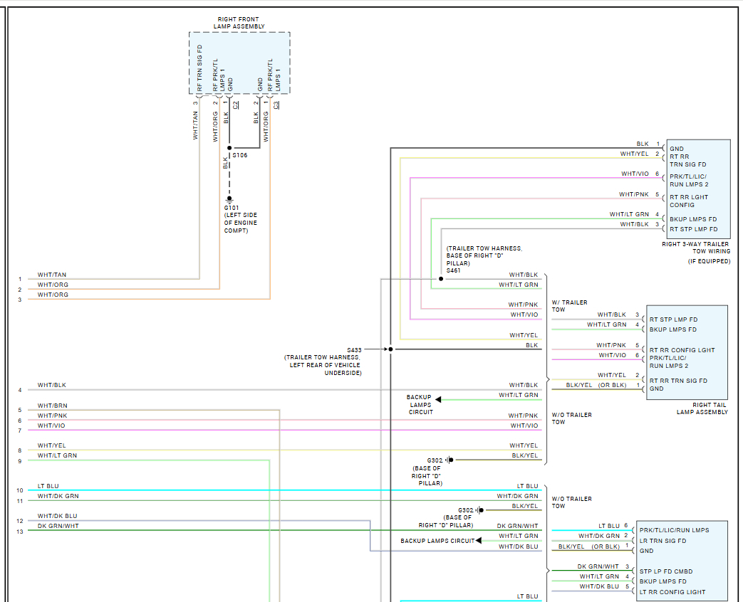
I just had my TIPM replaced. Now my turn signals are not working. I need a diagram on how to rewire it. I need 599-982 that part number wiring diagram.
Nov 1, 2024 at 9:29 PM



