After jump starting the speedometer, blinkers, and windshield wipers are not working?

2006 DODGE MAGNUM
121,065 MILES • 3.5L • 4WD • AUTOMATIC
Avatar
HARDWORKYAH1207
  • MEMBER
  • 1 POST
I jumpstart it and my speedometer and blinkers not working and windshield wipers too, and my brake signal came on too.
Apr 11, 2023 at 2:44 PM
Advertisement
Avatar
JACOBANDNICKOLAS
  • CERTIFIED EXPERT
  • 110,175 POSTS
Hi,

By chance, were the jumpers put on incorrectly? Also, when you say the brake signal came on too, do you mean the brake lamps are staying lit at all times? Is the vehicle running now and is the battery in the vehicle good?

The idea that this happened when the vehicle was jump-started is interesting. Have you checked the fuses?

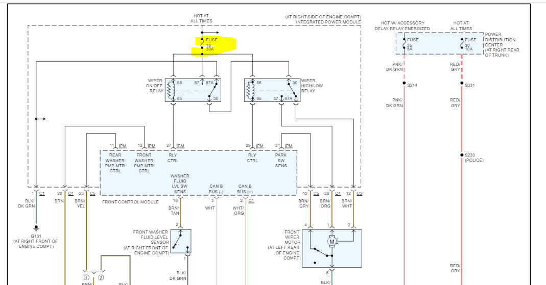
Since the wipers aren't working, locate fuse 18 in the under-hood fuse box. Note, this vehicle has an integrated power module. If you were working around the fuse box under the hood, make sure nothing came disconnected or was damaged as far as wiring.

Pic 2 shows the fuse to check and the wiper relay as well. If the fuse is good and has power to and from it, switch the relay with a different one in the box having the same part number.

Here are two links you may find helpful:
https://www.2carpros.com/articles/how-to-check-a-car-fuse

https://www.2carpros.com/articles/how-to-check-an-electrical-relay-and-wiring-control-circuit

If the fuse is good, it is important to confirm there is power to and from it.

Let me know what you find.

Take care,

Joe

See pics below.
Apr 11, 2023 at 9:07 PM