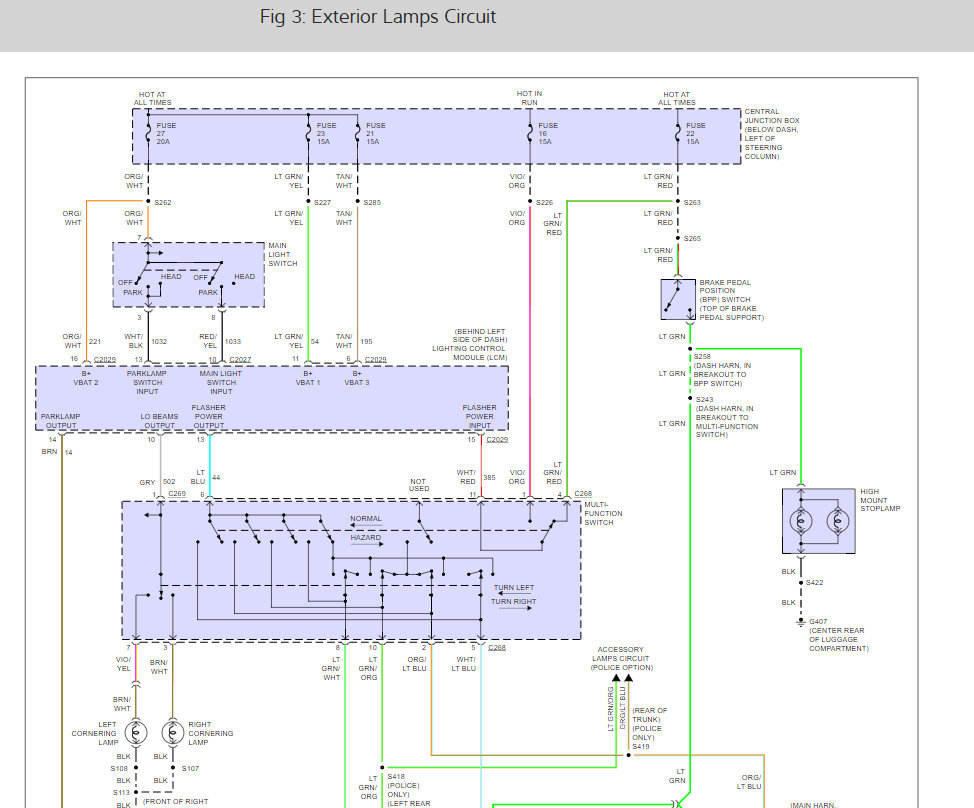
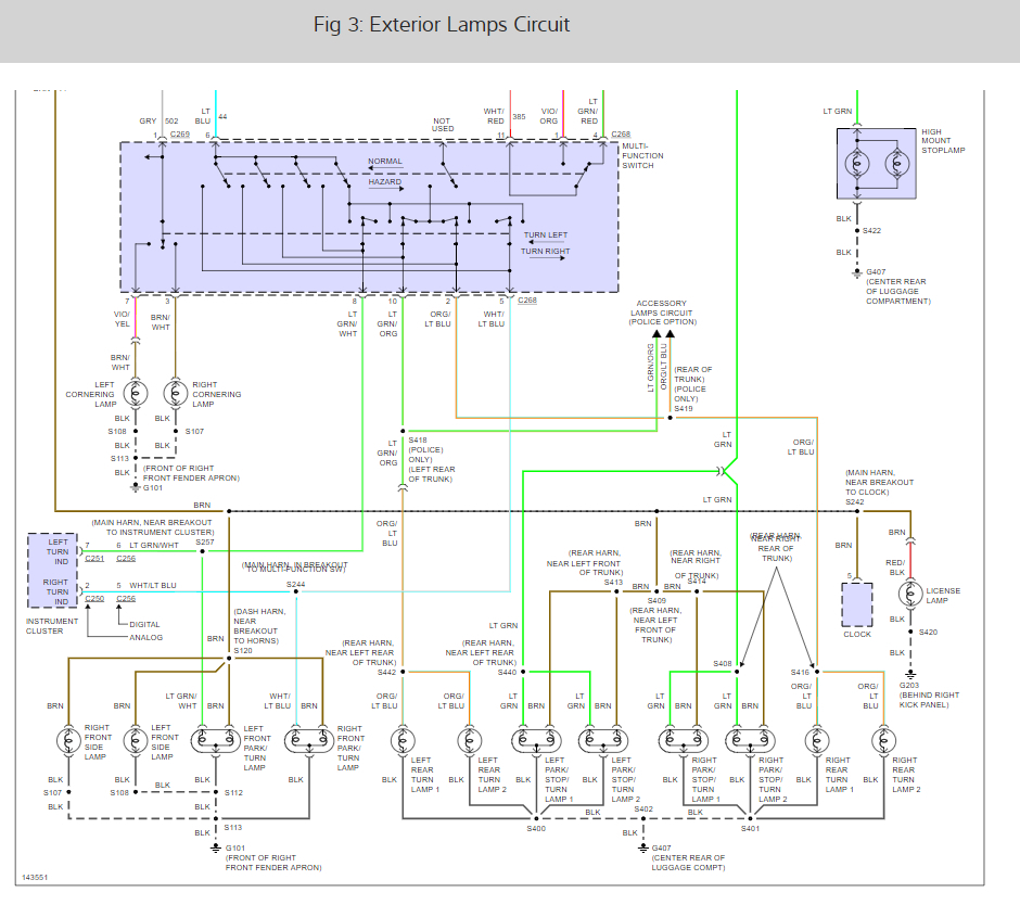
i have no tail lights in my car and no license or dash lights. i cannot figure out what is wrong. i did have a 15 amp fuse that was blown. can someone please help me figure out what my issues are? Thanks
Dec 2, 2017 at 8:54 PM












