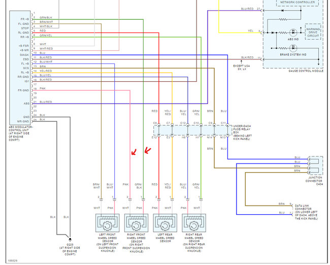
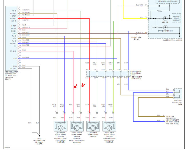
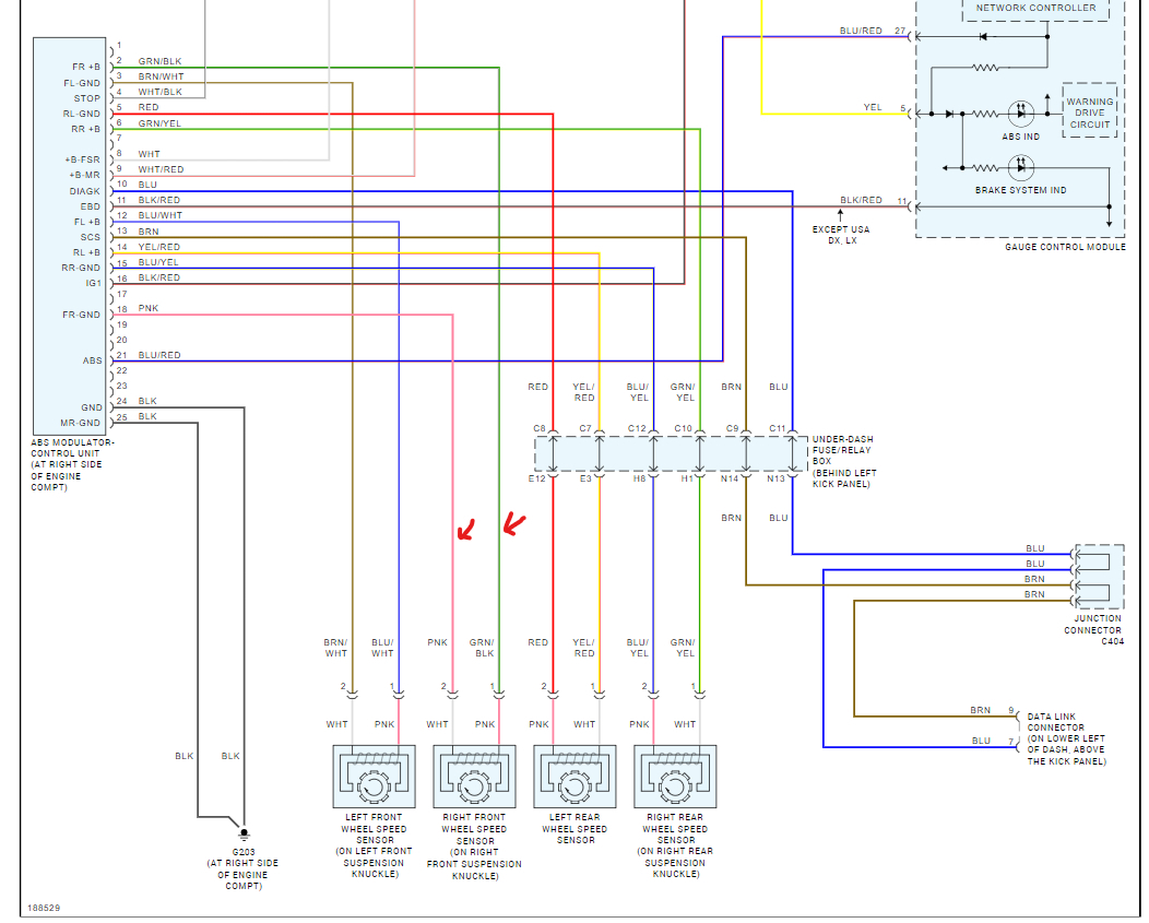
I had an ABS code light up the other day. Hooked up my scan tool read a 11-1 Right Front Wheel Speed Sensor Open or Short. I viewed live data, and all sensors are reading speed except the front right. So, I replaced it with a $126 OEM speed sensor. Cleared the codes took for a drive with live data reading all wheel speed. A few days later it came back on. I read codes again and have the same thing and live data on scan tool is reading a 0 again. I figured maybe I have debris or something on back of the ring where wheel speed sensor reads. So, I cleaned it up and made sure the sensor was clean and put it all back together code clears by itself after driving a few miles. Then today it comes back on. What else can I check to fix this? Is there a way I can check the voltage or resistance? Something has to be wrong just can’t figure out what it is.
The car listed above is a 7th gen.
The car listed above is a 7th gen.
Oct 13, 2024 at 10:32 AM














