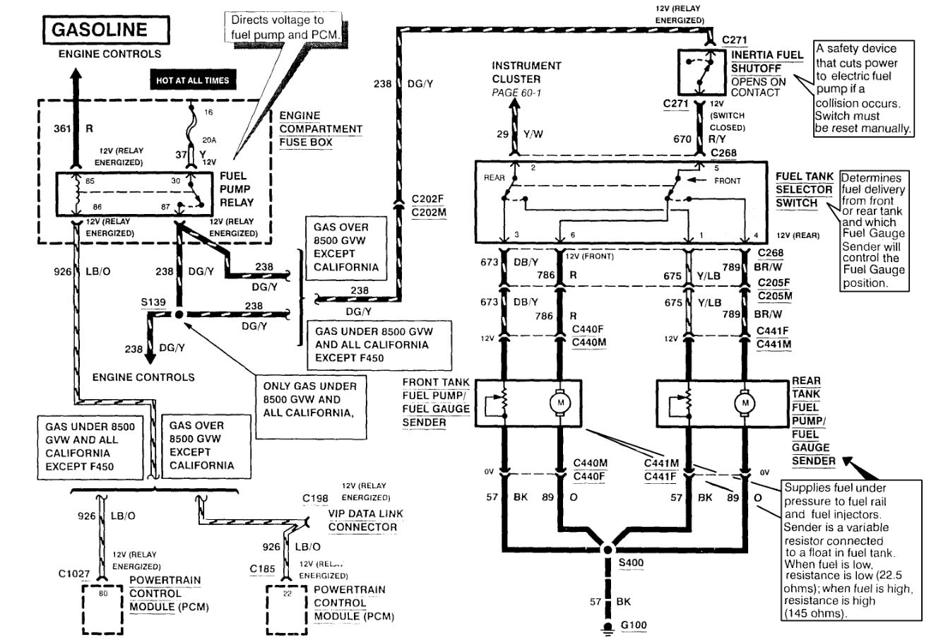
On the wiring harness coming from the sending unit is the yellow wire orange wire red wire and black wire coming out the other side of the connector this is yellow and white wire turn into a blue and yellow wire and there's obviously the orange black and red as you go up to wiring harness the sending unit wire and the red wire go to the for the truck and a black wire in the orange wire go to the rear of the truck I'm confused on where the ground wire is my fuel gauge is reading half full I tested my sending unit and resistance is correct the fuel pump comes on I've tested the gauge I remove the wire grounded the connectors the gauge works fine so I I know it's a a wiring issue I don't know where to turn to I'm confused I've been working on this for weeks I'm embarrassed to say. My truck is the XL model.
Feb 1, 2019 at 5:55 PM
