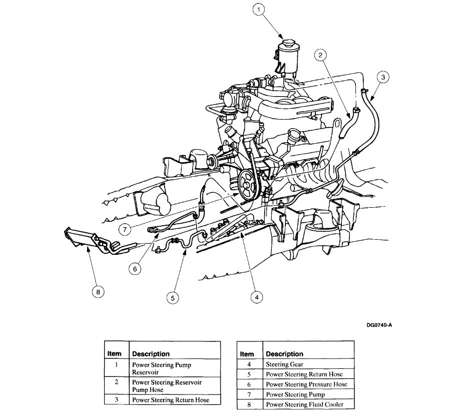
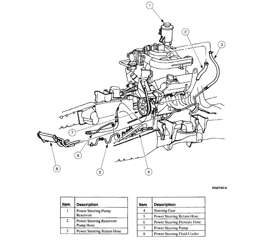
I've been having trouble identifying two things. First, I'm trying to figure out what part is next to the inner tie rods, I have already diagnosed it and it has been creating a loud banging whenever I steer and go over bumps. And second there has been this weird scraping noise, it sounds like it's coming from the rear and it happens really often when I don't have my foot on the gas. I had recently changed the brakes and everything I was missing some of brake hardware because it wasn’t the same as the ones I removed. But I'm not sure if that would be the thing causing the problem.
Oct 18, 2022 at 7:13 AM

