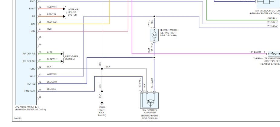
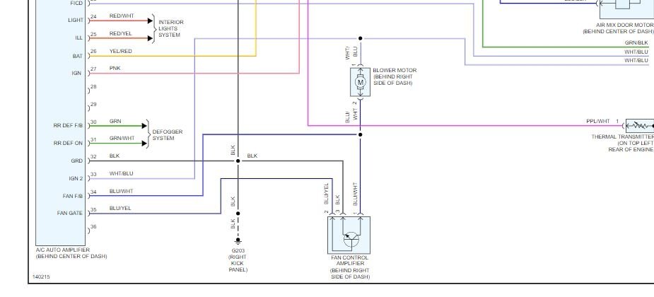
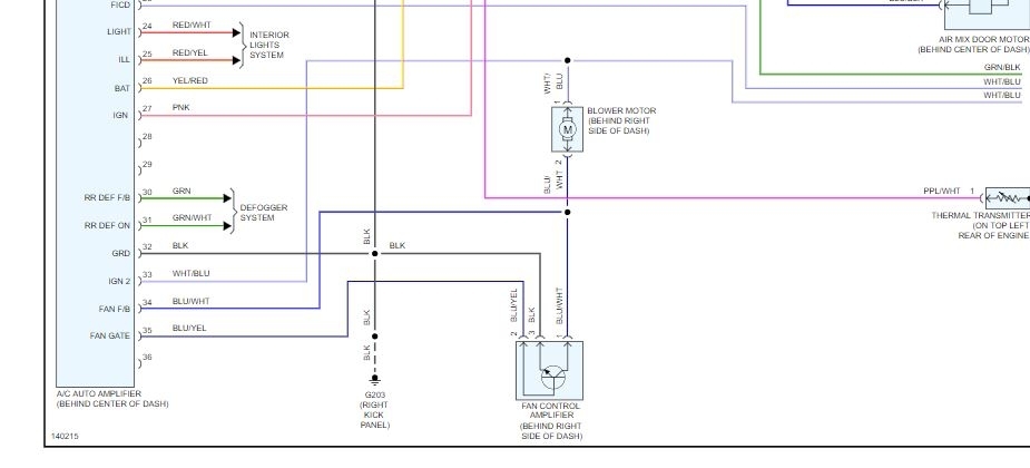
I replaced the resistor but that didn't fix the problem. so I am trying to find the relay to replace it and see if that works prior to replacing the whole blower motor. I cannot locate the relay under the hood or inside under the dashboard. Can someone please tell me where it is so that I can get to it and put the new part in to see if that fixes my problem?
Thank you!
Thank you!
Feb 6, 2019 at 2:12 PM



