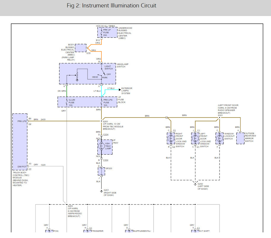
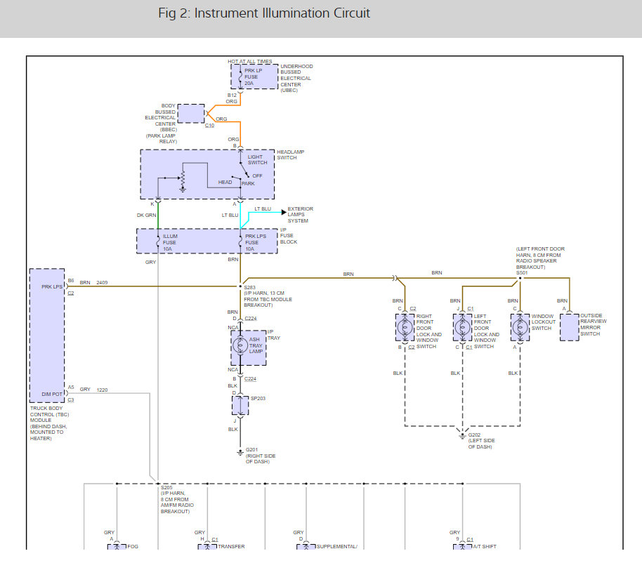
Inside my gauge cluster speedometer numbers do not light up. In the back of my truck the license plate lights do not come on. My running lights do not come on in the back, but my brake lights work. My reverse lights work, my blinkers work, but I cannot figure out where the problem is. I checked my fuses, I checked my relays. I do not understand where the problem is.
Nov 21, 2018 at 6:43 PM










