Wiring schematics needed for the left-hand rail to taillight?

1997 GMC C1500
1,000,000 MILES • 5.7L • V8 • 4WD • AUTOMATIC
Avatar
KZ ZEN
  • MEMBER
  • 1 POST
My rear brake lights and blinkers are not working and i have a few wires not connected.

The truck listed above is a k1500.
Mar 31, 2023 at 11:21 PM
Advertisement
Avatar
JACOBANDNICKOLAS
  • CERTIFIED EXPERT
  • 110,175 POSTS
Hi,

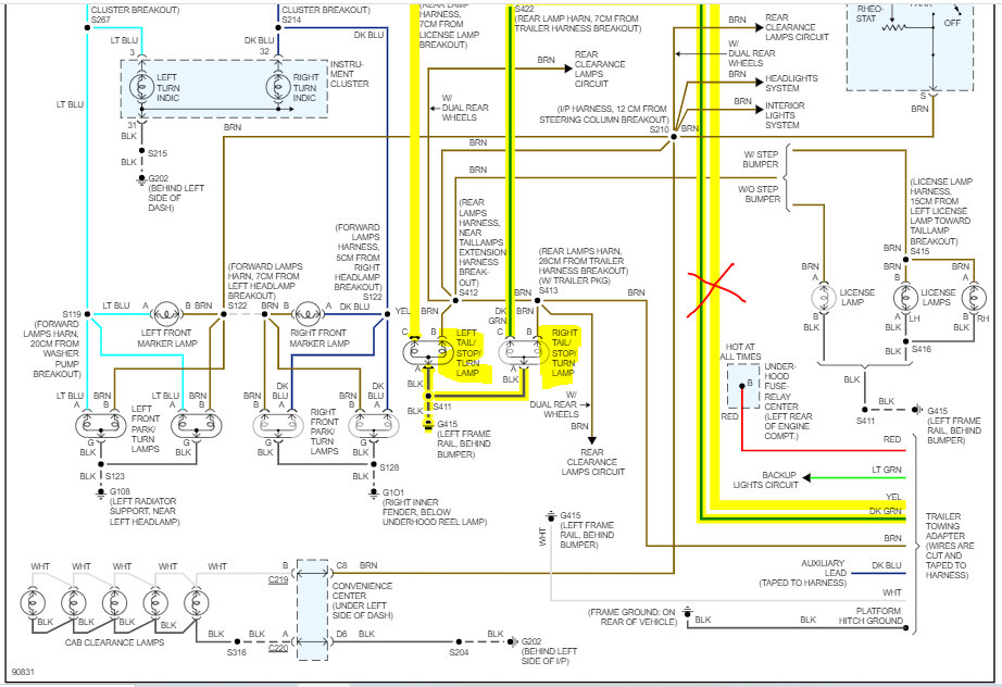
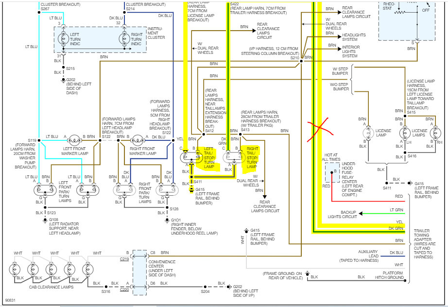
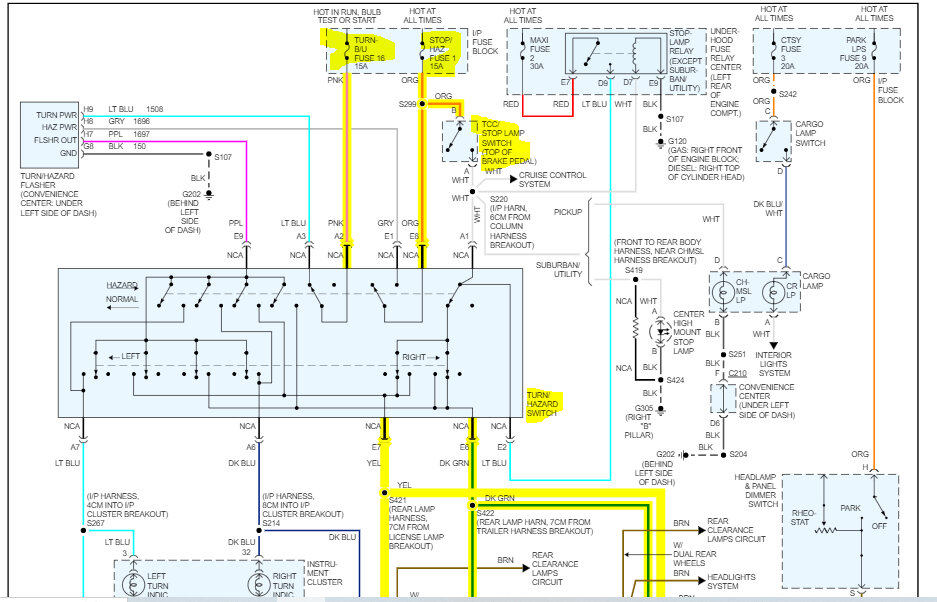
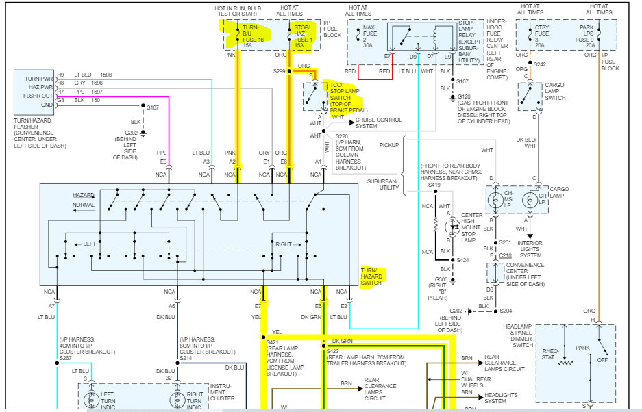
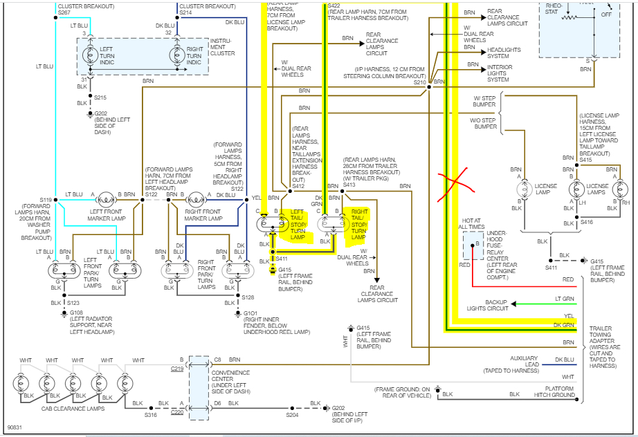
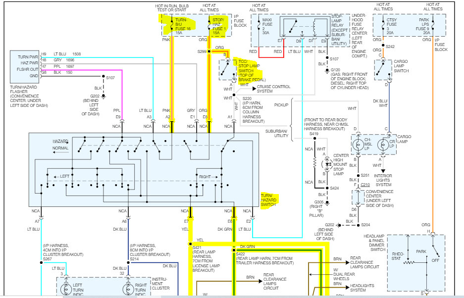
I attached the rear lamp wiring schematic below. I highlighted the wires that are relevant for the rear as well as which fuses to check.

Let me know if this helps or if you have other questions.

Take care,

Joe

See pics below. Note: I had to cut the pic in two to make them readable. I did overlap them so you can follow from one to the next.
Mar 31, 2023 at 11:39 PM