Coolant temperature sensor locations?

2013 CHEVROLET MALIBU
80,000 MILES • 2.2L • 4 CYL • 2WD • MANUAL
Avatar
ADAME FRANCKIE
  • MEMBER
  • 1 POST
Can you help me in the temperature sensor of my car? It is the LT model. can you tell me where it is located?
Dec 21, 2017 at 8:01 AM
Advertisement
Avatar
ASEMASTER6371
  • CERTIFIED EXPERT
  • 52,796 POSTS
I attached the procedure and a picture for the location of the coolant sensor for the 2.5 engine. This guide can help drain the coolant

https://www.2carpros.com/articles/coolant-flush-and-refill-all-cars

Let me know if you have any other questions. Check out the images (below). Let us know how it goes

Oct 31, 2020 at 2:47 PM
Avatar
ASEMASTER6371
  • CERTIFIED EXPERT
  • 52,796 POSTS
I attached a wiring diagram for you to view.

Check for 5 volts to the sensor to be sure it is able to communicate with the ECM.

https://www.2carpros.com/articles/how-to-check-wiring

Roy
Nov 1, 2020 at 2:04 PM
Advertisement
Avatar
JBRINKMAN91
  • MEMBER
  • 7 POSTS
I have tried replacing the coolant temperature sensor, but that did not do anything. I replaced the thermostat. Now the next thing I’m reading about to replace is the coolant temperature switch, but I cannot find a location for that. Also I’m reading conflicting articles that the the two can be one in the same, but the auto parts store sold me a sending unit temperature switch that’s for my car but that had different wire terminals than the one I already attempted to replace.
Nov 1, 2020 at 2:09 PM (Merged)
Avatar
DANNY L
  • CERTIFIED EXPERT
  • 5,648 POSTS
Hello,

Yes, the sensor/switch is one in the same. Just curious to know the complaint. Is there no hot air flow from the vents or is there air flow but just not hot enough? I've attached a picture below of coolant temp sensor location (#11)circled in red.Hope to hear back from you and thanks for using 2CarPros.

Danny-
Nov 1, 2020 at 2:09 PM (Merged)
Avatar
JBRINKMAN91
  • MEMBER
  • 7 POSTS
The car has air flow, but it is not getting hot. Earlier today I put in a new sensor, disconnected the battery to reset the computer. When I turned on my car, the temp gauge worked and it had started to blow warmer air, never really got hot. After driving for about 10 minutes the temperature gauge stopped working, and the air coming out started cooling down. When I got to where I was going, I reset the computer again. When restarted it worked again, was able to turn off car and turn back on twice with it working/with air getting warmer, but when I actually started driving again the temp gauge stopped about 7 minutes in.
Nov 1, 2020 at 2:09 PM (Merged)
Avatar
DANNY L
  • CERTIFIED EXPERT
  • 5,648 POSTS
Hello again,

Does the car engine temperature gauge stop working after 10 minutes or the climate control temperature gauge?

Danny-
Nov 1, 2020 at 2:09 PM (Merged)
Avatar
JBRINKMAN91
  • MEMBER
  • 7 POSTS
The car engine temp gauge stops working, my climate control is analog.
Nov 1, 2020 at 2:09 PM (Merged)
Avatar
STRAILER
  • CERTIFIED EXPERT
  • 53,854 POSTS
Can I ask if the coolant level is low? are you in super cold weather? Let's do a CAN scan to see what comes up you can get a scanner for about $50.00 on Amazon.

https://youtu.be/InIlnsjOVFA

Please run down this guide and report back.
Nov 1, 2020 at 2:09 PM (Merged)
Avatar
JBRINKMAN91
  • MEMBER
  • 7 POSTS
The coolant level is not low, but yes I am in cold weather. I had a scan done at auto zone. It came back with two codes. One saying engine temp low and one saying engine temp high. Since replacing the sensor on Monday I no longer have a check engine light on. And as of yesterday/ what I driven today my heat/temp gauge have been working. The only thing now, is my rpm is staying at 1 while in sitting in park, so tomorrow I am going to put in a new air filter.
Nov 1, 2020 at 2:09 PM (Merged)
Avatar
DANNY L
  • CERTIFIED EXPERT
  • 5,648 POSTS
Hello again,

Just curious to know if you have the 2 code numbers available? If you do, Please supply code numbers and we can supply you with diagnostic instructions for those codes.
Nov 1, 2020 at 2:09 PM (Merged)
Avatar
JBRINKMAN91
  • MEMBER
  • 7 POSTS
I don’t have them, and I don’t think scanning it will tell me anything now that my check engine light is no longer on. My heat/temperature gauge keeps working on and off now. Every time is stops working, we disconnect and reconnect the battery and it starts working again. So now we’re trying to figure out why is keeps randomly stopping like that.
Nov 1, 2020 at 2:09 PM (Merged)
Avatar
STRAILER
  • CERTIFIED EXPERT
  • 53,854 POSTS
It sounds like the HVAC controller is out because it works after you reset it which is an indication of failure. Here is how you replace it the instruction are in the diagrams below. Check out the diagrams (below). Please let us know what happens.




Nov 1, 2020 at 2:09 PM (Merged)
Avatar
JBRINKMAN91
  • MEMBER
  • 7 POSTS
That is not something I have heard of yet, so I will definitely look into. While driving my car tonight, my check engine light came back on shortly after it quit working again. I will go to AutoZone tomorrow and get the codes as to why. Thank you so much for a suggestion as to what else it could be. It’s get too cold where I am not to have heat in the car.
Nov 1, 2020 at 2:09 PM (Merged)
Avatar
DANNY L
  • CERTIFIED EXPERT
  • 5,648 POSTS
Hello again.

Oksy, let us know what the code is and get back to us.

Danny
Nov 1, 2020 at 2:09 PM (Merged)
Avatar
JBRINKMAN91
  • MEMBER
  • 7 POSTS
So I took my car to Advance Auto, the code it came back with was P0128.
Nov 1, 2020 at 2:09 PM (Merged)
Avatar
DANNY L
  • CERTIFIED EXPERT
  • 5,648 POSTS
Hello again,

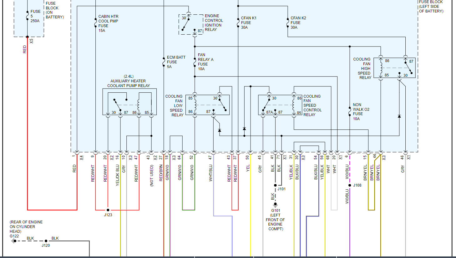
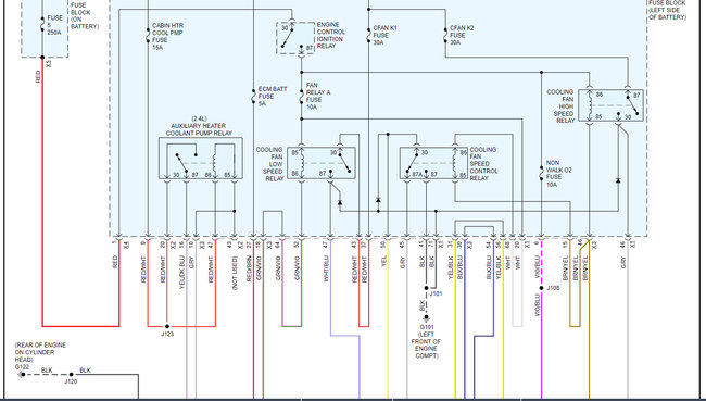
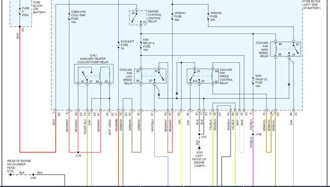
I've attached below step-by-step pictures for a diagnostic test for that code.Since you have replaced the actual sensor you might try testing the electrical circuit.Hope this helps and thanks again for using 2CarPros.
Nov 1, 2020 at 2:09 PM (Merged)
Avatar
JBRINKMAN91
  • MEMBER
  • 7 POSTS
Where is the second cooling temperature sensor located, I know where that one where is the second one.
Apr 28, 2025 at 12:24 PM
Avatar
STRAILER
  • CERTIFIED EXPERT
  • 53,854 POSTS
The second coolant temperature sensor is on the lower right side of the radiator. Check out the images (below).
Apr 29, 2025 at 9:39 AM