firing order?

2003 HYUNDAI TIBURON
Avatar
MARINE01
  • MEMBER
  • 1 POST
where is the #1 cylinder on this vehicle 2.7L 6cyl?
Feb 22, 2010 at 6:50 PM
Advertisement
Avatar
STRAILER
  • CERTIFIED EXPERT
  • 53,854 POSTS
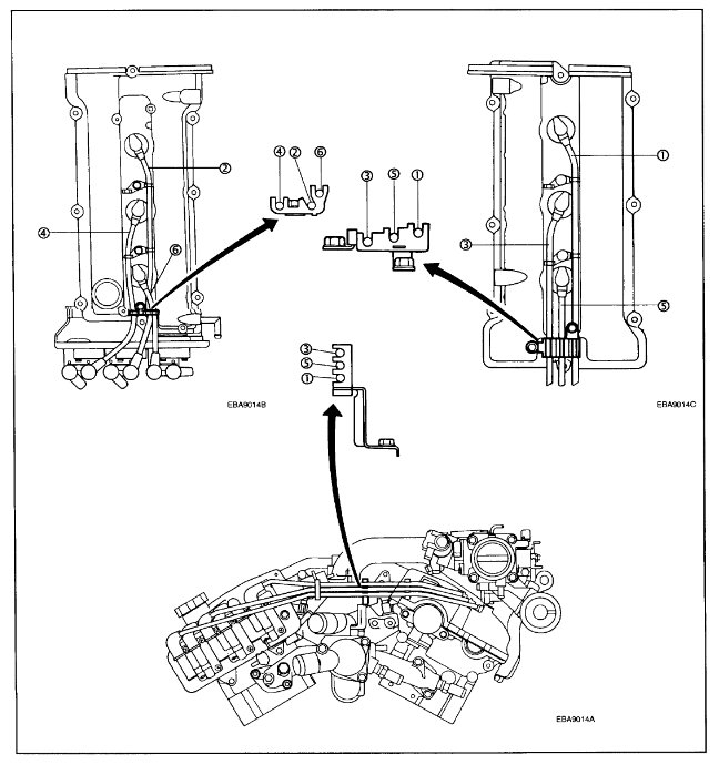
Hey MARINE01,

Here is the firing order for your engine

Firing Order .................... 1-2-3-4-5-6

Check out the diagrams (Below). Please let us know if you need anything else to get the problem fixed.
Feb 2, 2017 at 3:06 AM
Avatar
MICHAELSMITHEY
  • MEMBER
  • 41 POSTS
can you show me a diagram of where each spark plug wire is supposed to go,think one may be crossed up,97 hyundai tiburon 2.0
Dec 3, 2020 at 8:47 AM (Merged)
Advertisement
Avatar
RASMATAZ
  • CERTIFIED EXPERT
  • 75,992 POSTS
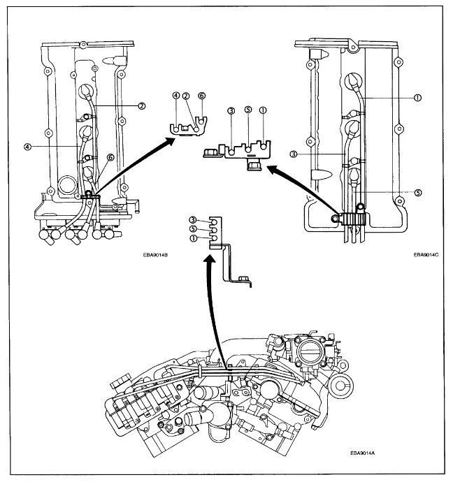
Here is the engine spark plug firing order. Check out the diagrams (Below). Please let us know if you need anything else to get the problem fixed. Cheers
Dec 3, 2020 at 8:47 AM (Merged)