Blower motor not working

2006 HYUNDAI SANTA FE
50,000 MILES • 6 CYL • 2WD • AUTOMATIC
Avatar
BAXLEY8476
  • MEMBER
  • 1 POST
Why is my air conditioning is not blowing any air neither hot nor cold?
Jun 28, 2009 at 2:21 PM
Advertisement
Avatar
JACOBANDNICKOLAS
  • CERTIFIED EXPERT
  • 110,175 POSTS
Hello,

It sounds like you have a blower motor or relay that has gone out but to be sure lets run down this guide which shows how to test for power at the motor with wiring diagrams below and th blower and relay locations as well so you can see how it works.

https://www.2carpros.com/articles/blower-fan-motor-works-on-high-speed-only

and

https://www.2carpros.com/articles/how-to-check-an-electrical-relay-and-wiring-control-circuit


Check out the diagrams (Below). Please let us know what happens.

Jul 2, 2009 at 11:13 PM
Avatar
TURBOJAY
  • MEMBER
  • 2 POSTS
the relay cost me $43.00 I love this site, all set up nice
Jan 26, 2019 at 4:16 PM
Advertisement
Avatar
GILBERT TORRES
  • MEMBER
  • 1 POST
i tried looking at some fuses but don't quite now wich one to check
Jan 26, 2019 at 4:17 PM (Merged)
Avatar
JACOBANDNICKOLAS
  • CERTIFIED EXPERT
  • 110,175 POSTS
Do you still have the owner's manual? It will indicate which fuse is for the fan. Also, did it stop all at once?
Jan 26, 2019 at 4:17 PM (Merged)
Avatar
CGROSSO12
  • MEMBER
  • 1 POST
The fan switch for the heater blower motor isn't working. I put a new blower motor, control switch, resistor and relay. any suggestions on what else i could try?
Jan 26, 2019 at 4:17 PM (Merged)
Avatar
SATURNTECH9
  • CERTIFIED EXPERT
  • 30,869 POSTS
Do you have a multi meter to do some testing?
Jan 26, 2019 at 4:17 PM (Merged)
Avatar
GLOCK116
  • MEMBER
  • 5 POSTS
Hello
My blower no longer works on my santa fee. My ac will not come on but heat seems to work, it dosent blow out but it does come out just a little(bearly). What could be the source of the problem..a bad blower or something else. The following had been corrected on my santa fee

new timing belt
new battery and alternator
balance shaft fixed
Jan 26, 2019 at 4:17 PM (Merged)
Avatar
SERVICE WRITER
  • CERTIFIED EXPERT
  • 9,123 POSTS
Take a look at the blower motor switch, they are very common, it will likely show burnt areas on it.
Jan 26, 2019 at 4:17 PM (Merged)
Avatar
GLOCK116
  • MEMBER
  • 5 POSTS
I took out the blowe rmotor on my hyunday 03 santa fe but I tested the blower and it works. Somone says I should check for a bad resistor....where would this be located?
Jan 26, 2019 at 4:17 PM (Merged)
Avatar
SERVICE WRITER
  • CERTIFIED EXPERT
  • 9,123 POSTS
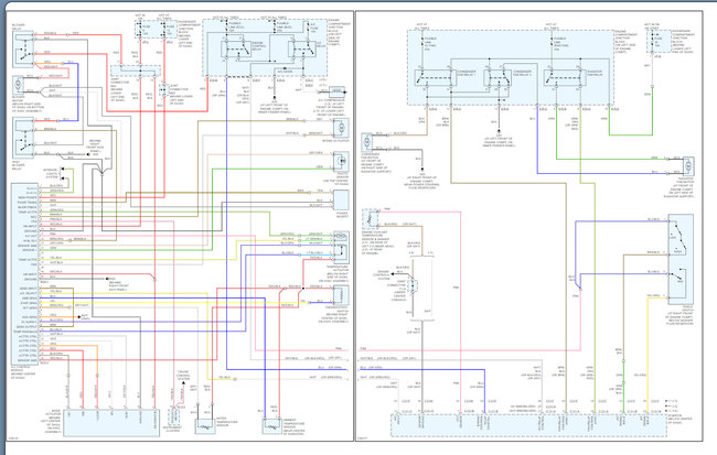
Systems that use a resistor will keep the "high" setting for the motor separate, bypassing the resistor because high means no resistance. I don't believe your system has one, but maybe the someone you talked to could tell you. Here is the chart to troubleshoot.


https://www.2carpros.com/forum/automotive_pictures/30961_sant1_1.jpg

These are the wiper switch continuity tables and the connector view so you can test for contunuity.


https://www.2carpros.com/forum/automotive_pictures/30961_san2_1.jpg


https://www.2carpros.com/forum/automotive_pictures/30961_san3_1.jpg

This is the wiring diagram for the entire wiper circuit.


https://www.2carpros.com/forum/automotive_pictures/30961_san4_1.jpg


https://www.2carpros.com/forum/automotive_pictures/30961_san5_1.jpg

Jan 26, 2019 at 4:17 PM (Merged)
Avatar
GLOCK116
  • MEMBER
  • 5 POSTS
I acatually fixed the problem. I removed my blower (which was a pain in the neck to remove) turned out there was some tree sticks stuck in there making it unable to work but once I removed those it worked fine.
Thank you for your help!
Jan 26, 2019 at 4:17 PM (Merged)
Avatar
ROBERTA
  • MEMBER
  • 7 POSTS
Yesterday my husbamd had to treplace the original battery While i tried to charge the old one(which wouldnt really take) I woould try to srtart it The blower was very high.With new battery the blower wont shut off evej when i press the off button I reoved the ac/blower fuse and it doesnt work at allbut it wont shut off What couod be wrong? Someone suggested diasbaling battery and rehooking up
Jan 26, 2019 at 4:17 PM (Merged)
Avatar
SERVICE WRITER
  • CERTIFIED EXPERT
  • 9,123 POSTS
LOl...gotta outside the box sometimes! Congrats.
Jan 26, 2019 at 4:18 PM (Merged)
Avatar
RASMATAZ
  • CERTIFIED EXPERT
  • 75,992 POSTS
Could be the blower motor relay sticking check it-let me know
Jan 26, 2019 at 4:18 PM (Merged)
Avatar
ROBERTA
  • MEMBER
  • 7 POSTS
where would i find that
Jan 26, 2019 at 4:18 PM (Merged)
Avatar
RASMATAZ
  • CERTIFIED EXPERT
  • 75,992 POSTS
Answered question -refer to the other one and stay there
Jan 26, 2019 at 4:18 PM (Merged)
Avatar
LINDA1957
  • MEMBER
  • 1 POST
My 2003 Santa Fe Hyundai just started...when I turn key off the heater fan blower stays on..also yesterday I found out my headlights didn't go off either. They normally shut off after taking key out of ignition.
Jan 26, 2019 at 4:18 PM (Merged)
Avatar
JACOBANDNICKOLAS
  • CERTIFIED EXPERT
  • 110,175 POSTS
Have the ignition switch checked. Both should shut when the key is off. Something tells me the switch has shorted.
Jan 26, 2019 at 4:18 PM (Merged)
Avatar
DEBBIES59
  • MEMBER
  • 2 POSTS
My A.C. was making clicking sound at times during summer but working. Now that weather is cool in mornin gs I am hearing it again and the blower comes on, goes off at times. What may be the problem? How much am I looking @ in repair cost? Thank you. Debbie
Jan 26, 2019 at 4:18 PM (Merged)
Avatar
LEGITIMATE007
  • CERTIFIED EXPERT
  • 5,121 POSTS
that is the sound of your compressor cycling on and off, it is normal, but it should only do it every so often, when it does it frequently, that usually means there is not enough pressure(refrigerant) in the system to keep it on,meaning there is a very small leak in the system, a check up/ recharge should be about 100-150 to have done.
Jan 26, 2019 at 4:18 PM (Merged)
Avatar
DEBBIES59
  • MEMBER
  • 2 POSTS
Thank u very much. U have been very helpful. Debbie
Jan 26, 2019 at 4:18 PM (Merged)
Avatar
LEGITIMATE007
  • CERTIFIED EXPERT
  • 5,121 POSTS
oh, you are quite welcome, anytime.
Jan 26, 2019 at 4:18 PM (Merged)
Avatar
RTHENDERSON
  • MEMBER
  • 1 POST
Heater blower/switch does not work. Checked fuses. Fuse for blower would not register on fuse tester. Tried 3 new fuses, but none would trip fuse tester. Is it the blower or the switch?
Jan 26, 2019 at 4:18 PM (Merged)
Avatar
SERVICE WRITER
  • CERTIFIED EXPERT
  • 9,123 POSTS
check the switch, pull it out and look for burnt areas. You can also put power to the motor to verify it works.
Jan 26, 2019 at 4:18 PM (Merged)
Avatar
CHOOCHABOB
  • MEMBER
  • 2 POSTS
The #2 position fan speed has been out for awhile. Now, the #1 and # 3 speed positions are out leaving me with the High speed only. What's my course of action. Simple, I hope.
Jan 26, 2019 at 4:18 PM (Merged)
Avatar
KHLOW2008
  • CERTIFIED EXPERT
  • 41,814 POSTS
Hi choochabob,

Most probably the blower speed mode resistor unit is faulty and needs to be replaced.
Jan 26, 2019 at 4:18 PM (Merged)
Avatar
TOM HOB
  • MEMBER
  • 1 POST
the blower ouit working I checked the fuses under the dash also under the hood could you tell me where the blower is located and if you have any advice for me .
Jan 26, 2019 at 4:18 PM (Merged)
Avatar
JACOBANDNICKOLAS
  • CERTIFIED EXPERT
  • 110,175 POSTS
The motor is under the dash on the passanger side. Check to see if it is getting power. If it is, then the motor is most likely bad.

Let me know what you find.

Joe
Jan 26, 2019 at 4:18 PM (Merged)
Avatar
KADI
  • MEMBER
  • 5 POSTS
When I turn the on/off **** I can hear the motor click. But it doesn't come on. What do I need to check and were do I find everything?
Jan 26, 2019 at 4:18 PM (Merged)
Avatar
RASMATAZ
  • CERTIFIED EXPERT
  • 75,992 POSTS
Check the blower motor-power it from the battery and see if it comes on-if okay-check the blower motor resistor/fan control motor and relay-
Jan 26, 2019 at 4:18 PM (Merged)
Avatar
JACOBANDNICKOLAS
  • CERTIFIED EXPERT
  • 110,175 POSTS
Check for power to the blower motor. If there is power, the motor is bad.
Jan 26, 2019 at 4:18 PM (Merged)
Avatar
KADI
  • MEMBER
  • 5 POSTS
Ok I figured out it is the actual switch in the control panel. It doesn't work at any speed, but if you push up or down on the ****, the blower turns on and works fine. I've read that I can pull the panel and replace the switch. But it also says to be sure to unplug the batery to disarm the airbags. Are there any other precausions I need to know about?
Jan 26, 2019 at 4:18 PM (Merged)
Avatar
JACOBANDNICKOLAS
  • CERTIFIED EXPERT
  • 110,175 POSTS
Allow the battery to be disconnected for at least 20 minutes before working on or around the air bags.
Jan 26, 2019 at 4:18 PM (Merged)
Avatar
2CP-ARCHIVES
  • MEMBER
  • 4,540 POSTS
heater blower motor does not blow or blows intermittently
Jan 26, 2019 at 4:18 PM (Merged)
Avatar
ASEMASTER6371
  • CERTIFIED EXPERT
  • 52,796 POSTS
check for power to the motor with a voltmeter to confirm the motor failure.

otherwise the resistor may be the issue

Roy
Jan 26, 2019 at 4:18 PM (Merged)